Как заточить ножи на строгальный станок в домашних условиях: Как заточить ножи на строгальный станок. Описание заточки ножей для деревообрабатывающих станков
Угол заточки ножей для рейсмуса. как заточить ножи для рейсмуса
В этой публикации сделана попытка подробно и в доступной форме рассмотреть вопросы повышения качества заточки ножей и приводятся рекомендации по увеличению стойкости и ресурса ножей в производственных условиях.
Ножевые головки подразделяются на фуговальные и профильные. Различаются они в основном по типу применяемых ножей, конструктивным особенностям крепления ножей и способам крепления головок на шпинделях станков. Имеются также ножевые головки, оснащенные сменными пластинками твердого сплава, но они используются, как правило, для изготовления высокоточных и высококачественных погонажных изделий и не перетачиваются (по мере износа пластинки заменяются новыми). Правда, следует отметить и то, что в условиях российской действительности и псевдоэкономии некоторые производители предпочитают их перетачивать по передней плоскости один — три раза.
По способу крепления на валах головки разделяют на инструмент с механическим креплением (гайкой) и гидрозажимной.
Фуговальной называется ножевая головка, в корпусе которой устанавливаются прямые ножи, предназначенные для создания плоских обработанных (фрезерованных) поверхностей на деталях и заготовках.
Допускается профилирование фуговальных ножей для получения неглубоких профилей, с глубиной фрезерования не более 3 мм. Это связано с недостаточной прочностью данных ножей и возможностью их разрушения в процессе обработки заготовок, особенно при перегрузках, что весьма опасно. Фуговальные головки оснащаются, как правило, тонкими импортными ножами толщиной 3 мм и шириной 30, 35 мм и отечественными — в соответствии с отечественным ГОСТ 6567-75 — шириной 25, 32, 40 мм (длина зависит от ширины обработки).
Профильной называется ножевая головка, в корпус которой устанавливают толстые профильные ножи. Толщина ножей отечественного производства (по ГОСТу) — 6 мм, импортных — 5, 8, 10 мм, ширина — 50, 60 или 70 мм (в зависимости от глубины профиля), длина зависит от ширины обработки. Это относится как к отечественным, так и к импортным ножам.
У импортных ножевых головок, как и у профильных ножей (бланкет) мелкое прецизионное рифление на базовых поверхностях, позволяющее устанавливать ножи правильно и качественно в ножевых головках без применения специальных устройств.
Ножи в зависимости от условий применения (фрезерования материалов мягких или твердолиственных пород) изготавливаются из быстрорежущей инструментальной стали (HSS) или с применением твердых сплавов (НМ).
Ножи в ножевых головках перетачивают только по задней поверхности. Правда, и здесь бывают исключения, т. к. некоторые российские производители, не располагая специальным оборудованием или не имея возможности заточить инструмент в каком-либо сервисе, точат его по передней грани ножа, резко снижая его ресурс, поскольку стачивать по толщине более чем на 1/3 толщины нельзя, это небезопасно.
По способу заточки ножевые головки можно разделить на фуговальные прямые и профильные.
Алгоритм заточки фуговальной ножевой головки таков. На специальном приспособлении (правиле) ножи в ножевой головке устанавливаются так, чтобы все их вершины (лезвия) располагались строго на одной окружности при вращении головки.
Затем ножи закрепляются в теле головки специальными болтами. Ножевая головка устанавливается на заточном станке таким образом, чтобы задняя поверхность ножа (затачиваемая задняя кромка) была строго параллельна плоскости шлифовального круга.
Абразивный инструмент подводится к задней поверхности ножа. Положение абразивного инструмента определяется по искре, которая образуется, когда круг слегка касается затачиваемого инструмента по всей плоскости задней кромки. Если этого не происходит (то есть если нет искры), то в процессе заточки произойдет изменение угловых параметров режущего инструмента, что приведет либо к снижению стойкости ножа, либо к снижению качества получаемой поверхности (что свидетельствует о неправильных настройках станка).
Если на предприятии нет заточного оборудования для заточки фуговальных ножей непосредственно в ножевой головке, ножи могут быть заточены на плоскошлифовальных заточных станках, оборудованных приспособлениями для крепления ножей и выставки углов заточки на ноже, после чего ножи могут быть также выставлены и закреплены на головке с помощью правила или другого приспособления (специального шаблона).
Однако нужно понимать, что такой точности заточки инструмента, качества получаемой поверхности и стойкости ножей, как при использовании вышеуказанного способа, добиться невозможно.
Абразивный круг на заточном станке выполняет три движения: вращательное, возвратно-поступательное движение вдоль оси ножевой головки, прямолинейное движение перпендикулярно оси ножевой головки.
При заточке фуговальных ножевых головок следует обращать внимание на ряд особенностей. У ножей в обычных и гидрозажимных строгальных ножевых головках разные задние углы. Задний угол ножей в обычных строгальных ножевых головках 45°. Задний угол ножей в гидрозажимных ножевых головках составляет 60° (не путать с углом заострения на ножах, стандарт которого 40°, но могут быть и другие значения — в зависимости от условий и режимов резания).
Таким образом, у ножей в обычных и гидрозажимных ножевых головках различные углы заострения. От величины угла заострения зависит сила резания, необходимая для отделения стружки от обрабатываемой детали и обеспечения правильных режимов резания.
Чем меньше угол заострения, тем меньше силы резания, однако при уменьшении угла заострения режущая кромка начинает терять свою стойкость, что приводит к частой замене режущего инструмента в процессе работы. Необходимо помнить, что головки с острыми углами целесообразны при обработке мягкой древесины, а с тупыми — при обработке твердой древесины. Целесообразно в каждом конкретном случае при выборе угла заострения экспериментировать, как правило, в пределах ±5°. Иногда для увеличения стойкости ножа на его задней грани делают небольшую фаску шириной 1-2 мм под более тупым углом, чем у самого лезвия (этот угол может отличаться от основного на 5-7°). Эта фаска позволяет увеличить прочность режущей кромки (лезвия) и стойкость инструмента. В результате в процессе резания изменится задний угол, что приведет к увеличению площади соприкосновения задней грани с обрабатываемой заготовкой и некоторому увеличению нагрева ножа от сил трения, что допустимо, но следует помнить, что фаска не должна быть больше рекомендованной, в противном случае это приведет к интенсивному разогреву ножа и уменьшению его стойкости при работе.
Если же вас не устраивает стойкость ножей, особенно фуговальных, то можно попробовать изменить передний угол на ножах путем переточки (шлифования) по передней плоскости ножа и создания так называемой ленточки шириной 2-5 мм (в зависимости от толщины ножа) с углом 7° к обрабатываемой поверхности. Эту операцию можно выполнить только на плоско-шлифовальном заточном станке, на ноже, вынутом из ножевой головки, что позволит повысить стойкость ножа из-за увеличения угла резания и уменьшения переднего угла ножа.
При работе на ножевых головках с гидропосадкой на продольно-фрезерных станках, оснащенных так называемыми джойнтерами (приспособлениями для прифуговки ножей в процессе работы) в течение смены применяется прифуговка ножей, т. е. снятие фаски на ножах, установленных на головках, с целью вовлечения как можно большего числа ножей в процесс фрезерования. Размер фаски не должен превышать 0,2-0,3 мм, в крайнем случае 1 мм. В результате прифуговки уничтожается задний угол на ножах, что приводит к повышенному трению лезвия ножа об обрабатываемую заготовку — в том числе из-за упругого восстановления волокон древесины в зоне резания.
Прифуговка особенно опасна при обработке мягколиственной древесины — осины, липы, меранти, абаш и прочей — именно из-за упругого восстановления волокон.
Делать фаску большой нельзя, т. к. это приведет к интенсивному разогреву прифугованных ножей и выходу их из строя, т. е. ножи «сгорят» (в результате отпуска стали потеряют прочность). Операция прифуговки ножей применяется только для того, чтобы обеспечить максимальную длительность работы на станке без смены инструмента и повышение производительности оборудования. По окончании смены инструмент необходимо заточить на заточном станке с удалением фаски для сохранения стойкости режущей кромки.
Снижение температуры инструмента и обрабатываемого материала в зоне резания значительно увеличивает стойкость лезвия. Стойкость инструмента также зависит от величины заднего угла ножа. Чем больше задний угол, скорость подачи, тем меньше интенсивность износа ножа по задней грани. По этой причине задний угол ножей гидроголовок делают большим.
При заточке ножей с напайным или съемным твердым сплавом задний угол стальной подложки ножа должен быть на 5-10° больше, чем угол самого твердосплавного лезвия. Эта операция называется обнижением и необходима для того, чтобы алмазный круг на заточном станке при заточке твердосплавного ножа не касался стальной подложки и интенсивно не засаливался.
Весьма важно при заточке помнить о предельно допустимых минимальных размерах строгального (фуговального) ножа. В обычных фуговальных ножевых головках минимальная ширина ножа — 18,5 мм. При меньшей ширине ножа не обеспечивается надежность его крепления в корпусе. В гидрозажимных фуговальных ножевых головках минимальная ширина ножа — 21,3 мм. Таким образом, у обычного фуговального ножа, ширина которого 30 мм, в обычной ножевой головке зона переточки 11,5 мм, а в гидрозажимной ножевой головке зона переточки 8,7 мм. У твердосплавных ножей с напайным твердым сплавом минимальная высота этого сплава напайки при переточках должна быть не менее 4 мм.
Как правило, высота напайки твердого сплава составляет 10 мм. Таким образом, зона переточки твердосплавного ножа — 6 мм.
Для любого технолога не составит труда подсчитать количество переточек и определить ресурс ножей, если известна их стойкость при обработке одинаковых материалов и величина съема металла на ноже при одной заточке, которая, как правило, составляет 0,1-0,2 мм. Знать ресурс необходимо для того, чтобы спрогнозировать своевременную закупку новых ножей и не делать необоснованных лишних запасов режущего инструмента. Правда, надо также не забывать и о некотором запасе, который может понадобиться в случае аварийного износа инструмента.
Leuco.
Деревообрабатывающий
инструмент (пилы, фрезы и
др.)
Алгоритм заточки ножевых головок с профильными ножами такой же, как и строгальных ножевых головок, за исключением трех моментов. Для установки ножей в корпус ножевой головки не требуется никаких специальных приспособлений, т. к. на тыльной (опорной) стороне ножа импортного производства имеется прецизионное рифление, которое при установке ножа совмещается с рифлением в корпусе инструмента, а на отечественном ноже, как правило, есть либо установочные отверстия, либо пазы.
Возвратно-поступательное движение абразивного круга вдоль оси инструмента совершается не по прямолинейной траектории, а повторяет криволинейный профиль ножа.
При переточке профильного ножа ось абразивного инструмента всегда параллельна оси ножевой головки, поскольку задняя поверхность профильного ножа не прямолинейная, а профильная.
Все вышеперечисленные операции по заточке профильных ножей выполняют на специальных заточных станках по шаблонам, которые являются точной копией профиля будущего изделия. Эти шаблоны могут быть изготовлены слесарем вручную либо (при наличии необходимого оборудования) при помощи копировально-фрезерного станка с ЧПУ.
Толстые профильные ножи целесообразно затачивать по задней грани под двумя углами, что будет способствовать повышению стойкости инструмента в процессе работы. Углы могут быть такими, как у фуговальных ножей, ширина ленточки фаски может достигать 5 мм. Как с основным, так и со вспомогательным углом также целесообразно поэкспериментировать в пределах ±5°, поскольку на разных предприятиях нашей страны нет одинакового оборудования и режущего инструмента и используются разные режимы резания и древесина разных пород.
Экспериментировать нужно, меняя углы, как правило, с шагом 0,5-1,0°, и при этом проверять стойкость инструмента на одинаковом древесном материале.
Как при проектировании и изготовлении, так и при заточке профильного режущего инструмента необходимо учитывать: если на поверхности ножа имеются профили, перпендикулярные оси вращения головки, то спрофилировать их под 90° к оси вращения будет невозможно, а надо их увеличить на 3°, чтобы в процессе последующих переточек профиль не изменился. Это так называемый боковой вспомогательный угол, который необходим также для того, чтобы боковая задняя поверхность ножа при обработке не соприкасалась с обрабатываемой заготовкой. Если у ножа нет вспомогательных задних углов, инструмент начинает «гореть».
Следует отметить, что при заточке как фуговальных, так и профильных ножей обязательно применяются смазывающе-охлаждающие жидкости (СОЖ), способствующие повышению стойкости режущего инструмента и правильному выбору режимов заточки.
Владимир ПАДЕРИН
Точилка для ножей чертежи.
Как сделать самодельное приспособление для заточки ножей своими руками. Как точить строгальный нож
Лезвия в режущем инструменте – это основа всего. Кухонный нож, диски болгарки, цепи к мотокосе или бензопиле с хорошо заточенным лезвием упрощают и ускоряют процесс работы.
Наточить инструмент можно в профессиональной мастерской или в домашних условиях, если сделать станок для заточки ножей своими руками из простых материалов.
Для ножей, находящихся в домашнем обиходе, не нужен специальный инструмент для заточки, достаточно, чтобы под рукой была точилка в виде бруска. Но если дома есть бензопила, цепи которой также нуждаются в регулярном затачивании, или болгарка, диски которой постоянно затупляются, то лучше изготовить своими руками установку. Суть прибора такова: к рабочему столу крепится брусок в двух вариациях – с регулировкой или без нее. Для тех, кто не понимает суть изготовления точилки своими руками по тексту, может посмотреть фото или видео мастер-классы.
Схема изготовления приспособления
Чтобы прибор получился качественным и безопасным, нужно заранее рассчитать размеры станка для заточки ножей своими руками и подобрать необходимые материалы. Первое, что нужно сделать – рассчитать угол между рабочей частью режущего лезвия и бруском.
Далее следует подбор материалов основы (опоры) и камень. Можно изготовить станок из стекла, покрытого наждачной бумагой или камня, прикрепленного к опоре. Первый вариант менее затратный, да и наждачную бумагу можно поменять в любое время, но более надежная установка – из камня.
Нюансы процесса
Для того чтобы станок для заточки ножей по чертежам своими руками получился идеальным и прослужил не один год, нужно воспользоваться советами специалистов. Первое, что берут во внимание – какой вид лезвия будет затачиваться.
Ведь под каждый нож подбирается индивидуальный угол:
- Лезвия для резки твердых предметов (например, картон, дерево, металл), бензопилы – 30-45 градусов.

- Охотничьи, туристические ножи – под углом 25-30 градусов.
- Кухонный режущий инструмент для нарезки различных продуктов нужно затачивать под 20-25 градусами.
- Простые ножи для нарезки хлеба, овощей и фруктов требуют 15-20 градусов затачивания. Под тем же углом нужно затачивать обычные домашние ножницы, а также ножи для бритвы.
Необходимые материалы
Если вам нужно сделать станок для заточки, вам понадобятся следующие материалы:
- несколько деревянных брусьев;
- наждачка;
- инструменты для распила;
- дрель с несколькими сверлами.
Простой станок. Пошаговая инструкция
- Шаг 1. Возьмите три рейки и разместите их таким образом, чтобы вместе они образовывали букву Н. Ширина срединной рейки должна равняться ширине пильного бруска. Повторите процедуру.
- Шаг 2. Разместите рейки перпендикулярно друг другу, соединив их основания – главная конструкция для удержания пильного бруса готова.

- Шаг 3. Это один из важнейших этапов! Необходимо правильно рассчитать угол крепления бруска относительно реек. Высчитывайте его с помощью измерительных инструментов и отмечайте места крепления бруса по вертикальной и горизонтальной рейкам.
Если вы хотите универсальное приспособление, то нужно сделать сразу несколько выдвижных болтов на разнос расстоянии, чтобы можно было изменять наклон бруса при необходимости. Сделать это можно с помощью простых измерительных инструментов и сверл. После этого можно обрезать рейки до удобной длины.
Неудобство такого станка заключается в том, что вам придётся самостоятельно контролировать расположение ножа относительно бруса. Если же вы не хотите вообще ни о чём задумываться во время заточки ножей, ножниц или цепей, то вам следует изготовить более сложный станок.
Универсальный станок. Пошаговая инструкция
Внимательно прочитайте каждый шаг и, где это возможно, нарисуйте к каждому шагу чертёж с указанием всех размеров – это станет отличным подспорьем в работе:
- Вырежьте из фанеры две прямоугольные трапеции, основания которых будут равны 60 и 170 мм, а боковина по прямому углу – 230 мм.

- Вырежьте прямоугольную дощечку с размерами 230 на 150 мм.
- Закрепите прямоугольник между основаниями таким образом, чтобы он выпирал на 40 мм вверх.
- Вырежьте брусок размерами 60 на 60 мм и закрепите его в основании клина.
- С помощью сверла сделайте в бруске вертикальное отверстие на расстоянии 50 мм от центра. Сверху и снизу отверстия вставьте футорки, а в них – соответствующую по диаметру шпильку, длиной в 25 см.
- Обработайте прямоугольную основу. На уровне 40 мм выступа сделайте пропил примерно в 2 мм, чтобы на это место можно было прикрепить лист наждачки
- Сделайте фиксатор:
- Возьмите Г-образную планку с размерами 15 на 18 см по длинным граням и примерной шириной каждой полки до 5 см.
- Возьмите прямоугольную планку 5 на 5 см.
- Сделайте в дощечке паз на уровне шпильки и закрепите на нём планки с минимальной подвижностью.
8. Сделайте регулировщик:
- Шпильку закрепите гайкой, чтобы она не вращалась.

- Из твёрдого дерева вырежьте колодку с размерами 20х40х80 мм и закрепите её на шпильке с помощью гаек.
- По широкой стороне проделайте отверстие в 9 мм с отступом от края в 15 мм.
- Вырежьте из твёрдого дерева два бруска 50х80х20 мм и проделайте в них по одному отверстию на расстоянии 20 мм от края по центру.
- Возьмите сварку шпильки и гладкого прута и закрепите на ней брусочки следующим образом: сначала гайка-фиксатор, затем первый брусок. Затем алюминиевый профиль, затем второй брусок и ещё один фиксатор.
- Приклейте наждачку к алюминиевому профилю.
- Шпильку закрепите гайкой, чтобы она не вращалась.
Универсальный инструмент для заточки готов. Вырежьте несколько шаблонов с различными углами, чтобы на них можно было ориентироваться при работе. Помните, что на каждом этапе создания инструмента вам помогут заранее созданные чертежи – не пренебрегайте этим шагом, иначе будет очень сложно избежать ошибок.
Не важно, что вам необходимо заострить – простой кухонный нож, садовые или маникюрные ножницы или цепи для бензопилы – такой инструмент справится с любой работой, если вы будете правильно выставлять угол и не забывать им пользоваться при возникновении такой необходимости.
Каждая хозяйка хоть раз в жизни сталкивалась с тем, что у нее на кухне тупились ножи, которыми она обычно режет хлеб, разделывает мясо или нарезает овощи. Пользоваться такими ножами не только неудобно, но еще и опасно, ведь лезвие может сорваться с продукта и травмировать вас. Поэтому необходимо периодически подтачивать инструмент с помощью специальных устройств. В магазинах подобные приборы представлены в огромном ассортименте, но по определенным причинам они не устраивают потребителей. В такой ситуации может быть изготовлена точилка для ножей своими руками. Чертежи и схемы для работы отыскать, в принципе, несложно, а подробные мастер-классы мы приведем в данной статье.
Какие условия необходимо соблюдать при заточке ножей?
А вы знаете, как правильно точить ножи? На самом деле, существует целый ряд правил, соблюдая которые можно добиться идеального результата.
Необходимые условия выглядят таким образом:
- Для продолжительной и эффективной эксплуатации ножей при их заточке необходимо уделить максимум внимания углу между гранями лезвия.
Во время заточки обязательно следует восстановить изначально заданный угол, чтобы он отвечал технологическим нормам, позволял нарезать продукты быстро, эффективно, свободно. - Необходимо подобрать оптимальный угол для каждого лезвия. Так, например, скальпель или бритва должны иметь угол в 10-15 градусов, приспособления для нарезки фруктов, хлеба и овощей — 15-20 градусов. Ножи для работы с твердыми материалами нужно точить под углом 30-40 градусов.
- Без специального устройства наточить лезвие достаточно сложно. Удерживая нож только руками, обеспечить нужный угол наклона трудно. Так вот именно для облегчения данного процесса существуют точилки.
На самом деле, ножеточка своими руками изготавливается проще простого, ведь все подобные приспособления имеют простую конструкцию и много времени на их создание у вас не уйдет.
Разновидности и изготовление камней для заточки
В продаже имеется большое количество камней, предназначенных для точения ножей, но наиболее популярными из них являются следующие типы:
- Водные инструменты.
Работа с ними обязательно предусматривает использование воды, за счет чего экономится поверхность камней. - Масляный камень. Он по форме и структуре очень напоминает водный, единственное отличие, что его поверхность немного маслянистая.
- Природные камни. Производят их из натуральных материалов, предварительно проходящих промышленную обработку.
- Искусственные инструменты. Изготавливают их из компонентов не натурального типа.
- Резиновые устройства. Они не менее часто встречаются в продаже, но работать с ними крайне неудобно.
Перед тем, как сделать ножеточку в виде абразивного бруска, необходимо приобрести несколько стеклянных пластин толщиной 4-5 мм прямоугольной формы.
Затем выполните изготовление точилки по схеме:
- При помощи двухстороннего скотча наклейте на поверхность пластин наждачную бумагу разного уровня зернистости.
- Аккуратно затяните гайки, чтобы стекло не треснуло.
Важно! В процессе эксплуатации такого устройства вода не используется, именно поэтому абразив достаточно быстро изнашивается.
При заточке ножей с помощью абразивного бруска следует избегать слишком резких движений, иначе — он сильно перегреется и лезвие утратит свои полезные свойства.
Изделия для заточки ножей из деревянных брусков
Сделать точилку из двух абразивных и двух деревянных брусков достаточно просто, главное — чтобы исходные материалы имели одинаковый размер.
Потребуется выполнить такие действия:
- Тщательно отшлифуйте деревянные бруски наждачной бумагой, уберите все заусенцы.
- Предварительно разметьте бруски, учитывая необходимый угол наклона.
- Приложите к полученной линии камень, с обеих сторон деревянного бруска отметьте его ширину.
- Произведите пропилы по разметкам на деревянной заготовке.
Важно! Следите, чтобы их глубина не превышала 1,5 см.
- Вставьте абразивные бруски в полученные углубления таким образом, чтобы они совпали с пазами.
- Закрепите болтами точильные камни, снизу прикрепите кусочек резины.

Ножеточка из монтажных уголков своими руками
Воспользуйтесь данным мастер-классом, чтобы у вас получилась качественная ножеточка своими руками. Чертежи можете взять в интернете.
Инструменты и материалы, необходимые для работы:
- Металлические пластины 4 на 11 см.
- Алюминиевые уголки стандартного размера.
- Металлические стержни длиной 15 см.
- Точильный станок с тисками.
- Надфиль.
- Набор болтов и гаек.
- Напильник.
Сделайте точилку по данной инструкции:
- Сделайте разметку согласно чертежу под отверстия в пластинах.
- Просверлите отверстия, нарежьте резьбу.
- Острые края и углы закруглите напильником.
- В соответствии со схемой сделайте отверстия в уголке.
- Расширьте надфилем опоры спицы.
- Нарежьте резьбу в отверстиях для шпилек.
- Вставьте стержни в крайние отверстия, гайками их зафиксируйте.
- Вкрутите болт в наиболее широкое отверстие с предварительно накрученной на него гайкой.

- В остальные отверстия вставьте болты для зажима ножа.
- Накрутите на концы стержней гайки, сверху уложите уголок для фиксации гаек.
- Соберите из тонкого металлического стержня, гайки-барашка и двух держателей соберите устройство для удержания камня для заточки.
Важно! Такая точилка может иметь широчайший диапазон градусов угла прижима, она невероятно удобна в плане эксплуатации.
Изготовление электрической точилки для ножей в домашних условиях
Ножеточка электрическая своими руками изготавливается немного сложнее, ведь само по себе устройство имеет непростую конструкцию.
Подготовьте такие материалы и устройства:
- Пылесос.
- План-шайбу.
- Электрический двигатель.
- Станину.
- Ограждение.
Выполните работу, четко следуя схеме.
Появление заточных станков Edge Pro без преувеличения совершило революцию. Цены действительно высокие, но ведь никто не мешает скопировать принцип и самому создать подобное устройство.
Мы предлагаем конструкцию простого станка для заточки ножей, стамесок и любых других лезвий, который вы сможете сделать своими руками.
Основание станка
Большинство деталей для заточного станочка можно изготовить буквально из чего угодно, следуя общему принципу устройства. Как пример возьмём ламинированную или полированную ящичную фанеру толщиной 8-12 мм, которая повсеместно применялась при изготовлении корпусов советской радиотехники.
Основание должно быть тяжёлым — около 3,5-5 кг — иначе станок будет неустойчивым и непригодным для заточки тяжелого рубящего инструмента . Поэтому приветствуется включение в конструкцию стальных элементов, например, основание корпуса можно «подковать» уголком 20х20 мм.
Из фанеры нужно выпилить лобзиком две детали в форме прямоугольной трапеции с основаниями 170 и 60 мм и высотой 230 мм. При резе оставляйте припуск 0,5-0,7 мм на обработку торцов: они должны быть прямыми и точно соответствовать разметке.
Третья деталь — наклонная плоскость из фанерной дощечки размерами 230х150 мм.
Она устанавливается между наклонными сторонами боковых стенок, при этом трапеции боковинок опираются на прямоугольную боковую сторону.
Другими словами, основание станка — это своего рода клин, но наклонная плоскость должна выступать в передней части на 40 мм. По торцам боковых стенок отложите рейсмусом две линии с отступом вполовину толщины фанеры. Просверлите в каждой дощечке по три отверстия для скрепления деталей шурупами. Перенесите сверловку на торцы наклонной части, временно соедините детали основания.
В задней части боковые стенки соединяются бруском 60х60 мм, который крепится в торец двумя шурупами с каждой стороны. В бруске нужно изготовить 10 мм вертикальное отверстие с отступом в 50 мм от центра, то есть 25 мм от края. Чтобы быть уверенным в вертикальности, лучше сперва сверлить тонким сверлом с обеих сторон, а затем расширять. Сверху и снизу вкрутите в отверстие две футорки с внутренней резьбой М10, а в них — 10 мм шпильку длиной 250 мм. Здесь может потребоваться немного подрегулировать нижнюю футорку, если её резьба не совпадает со шпилькой.
Устройство подручника
Снимите с основания плоскую наклонную часть — её нужно доработать, снабдив устройством фиксации и прижима обрабатываемого инструмента.
Сперва отложите от переднего края 40 мм и по этой линии припасовочной ножовкой запилите паз глубиной около 2 мм. Секционным или сапожным ножом с торца дощечки сколите два верхних слоя шпона, чтобы образовалась выборка, в которую можно вложить 2 мм стальную пластину заподлицо с общей плоскостью.
Подручник состоит из двух стальных планок 170х60 мм и 150х40 мм. Их нужно сложить вместе по длинному торцу с равномерными отступами по краям и изготовить три сквозных отверстия на 6 мм. Планки по этим отверстиям нужно стянуть болтами, располагая шляпки со стороны верхней, более крупной пластины. Дуговой сваркой пропеките каждую шляпку, сваривая её с пластиной, затем снимите наплывы металла и зашлифуйте пластину до получения идеально ровной плоскости.
Приложите более узкую ответную планку к выборке на краю и перенесите отверстия сверлом, затем закрепите подручник болтами.
Перед установкой его также можно намагнитить постоянным током, это поможет в заточке мелких лезвий.
Механизм фиксации
Вторая часть подручника — прижимная планка. Она также изготавливается из двух деталей:
- Верхняя Г-образная планка 150х180 мм с шириной полок около 45-50 мм.
- Нижняя ответная планка прямоугольной формы 50х100 мм.
Детали нужно сложить наподобие того, как складывались части подручника, располагая ответную планку у дальнего края верхней прижимной. По центру проделываем два отверстия с отступом в 25 мм от краёв маленькой детали, через них стягиваем детали двумя 8 мм болтами. Заводить их нужно в противоположных направлениях, при этом шляпка верхнего (ближнего) болта располагается со стороны прижимной планки. Шляпки болтов также привариваются к пластинам и предварительно шлифуются до получения аккуратных скруглений.
На наклонной дощечке с отступом в 40 мм от края проведите рейсмусом линию, и изготовьте по одному 8 мм отверстию в 25 мм от верхнего и нижнего краев.
Соедините разметкой края отверстий и лобзиком сделайте пропил с припуском. Полученный паз доведите напильником до ширины 8,2-8,5 мм.
Скрепите прижимную и ответную планку через паз в дощечке. Выступающий сверху болт затяните гайкой так, чтобы планка сохраняла минимальную подвижность, затем законтрите соединение второй гайкой. Для прижима или отпуска планки снизу (в нише основания) накрутите на второй болт гайку-барашек.
Регулировка угла заточки
На шпильку, вкрученную в брусок основы, набросьте широкую шайбу и затяните гайку, чтобы стержень не проворачивался в футорках.
Регулировочную колодку нужно изготовить из небольшого бруска твёрдого материала размерами примерно 20х40х80 мм. Берите карболит, текстолит или древесину твёрдых пород.
В 15 мм от края колодка сверлится в 20 мм торец с двух сторон, отверстие расширяется до 9 мм, затем внутри нарезаем резьбу. С отступом в 50 мм от оси проделанного отверстия сверлится второе, но в плоской части детали, то есть перпендикулярно предыдущему.
Это отверстие должно иметь диаметр около 14 мм, кроме того, его нужно сильно развальцевать круглым рашпилем.
Колодка накручивается на шпильку, так есть возможность относительно точно регулировать высоту проушины без сложной системы винтовых фиксаторов как в оригинальном станке, что на практике реализовать чуть труднее. Чтобы колодка была неподвижной при работе, её с обеих сторон нужно контрить гайками-барашками М10.
Каретка и сменные бруски
Для точильной каретки понадобится соосно сварить 30 см отрезки шпильки М10 и гладкого ровного прутка толщиной 10 мм. Также необходимы два твёрдых брусочка размерами примерно 50х80 мм толщиной до 20 мм. В каждом бруске по центру и с отступом в 20 мм от верхнего края следует проделать 10 мм отверстие.
На штангу сперва накручивается гайка-барашек, затем широкая шайба и два бруска, снова шайба и гайка. Между брусочками можно зажать прямоугольные точильные камни, но лучше изготовить несколько сменных точильных брусков.![]()
В качестве основы для них берите лёгкий алюминиевый профиль с плоской частью шириной 40-50 мм. Это может быть профильная прямоугольная труба или отрезки старого карнизного профиля.
Плоскую часть шкурим и обезжириваем, «Моментом» наклеиваем на неё полоски наждачной бумаги разной зернистости от 400 до 1200 грит. Выбирайте наждачку на тканевой основе, а на один из брусков приклейте полосу замшевой кожи для правки лезвий абразивной пастой.
Как правильно точить
Для правильной заточки изготовьте из фанеры несколько шаблонов с углами 14-20º для режущих и 30-37º для рубящих кромок, точный угол зависит от марки стали. Зафиксируйте лезвие параллельно кромке подручника и прижмите его планкой. По шаблону отрегулируйте угол между плоскостями точильной колодки и наклонной дощечки стола.
Начинайте заточку крупным (Р400) бруском, если кромка не имеет правильного угла. Добивайтесь, чтобы полоса спуска приняла форму прямой полосы без извилин и волн. Снижайте зернистость и пройдите по обеим сторонам лезвия сперва бруском Р800, а затем Р1000 или Р1200.
При заточке лезвия проводите бруском с небольшим усилием в обоих направлениях.
После заточки лезвие нужно поправить «кожаным» бруском, на который нанесено небольшое количество пасты ГОИ. При правке лезвий рабочее движение направляется только в сторону кромки (на себя), но не против неё. И, напоследок, небольшой совет: если затачиваете ножи с полированными лезвиями и гравировкой, оклеивайте их малярным скотчем, чтобы осыпающийся абразив не оставлял царапин. Также не помешает оклеить поверхность подручника виниловой самоклейкой.
Правильно наточить нож вручную довольно сложно. Придется некоторое время нарабатывать привычку удерживать постоянный угол заточки, что совсем нелегко. Облегчить задачу может приспособление для заточки ножей. Есть фабричные варианты. Но за хорошие экземпляры надо отвалить пару сотен долларов, а это явно немало. Хорошая новость в том, что приспособления эти несложно изготовить своими руками. Причем многие самодельные точилки для ножей не хуже по функционалу, чем от именитых производителей, зато обходятся во много раз дешевле.
Основы заточки ножей
Ножи имеют разное применение и даже не обычной кухне их несколько. Есть для нарезки хлеба, других мягких продуктов, есть для разделки мяса, рубки костей, других твердых предметов. И это только бытовые. А ведь есть еще те, которые берут на охоту и рыбалку. Если вы присмотритесь, то увидите, что все они имеют разный угол заточки (это если их дома уже не точили). Именно угол заточки и есть самая важная характеристика, которая определяется назначением данного лезвия.
Под каким углом
Угол заточки определяется исходя из основной области применения конкретного клинка:
Это общие рекомендации, введенные на основе многолетнего опыта. Есть, правда, варианты: некоторые клинки имеют несколько зон с разной заточкой. Это желает их более универсальными, но сложность заточки возрастает многократно.
Из сказанного следует, что приспособление для заточки ножей должно иметь возможность выставления требуемого угла заточки. И это — основная сложность при его проектировании и изготовлении.
Чем точить
Для заточки ножей используют точильные камни различной зернистости. Их условно делят на грубые, средние и мелкие. Почему условно? Потому что в разных странах принято свое обозначение зернистости. Наиболее удобная классификация — по количеству зерен на единицу площади. Выражается она в цифрах: 300, 600, 1000 и т.д. Некоторые фирмы дублируют еще английскими терминами. Вот примерное деление:
Кроме зернистости различают точильные бруски еще по происхождению: есть они натурального происхождения (сланцы, корундовые и т.д.), есть керамические и алмазные. Какие лучше? Сказать сложно — дело вкуса, но натуральные быстрее стачиваются и редко бывают мелкозернистыми.
Натуральные вымачивают в воде перед применением или просто смачивают ею. Они воду впитывают и, при заточке, из воды и отделившихся частиц абразива на поверхности образуется абразивная паста, которая повышает эффективность заточки. Для тех же целей использовать можно специальное мало (honing oil) или смесь воды и мыла (кому что больше нравится).
Вообще, с каждым из точильных камней надо пробовать все эти варианты и выбирать лучший.
Форма точильного камня для заточки ножей — брусок, причем желательно чтобы он его длина была намного больше длины лезвия — точить проще. Удобны бруски с двойным зерном — с одной стороны более крупный, с другой — более мелкий. Для заточки ножей обычного назначения достаточно иметь два бруска со средним зерном (разным) и два мелких (один можно очень мелкий).
Порядок ручной заточки
Приспособление для заточки ножей лишь облегчает процесс наведения кромки, потому знание приемов ручной заточки обязательно. Без них правильно заточить нож невозможно.
Порядок заточки ножей такой:
На этом можно считать, что заточка ножа закончена. Некоторые еще доводят кромку на старом ремне. Кусок ремня можно закрепить на деревянном бруске (приклеить, не прибить), натереть пастой гои. Дальше несколько раз провести поочередно то одной, то другой стороной, но развернув режущей кромкой назад.
Так заполировываются последние бороздки, оставленные абразивом и не «нарезается» при этом ремень.
Как сделать самодельное приспособление для заточки ножей
Все самодельные точилки для ножей решают главную задачу- они позволяют точно выдерживать заданный угол наклона бруска к лезвию, что очень важно для получения хорошей режущей кромки. Есть очень простые приспособления, есть немного сложнее, но позволяющие работать с большим комфортом. Выбирайте на свой вкус.
Одни из вариантов — из подручных средств
Простое устройство для заточки ножей
По сути это держатель для точильных брусков. Все элементарно: два треугольника из древесины, которые соединяются шпильками с «барашками». Между углами зажимается брусок под требуемым углом. Выставлять угол можно пользуясь транспортиром, специальной программой на смартфоне или пользуясь правилами тригонометрии (прямоугольный треугольник).
Устройство для заточки ножей — держатель абразива
При заточке на таком приспособлении нож надо держать все время направленным строго вертикально.
Это намного проще, чем удерживать его под определенным углом.
Та же идея имеет другое воплощение: на надежном основании сделать подвижные держатели, в которые вставляются и закрепляются в нужном положении бруски. Фирменный прототип на фото ниже.
Самодельная приспособа для заточки ножей сделана из деревянных брусков. Получается она легкой, чтобы не двигалась с места, ее надо чем-то зафиксировать. Чтобы не держать рукой, можно использовать струбцины.
Поворотные держатели позволяют выставить заданный угол, а потом зафиксировать его с помощью «барашков»
Подобное приспособление для заточки ножей, конечно, облегчает работу, но все еще довольно тяжело выдерживать угол: надо все время контролировать вертикальность лезвия. Подобная привычка со временем вырабатывается, но начинать сложно.
Приспособа на колесиках
Интересный вариант ручной точилки для ножей с неподвижным бруском и тележкой на колесиках, на которой закрепляется нож. Он сделан на основе точилок для ножей стамесок и рубанков.
С ножом такое приспособление работает тоже неплохо, но к заточке скругленного края надо приспособится.
В данном варианте, как в ручной заточке, брусок неподвижный, а движется лезвие ножа, закрепленного на подвижной тележке. Угол задается высотой расположения бруска относительно площадки, на которой крепится лезвие. Особенность данного устройства — нужно чтобы стол был ровным. Это может быть столешница из натурального камня, можно на обычный стол положить стекло.
В представленном выше варианте угол меняется незначительно, чего обычно достаточно для заточки однотипных ножей -кухонных, например. При необходимости конструкцию можно усовершенствовать, добавив держатели (на фото ниже).
Все это реализуется очень просто, так как напоминает обычный конструктор: планки, в них отверстия, собирается все на болтах и винтах.
Чтобы обеспечить неподвижность бруска тоже есть приспособление.
Плюс всей этой конструкции, что легко нож разворачивать сохраняя перпендикулярность на скругленном участке, а также очень просто обрабатывать с другой стороны: надо перевернуть тележку.
Для этого и сделаны четыре пары колес.
Самодельный ручной станок для заточки ножей
Чуть более сложные и гораздо более удобные самодельные устройства, которые сделаны на основе известных фирменных приспособлений. В них есть регулируемая площадка, на которой закрепляется нож. Площадка выставляется под заданным углом. Брусок крепится на подвижной штанге, прикрепленной к стойке.
Сделанные своими руками устройства в чем-то повторяют представленную выше конструкцию, но есть некоторые отличия. Есть много вариантов. Приведем некоторые.
Вариант первый: неподвижная площадка, на которой закрепляется лезвие
Это приспособление сделано из остатков ламината (можно использовать ), двух стальных прутов диаметром 8 мм и подвижного крепления.
В данной конструкции есть неподвижная основа, которой на обычных петлях приделана площадка с фиксатором для ножа. Ближний край площадки можно приподнимать под каким-то углом, удобным для работы. Но в остальном она неподвижна.
На вертикально установленном стальном пруте имеется подвижно установленный фиксатор, в котором сбоку приделана петля. В нее вставляется прут, на котором закрепляется брусок. Эта петля — простое, но не самое лучшее решение: нет жесткой фиксации, а значит угол будет «гулять».
Особое внимание стоит уделить фиксатору бруска. На пруте на некотором расстоянии от края (около 30-35 см) делают упор. Это будет неподвижный фиксатор. Второй делают подвижным, он фиксируется после установки бруска при помощи винта и нарезанной в корпусе держателя резьбы. Второй вариант — нарезать на стержне резьбу и поджимать установленный брусок при помощи гайки.
Держатель ножа — одна или две пластины из стали, закрепленные на подвижной площадке. Они закреплены подвижно — при помощи винтов и «барашков». Ослабив крепеж вставляют лезвие ножа, зажимают его. Сдвинуть его очень непросто. Затем, установив в петлю шпильку с закрепленным бруском, регулируют его высоту так, чтобы был выставлен требуемый угол.
Можно, как на фото, сделать шаблоны с нужными углами и добиваться совпадения плоскостей. После поперечная планка закрепляется, можно работать — проводить бруском в нужном направлении.
Данное приспособление для заточки ножей неплохо работает, вот только двигать абразив вдоль лезвия можно лишь при заточке кухонного ножа. Классическая заточка — движение перпендикулярно режущей кромке. На прямой части лезвия этого можно добиться. Если лезвие короткое, это будет почти перпендикулярно, но на скругленной части на неподвижном держателе такого не сделать. И этим недостатком «страдают» все подобные приспособления. Еще раз: они — отличный вариант для заточки кухонных ножей (ниже еще один неплохой вариант из той же серии).
Вариант второй: с подвижной площадкой и магнитным держателем
В этом варианте самодельного приспособления для заточки ножей проблема предыдущих заточек решена. Тут неподвижной остается рама, которая задает угол движения бруска. Держатель бруска движется свободно по направляющей, выставленной под нужным углом.
Нож крепится на подвижном столике. Можно, как в представленном варианте, сделать магнитный держатель, можно — обычный из пластины металла и «барашков». Столик двигаете так, чтобы движение абразива было перпендикулярно. Собственно, все есть в видео.
Одно уточнение: в данном случает очень важно, чтобы поверхность, по которой движется столик с закрепленным ножом, была горизонтальная и ровная. Можно подложить стекло или использовать полимерную столешницу (мраморная тоже пойдет).
Если вы считали, что существуют самозатачивающиеся ножи – это миф, придуманный маркетологами, чтобы продавать свою продукцию. Любой нож рано или поздно будет затупляться. А значит, вам придется искать решения для исправления этой ситуации. Сегодня редакция сайт расскажет какие способы и инструменты для этого нужно использовать и вообще, что делать когда у вас затупился нож.
Читайте в статье:
Виды устройств для заточки ножей
С самых первых дней современной цивилизации существует камень.
И почти столько же металл. Именно поэтому точильный камень стал одним из первых устройств, которое пришло на выручку человеку разумному. Простой, а главное доступный инструмент успешно справляется со своей задачей многие тысячелетия.
Впрочем, в современном мире точильным камнем можно наточить разве что простой охотничий нож. В остальных случаях качество будет оставлять желать лучшего. Кроме того, камнем точатся только мягкие металлы, и если режущая часть лезвия имеет твёрдость выше 55 HRC, то подручными средствами её не наточишь.
Рассмотрим виды устройств для заточки ножей. Если говорить о том, какой абразивный материал используется, то инструменты могут быть выполнены в виде брусков или точильных камней. По типу привода: ручные или электроприводные. Обычно на домашних кухнях можно встретить простой механический станок.
И именно этот угол заточки необходимо выдерживать. Однако, не все бытовые инструменты способны наточить нож правильно. И именно поэтому в этой статье редакция сайт расскажет какие варианты можно использовать для того, чтобы наточить нож под определённые цели.
Важно!
Каждый тип лезвия имеет свой угол кромки, и во время заточки его необходимо удерживать по всей длине обрабатываемой поверхности изделия.
Мастера-точильщики даже проводят специальные мастер-классы по заточке ножей с помощью природного камня. Породы настоящих натуральных точильных камней не купишь в обычном магазине. Интересно, что перед процессом обработки его замачивают в воде, иногда с мыльным раствором, а после работы высушивают.
Бруски для заточки ножей
Бруски для заточки ножей – одни из самых доступных устройств для любой хозяйки. Обычно они представляют собой специальные прямоугольные бруски со специальных абразивным покрытием. Такие бруски пригодятся для заточки столярных инструментов в гараже, а также домашней утвари.
Точильные бруски в зависимости от материала могут быть как природного происхождения, так и синтетические. От этого зависит их износостойкость и тип зернистости. А значит и качество заточки. Рассмотрим основные виды материалов, которые используются при изготовлении точильных брусков:
- природные камни
, типа новакулита или японского водного камня.
Работать с таким инструментом не очень просто. Они требуют определённых навыков и мастерства; - бруски с алмазным напылением
. Синтетические, обладают высокой степенью износостойкости. Отличаются доступной ценой; - из керамики
. Относятся к более современному виду брусков для заточки. Сочетают крепость алмазного покрытия с твёрдостью природного камня; - искусственные: электрокорунд или карбид
. Быстро стачивающийся абразив, отличается низким качеством и такой же ценой.
С другой стороны, искусственные абразивы стоят намного дешевле природных аналогов. Они создаются путём смешивания алмазных порошков разных фракций, а также электрокорунда и карбида.
Важно!
Огромное значение при этом имеет материал, использующийся для склеивания породы, а также процентное соотношение всех элементов. Чем крепче и качественнее состав (это касается и самих частичек), тем более стойким будет точильный абразив.
Вариации связки могут быть мягкого типа и жёсткого типа.
В первом случае кристаллики наклеиваются строго на поверхность их основания, выполненного из сплава никеля. По сути, кристаллики расположены очень тонким слоем на бруске. Мягкая связка – это хаотичное расположение связующих и абразивных элементов. Второй тип менее износостойкий.
Точильные камни для ножей
Как мы уже замечали ранее, более эффективными средствами заточки ножей являются натуральные природные камни. Их эффективность доказана на всех этапах заточки. Искусственные аналоги, хотя и отличаются износостойкостью и доступной ценой, однако не смогут похвастаться идеальной остротой. Натуральные точильные камни требуют особого ухода, ведь важнейшее правило мастера – идеально ровная поверхность точильного камня.
Мнение эксперта
Консультант по подбору инструмента ООО «ВсеИнструменты.ру»
Спросить у специалиста
“Чтобы проверить степень выравненности камня, воспользуйтесь простым методом. Смочите брус и поместите его на бумажный лист на ровную поверхность.
Отпечаток позволит вам оценить степень ровности камня”.
Новакулиты, или «арканзасские», «турецкие», «бельгийские» камни – природные сланцы и халцедоны с вкраплением мельчайших частиц граната и кварца. Сегодня используются как природные камни, так и их искусственные заменители.
Мусат для заточки ножей
Мусат со стороны чем-то напоминает напильник. Во всяком случае именно такое сравнение приходит на первый взгляд. Особенность работы этого инструмента состоит в том, что поверхность его намагничена, а значит, на вас не будет сыпаться металлическая мука.
Каждый тип мусата предназначен для заточки определенного вида инструмента, и отличается разной степенью универсальности. Так, например, круглый мусат весит немного, а вот овальный точит лучше, так как его грани обеспечивают более полный контакт с обрабатываемой поверхностью. Четырёхгранные – более универсальные, здесь можно более качественно доработать необходимый угол заточки.
Бытовые ручные станки для заточки ножей
Разнообразие вариантов точильных ножей позволяет выбрать тот инструмент, который необходим.
Это и привычные домашние мини-точилки, известные практически каждому, и более специфические приспособления с полировальным кругом. Как и более профессиональные, бытовые системы, заточки ножей могут использовать подвижный или неподвижный абразив. Угол заточки в этом случае зависит от положения режущего инструмента. Ручные инструменты подобного типа, несмотря на свою простоту и относительную дешевизну, трудоёмки в эксплуатации.
Бытовые электрические станки для заточки ножей
Электрические точильные машины более удобные. Работа с ними экономит время. Чаще всего такие приводные машинки имеют различные режимы работы, которые регулируются переключателями.
Внутри точилки расположен точильный диск с абразивным покрытием. При подаче электричества диск начинает вращение. Шлифовальные круги скрыты внутри защитного кожуха. Несмотря на наличие диска, такие станки достаточно компактны. А угол заточки регулируется специальной пружиной, что полностью исключает ошибки в заточке.
Профессиональные ручные точилки для заточки ножей
Профессиональный ручной инструмент немного напоминает столярные тиски. Предмет заточки, собственно, нож, зажимается специальными фиксаторами.
Далее мастер путём определённого движения начинает заточку, двигаясь по абразивной пластине Сам точильный станок устанавливается на упор. Здесь очень важно правильно закрепить станок и избежать соскальзывания прибора во время затачивания.
Такие ручные точильные аппараты позволяют использовать разные абразивы, есть возможность регулировки угла заточки в широком диапазоне.
Профессиональные электрические станки для заточки ножей
В профессиональном инструменте предусмотрено большое количество насадок и сменных дисков. Камень из электрокорунда и доводочный кожаный диск вращаются со скоростью 90 об/мин, причём, первый помещён в поддон с водой. Сочетание низких оборотов и постоянного охлаждения даёт качественную обработку изделий уже на этапе формирования режущего края.
Профессиональные станки отличаются своей универсальностью. Обычно это аппарат с массивным абразивным диском. Такие инструменты позволяют точить не только ножи, но и слесарный инструмент, к примеру, рубанки и стамески. А на финальных этапах работы обеспечивают лезвию бритвенную остроту.
Как правильно заточить нож
Однако, прежде, чем начинать процесс заточки лезвия, важно понимать технологию заточки. И азы.
Оптимальные углы заточки и степень остроты для кухонных ножей
Существует десятки типов разновидностей ножей для разных целей: это кухонные ножи, ножи для работы по металлу. В целом, острота клинка зависит от формы лезвия. А она, в свою очередь, должна соотноситься с определёнными чёткими соответствиями соотношений между клинком и лезвием. Рассмотрим правильные углы заточки разных инструментов.
К сведению!
Некоторые типы ножей могут быть такими острыми, что способны перерубать металл. Острейшими из них считаются клинки с углом заточки 50° – такие версии при определённой марке стали могут перерубать гвозди.
Как наточить нож в домашних условиях бруском
Процесс этот несложный, но довольно кропотливый. Без опыта заточки пробовать данный процесс бессмысленно. Обычно мастера используют два точильных бруска с разной абразивной плотностью – с крупным зерном и мелким.
Совет!
Лезвие ножа должно обязательно быть влажным. Можно использовать специальные масла или точильные смазки.
Следующий шаг – выбор угла заточки. Здесь мы ориентируемся на таблицу выше и берём диапазон от и до. Не забывайте, чем меньше угол заточки, тем быстрее нож затупится. Для новичка будет сложно выдержать одинаковый угол. Для того чтобы успешнее пройти этот этап, важно держать нож обеими руками.
Аккуратно положите лезвие на клинок, спустите его угол к точильной поверхности и начинайте работу. Начинаем работу на крупнозернистом бруске, а потом, когда наступает этап шлифования кромки, продолжаем мелким абразивом.
Как в домашних условиях заточить нож мусатом
Заточка проходит на весу.
Клинок проводят по всей длине инструмента, обычно хватает нескольких таких «проездок».
Процесс заточки мусатом достаточно прост. Инструмент располагают в одной руке, нож – в другой.
Как правильно точить нож на электрическом точильном станке
Процесс заточки практически не отличается от заточки ручным способом. С той лишь разницей, что в этом случае смачивается не клинок, а сам точильный диск. Чаще всего для охлаждения диска используется специальный лоток. А весь процесс идет автоматически.
Типичные ошибки при заточке ножей своими руками
Всем известно, что лучше предотвратить ошибки, чем их потом исправлять. Именно поэтому редакция сайт подготовила перечень самых часто встречающихся промахов новичков во время заточки ножей:
- Неправильно выдержанный уровень угла заточки.
- Переточка лезвия. Возникает при излишнем давлении на точило лезвием, из-за чего оно может повредиться или даже треснуть.
- Заточка неподготовленного инструмента или изношенный точильный диск.

- Использование мусата на всех этапах работ.
- Как мы помним, мусат используется для доводки режущей кромки. Использование абразива мелкой зернистости.
Все эти тонкости важно учитывать уже на этапе организации работ. О том, как правильно наточить нож бруском, смотрите в этом видео.
Изготовление своими руками станка для заточки ножей
Покупка готового станка для заточки ножей не всегда необходима. Для бытовых нужд можно сделать его своими руками. Неважно, механический или электрический станок вы будете создавать – ориентируйтесь, как уже говорилось ранее, на уже существующие схемы и чертежи.
Какие нужны инструменты для изготовления ножеточки своими руками
Для изготовления простейшего станка нам потребуются: обычный брусок ДСП, можно использовать элементы старой корпусной мебели. Подготовьте для работы: металлический стержень, небольшой кусок листовой стали толщиной 1 мм., несколько винтов для крепления конструкции, любой абразивный материал, электролобзик и шуруповёрт.
Пошаговая инструкция изготовления точильного станка своими руками
Рассмотрим сборку простейшей ножеточки своими руками из подручных материалов.
Итак, наш точильный станок готов к работе. Надеемся, что наше повествование будет для вас полезным. С помощью них вы сможете сделать простейшие точильные ножи.
Заточка ножей строгального станка в домашних условиях
Рекомендованные сообщения
Создайте аккаунт или войдите в него для комментирования
Вы должны быть пользователем, чтобы оставить комментарий
Создать аккаунт
Зарегистрируйтесь для получения аккаунта. Это просто!
Войти
Уже зарегистрированы? Войдите здесь.
Сейчас на странице 0 пользователей
Нет пользователей, просматривающих эту страницу.
Любому владельцу строгального оборудования приходилось сталкиваться с заточкой соответствующих ножей. Если в вашем распоряжении имеется специальный станок, то сделать это не составит никакого труда.
Еще одним вариантом станет обращение в специализированную мастерскую. Также заточить подобные инструменты для резки можно и самостоятельно.
Почему необходима своевременная и правильная заточка?
Строгальные ножи, как и другие режущие инструменты, требуют ухода по определенным причинам:
- тупым лезвием строгальных ножей древесина будет обрабатываться очень некачественно;
- при работе с мягкими сортами древесины на поверхности будет образовываться ворс и разнообразные неровности;
- стертая кромка будет крошиться;
- при выполнении строгания тупыми инструментами возникает перегрузка двигателя станка
Если вы даже решите выполнить заточку самостоятельно, используя алмазные бруски, то эффект от такой работы будет совсем незначительный. Вам придется перетачивать их в ближайшее время. По этим причинам люди, занимающиеся строганием профессионально, выбирают только автоматическую или механическую заточку.
Подготовка рабочего места и оборудования, установка винта, контролирующего угол
Для заточки ножей вам понадобится специальное точило, но необходимо использовать современные его вариации с низкой оборотной скоростью, которые обладают охлаждением водяного типа.
Более всего для этих целей подойдет Tormek T7 со специальным держателем Tormek SVH. Выполнить этот процесс качественно поможет ровный и чистый заточный камень. В дальнейшем, практический пример и будет рассматриваться на основе комплекта оборудования Tormek.
При заточке необходимо установить винт, которым вы сможете изменять угол заточки, но прежде нужно подготовить рабочее пространство, выполнив определенные условия:
- Устанавливаем заточный камень Tormek SG250, выравнивая его при помощи специального приспособления Tormek TT-50. Приспособление идет в комплекте с T7.
- Необходимо сгладить заточный камень, используя брусок для очистки и выравнивания.
- Убираем стандартный упор и ставим специализированный упор.
- Вкручиваем сам винт, которым в дальнейшем возможна регулировка угла наклона затачиваемого кресла.
- Устанавливаем специальный держатель для лезвия.
Рекомендуется затачивать режущие инструменты, чья ширина больше 12 миллиметров.
А длина ножа уже не имеет никакого значения. К тому же, вы сможете переставлять длинные ножи. Большое значение имеет правильная установка лезвия в держатель, потому что возможна заточка с большими перекосами. Правильно этот процесс выполняется следующим образом: устанавливаем спинку ножа до упора и зажимаем его специальными держателями.
Оценка и установка требуемого угла наклона
Проанализировав особенности оставляемых заточным камнем следов, возможно правильно выполнить оценку угла наклона, подобрав нужные пропорции. Затем на закрепленный упор устанавливается держатель с ножом. Регулировка осуществляется винтами упора, нужно опустить держатель до касания камнем. Винтами выставления угла выбираем требуемый его параметр в отношении камня. Выполняя вращение в ручном режиме, по рискам на окрашенном лезвии определяется необходимость регулировки угла наклона держателя. И если это потребуется, такую регулировку очень просто сделать.
Рабочий диапазон углов 30-45 градусов.
Точный его градус определяется по конкретному сорту дерева. В справочнике от 1985 года, написанном Карлом Фрониусом, говорится, что качество будет зависеть не только от угла, но и от вылета ножа и диаметра головы. Классическим параметром принято считать 40 градусов. Выбирая конкретное число, не стоит забывать, что фрезы спроектированы по стандартной затыловке. Если вы увеличите угол, то появляется риск трения затылка о заготовку. А если уменьшите, то режущая кромка станет слабее и тоньше.
Решение проблемы с выбором нужного угла
Решить проблему установки требуемого угла наклона можно двумя способами:
- Использование двухголовой затыловки по принципу двухслойных клинков. Главную затыловку делаем под углом 40 градусов, а саму вершину ножа – около 20 градусов. Тем самым вы значительно продлите срок службы, а также нож будет обладать хорошей устойчивостью к ударам.
- Проверить схему и режимы заточки.
Некоторые правила и особенности заточки
Установив угол наклона в нужную позицию, можно приступать к самому процессу заточки.
Вы можете зафиксировать снимаемое количество металла, для этих целей предназначены два бегунка со шкалой и делением 0,1 мм. Специалист, выполняющий заточку, сможет регулировать этот параметр достаточно точно. Не стоит забывать после каждой подачи выполнять надежную фиксацию специальными зажимами, препятствующими появлению колебаний во время заточки.
Сам процесс заточки осуществляется благодаря изменению положения держателя в отношении заточного камня. Важно следить за тем, чтобы нож не попадал за крайнюю точку камня. Желательно останавливать держатель за 10 мм от края. В качестве тормозного элемента предусмотрены отдельные упоры, перемещением которых выставляется нужный ход. Тут решающим фактором станет опыт человека, который выполняет заточку строгальных ножей. Во время самого процесса образуется вода, которая накапливается и собирается на лезвие. Затем она стекает на сам корпус и на пол. Воды тратится очень много, поэтому не забывайте ее постоянно подливать в специальный отдел.
А сам разлив можно уменьшить, подложив под ножку какую-либо подкладку, высотой 6 мм.
Еще одной неприятностью во время заточки станет постоянное засаливание точильного камня, что сказывается на продолжительности данной работы. Лучше всего периодически чистить его предусмотренным для этого бруском SP-650. При работе с мягким металлом, заточка пройдет гораздо быстрее и камень придется чистить реже, потому что такой материал снимается достаточно массивными участками.
После получасовой работы получается ровная фаска со стабильным заусенцем. Останется выполнить доводку, используя кожаный круг и пасту для полировки. В первую очередь потребуется довести до завершения плоскость ножа, а уже потом саму фаску.
Особенности работы с ручным станком
Станки ручного типа применяются лишь в тех случаях, когда нужно заточить не слишком большое количество ножей. В противном случае пришлось бы потратить очень много времени. Но если вам нужно наточить несколько ножей, то этот способ станет достаточно приемлемым, но необходимо придерживаться следующих правил:
- нужно проверить поверхность камня, потому что использование подобных станков возможно только на чистых точильных инструментах;
- старайтесь сделать так, чтобы каретка с закрепленным ножом подводилась достаточно гладко, без каких-либо резких толчков;
- скорость движения каретки не должна превышать 6м/мин, большая скорость может повредить лезвие;
- во время одного прохода каретка должна продвигаться на расстояние, которое больше длины ножа на 15 см.

Особенности работы с автоматическим станком
- мокрый способ более подходит для заточки строгальных ножей, потому что осуществляется постоянное охлаждение лезвия;
- на этапе подготовки уже нужно выставить все параметры, включая угол наклона и расстояние передвижения каретки;
- важнейшим фактором является установка ножей на каретке;
- процесс должен осуществляться достаточно плавно, без резких подергиваний
Точильный станок собственными руками
При желании, возможно собрать точильный станок самостоятельно. Вам понадобятся следующие предметы: стол, планшайба, пылесос, двигатель и кожух для станка. Планшайба станет основным и самым дорогим компонентом. Желательно выбрать американских или немецких производителей. Затем подбирается двигатель, мощность которого – 1,5 кВт, подойдут даже поддержанные варианты. Например, можно приобрести двигатели от стиральных машин.
Мотор нужно установить под столешницей, а планшайбу закрепить к движущемуся элементу.
Не забудьте продумать кнопки включения и выключения. На планшайбу нужно поставить кожух, срезав одну сторону, с которой и будет выполняться заточка. Также в нижней части столешницы потребуется сделать вырез под пылесос. Данный станок также подойдет для работы с другими режущими поверхностями.
Заточка ножей в специализированных мастерских
Если вам не по силам организовать правильную заточку строгальных ножей или становится сложно установить нужный уровень наклона, то обращение в мастерскую станет отличным решением проблемы. Такой способ имеет следующий преимущества.
- Используется дорогое и высококачественное оборудование. Прямолинейность режущей кромки будет выполнена гораздо лучше, чем при самостоятельной обработке.
- Применяются современные системы охлаждения, которые не позволят перегреться и разрушиться режущей поверхности.
- Применяются дополнительные материалы и специальные технологии по доводке ножа, что отражается на функциональных возможностях сроках службы таких ножей.

- В условиях мастерской возможно получить максимально ровную кромку благодаря отсутствию перегревов и различий по весу. На практике, должен получиться идеальный инструмент.
Если у Вас имеется строгальный станок, то не минуемо наступит тот день, когда понадобится точить ножи. Сейчас выпускаются станки и с применением сменных ножей, но всё же основная часть строгальных станков, оснащена ножами, которые требуют заточки.
Как правило, выработанные ножи, по середине, имеют большую выработку и не ровную поверхность. Всё это исправляется заточкой ножей. Если Вы живёте в больших населённых пунктах, то наверняка найдёте заточную мастерскую, где скажем прямо за не очень маленькую оплату – ножи заточат.
Другое дело если Вы живёте вдали от таких центров, да и не всегда есть возможность заточить в мастерской ножи. Вот и приходится изобретать специальные устройства для заточки ножей. Безусловно, если у вас имеется наждак, то такая процедура, будет проходить легче, чем точение ножей вручную на плите, с наждачной бумагой.
Кроме того наждак облегчаете эту работу, дело за малым, изготовить такое приспособление, в котором наждак равномерно будет производить заточку лезвия по всей длине ножа.
Здесь конструкторские предложения различные. При этом применяются и различные камни – круги, как обычные, так и торцевые. При разработке важно создать платформу, по которой нож будет точиться о крутящийся камень на одном уровне и с одним углом заточки. При разработке такого устройства, подвижным может быть или приспособление с закреплённым ножом или сам наждак.
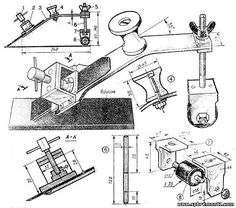
В основном для крепления ножей применяется равно полый или разнополый, в зависимости от требуемого угла заточки (36-42 градуса) металлический уголок. На нём делаются крепления ножа. На примере одного изобретения, Анатолия Козубског рассмотрим один из таких вариантов заточки ножей для строгального станка. К разнополому уголку 45 и 30 мм, необходимой длины, прикрепляется винтами пластина, со стороны 30 мм, таким образом, чтобы она выступала над плоской поверхностью 45 мм полки уголка, на один миллиметр.
Это нужно для надёжного закрепления, ножей.
На краю полки 45 мм уголка, просверливаем три отверстия и нарезаем резьбу на 6 мм. После чего делаем три держателя, которые состоят из уголков длинной 20 мм и полками 7 и 20 мм, в которых по центру 20 мм полки просверлено отверстие 6,5 мм. Расстояние должно быть рассчитано на определённую длину ножей.
Два ножа, слаживаем вместе, скрепляя их по краям скотчем, а для того чтобы не было, заусенцев, со стороны острия крайнего ножа дополнительную пластину. Ножи крепим на уголке, при помощи винтов. Для ровной установки проверяем расстояние торчащих ножей, от уголка с двух сторон, делая расстояние одинаковое.
Снимаем с наждака кожухи безопасности и делаем снизу платформу. Это может быть деревянный брусок необходимой высоты. На одной стороне бруска прикручиваем упорную планку, чтобы об её упирался уголок с ножами.Такую платформу лучше расположить под углом в 15 градусов, по отношению к вращающемуся кругу наждака, тогда круг будет точить всей плоскостью камня.
При проведении заточки, под платформу подкладываются подкладки, необходимой толщины для стачивания плоскости ножей.
Такое не хитрое приспособление, как мы видим, можно изготовить и самому, но польза от этого будет большая, а главное Вы сэкономите время.
Deulen Мини-станок для заточки фуганка / строгального станка
Заточите свои собственные строгальные и фуговальные лезвия.
Экономьте время и деньги
Вы выбрасывали идеально хорошие ножи для фуговального или строгального станка только потому, что они затупились? Вы устали от времени и средств, которые тратятся на то, чтобы отправить их на профессиональную заточку? Если да, то приспособление для заточки фуговально-строгального станка Deulen — это именно то, что вы искали. Этот инструмент позволяет легко затачивать строгальные и фуганочные ножи в домашних условиях.
Лезвия длиной до 4 дюймов
Мини-станок для заточки фуганка / строгального станка Deulen подходит для лезвий длиной до 4 дюймов, что идеально подходит для многих ручных строгальных станков. Он одинаково хорошо затачивает односторонние или двусторонние лезвия. У вас есть ножи длиннее 4 дюймов? Затем обратитесь к шаблону для заточки строгального / фуговального станка Deulen 6 « для длинных лезвий от 4 до 8 дюймов или к шаблону для заточки строгального / фуговального станка Deulen 12″ для лезвий длиной от 8 до 15 дюймов.
Простота использования
Шаблоны для заточки строгальных / фуговальных станков Deulen просты в использовании.Просто вставьте ножи в приспособление скосом вверх. Затем затяните установочные винты, и все готово. С помощью шлифовальной пластины Deulen 6 Grit Lapping Plate наденьте концы ножей на наждачную бумагу. Если ваши ножи в довольно хорошем состоянии, начните с зернистости 220.
Если на ваших ножах есть зазубрины или они очень затупились, начните с зернистости 120. Двигайте одной зернистостью, пока не удалите металл от края до края. Обычно достаточно 10 ударов. Затем переходите к следующей зернистости, пока не закончите с зернистостью 400.
После завершения фаски на всем протяжении абразивной бумаги 400 выньте ножи из приспособления и поместите их по одному на спину на бумаге с зернистостью 400. Скосы должны быть обращены вверх. Аккуратно прижимая нож к бумаге, сдвиньте его вперед и назад примерно 10 раз, чтобы удалить заусенцы, оставшиеся от заточки скоса. Затем положите их обратно в машину!
Наборы из 2 или 3 ножей
Если у вашего строгального станка или фуговального станка только два ножа, описанный выше процесс очень прост.Однако многие фуговальные и строгальные станки имеют по три ножа. Приспособления Deulen Jigs тоже подходят для этого. Обозначьте свои ножи A, B и C. Начните с ножей A и B в приспособлении. После 10 проходов по первой зернистости притирочной пластины просто выньте нож A и вставьте нож C.
Затем выполните еще 10 проходов. Затем выньте нож B, снова вставьте нож A и сделайте еще 10 проходов. Теперь вы дадите каждому ножу равное количество проходов первой зернистости. Повторите процесс для каждой из следующих крупинок до 400, и все готово.
В. Заточят ли приспособления для заточки строгальных / фуговальных станков Deulen какие-либо фуговальные или строгальные ножи?
A. В Deulen Jigs можно устанавливать любые строгальные или фуганочные ножи, которые можно регулировать по высоте в их станках. Ножи, которые фиксируются на штифтах и не регулируются по высоте, не подлежат переточке и являются действительно одноразовыми.
Увеличьте клиентскую базу за счет заточки строгальных лезвий
Заточка строгальных лезвий может принести дополнительный доход в ваш бизнес по заточке.В среднем по отрасли в 0,95 доллара за дюйм для стальных ножей и 1,60 доллара за твердосплавные ножи Thorvie предлагает несколько способов максимизировать вашу прибыль. В 1980 году Торви представил новый станок для заточки стальных и карбидных пил AV-40.
Добавив легко присоединяемые приспособления для инструментов, стало возможным предложить более полную услугу по заточке инструментов по более низкой цене с преимуществом меньшего необходимого места в магазине. Сегодня Thorvie предлагает более 20 различных приспособлений для заточного станка AV-40.
Приспособление для заточки строгальных ножей позволяет затачивать фуговальные, строгальные и рубильные ножи длиной до 20 дюймов за небольшую часть стоимости промышленного станка для заточки ножей. Благодаря быстрой и удобной настройке, это приспособление может шлифовать плоские твердосплавные ножи или полые стальные ножи.
Thorvie также предлагает автоматический фуганок AV-54 и шлифовальный станок с рубильными ножами. AV-54 дает вам возможность одновременно затачивать другие инструменты. Кроме того, шлифовальные станки Thorvie подходят для плоского или полого шлифования, они производятся с допуском по плоскостности.0005 ″ на дюйм.
Посмотрите наше видео о заточке лезвий строгального станка на https://www.
youtube.com/watch?v=0WtNoklx75Q. Для получения дополнительной информации о продуктах для заточки Thorvie свяжитесь с нами по телефону 866-497-0572, электронной почте: [email protected] или посетите сайт www.thorvie.com.
Посетите Thorvie International на фестивале Sharp Fest 19–21 апреля 2017 г.
Мы приглашаем вас познакомиться с командой Thorvie International и осмотреть одни из лучших станков для заточки пил и инструментов, доступных сегодня в США. Thorvie International заработала прочную репутацию лидера отрасли в разработке и производстве инновационных и экономичных продуктов.Рик Шефчик, менеджер по продажам Thorvie International, проведет групповое обсуждение маркетинговых стратегий по заточке пил и инструментов в пятницу, 21 апреля, с 13:00 до 14:00.
Место проведения: Миннеаполис Марриотт Вест
9960 Wayzata Blvd, Миннеаполис, MN 55426
Для уточнения стоимости проживания укажите «Sharp Fest» / 888-887-1685,
.
Часы работы: среда с 16:00 до 20:00, четверг и пятница с 9:00 до 18:00
Sharp Fest Регистрация: https://sharpeners-report.
com/sharp-fest/
Совет Рика
Существует несколько различных шлифовальных кругов, которые можно использовать для заточки ножей фуганка, строгального станка и рубильного станка.Фуговальные и строгальные ножи будут либо стальными, либо твердосплавными, тогда как ножи рубильных машин всегда будут стальными. Для стальных ножей вы можете использовать либо диск с основанием из оксида алюминия, либо диск из CBN (кубического нитрида бора). Для твердосплавных ножей необходимо использовать алмазный круг.
Для заточки твердосплавных фуговальных и строгальных ножей я рекомендую использовать 5-дюймовый алмазный шлифовальный круг с зернистостью от 220 до 300. Для стальных фуговальных и строгальных ножей чашечное колесо из оксида алюминия с зернистостью 5 ″ 60 обеспечивает прекрасную отделку по разумной цене.Ножи рубительных машин изготавливаются из более твердой стали, чем ножи для фуганка и строгания. Для этих ножей используйте шлифовальный круг из рубинового оксида алюминия с зернистостью 5 ″ 46 или CBN с зернистостью 5 ″ 120 (стиль 11V9).
Если вам нужен один шлифовальный круг для ножей фуганка, строгального станка и рубильного станка, лучшим вариантом будет шлифовальный круг из CBN.
Как затачивать ножницы с помощью точилки для ножей
Другие инструменты для заточки ножниц
Поворотный инструмент
Помимо изучения того, как точить ножницы с помощью точилки для ножей, вы также можете использовать другие инструменты для выполнения этой работы.Ручной вращающийся инструмент, широко известный как инструмент Dremel, представляет собой универсальное электрическое устройство, которое включает в себя широкий ассортимент принадлежностей, в том числе вращающиеся абразивные камни, которые идеально подходят для заточки ножниц.
Как использовать вращающийся инструмент
- Начните с надежного зажима лезвия ножниц в тисках скошенной режущей кромкой вверх.
- Затем поместите шлифовальный камень из оксида алюминия во вращающийся инструмент и затяните гайку цанги.
Удерживая устройство обеими руками, включите двигатель и аккуратно поставьте шлифовальный камень на скошенный край. Крайне важно держать камень под тем же углом, что и скошенный край, при этом сохраняя движение камня. Если вы когда-нибудь остановитесь на одном месте хотя бы на секунду, вы протолкните бритвой полое место. - Переместите вращающийся камень по скошенному краю от основания до кончика восемь-десять раз, слегка надавливая. Если вы чувствуете заусенцы на плоской стороне лезвия, потрите их камнем.
- Повторите шаги, описанные выше, чтобы заточить второе лезвие ножниц.
Наждачная бумага для заточки ножниц
Для этого метода используйте наждачную бумагу средней зернистости. Несколько раз нарежьте ножницы на наждачной бумаге, переверните ножницы и затем еще несколько раз. Проверить резкость. Если бритва не такая гладкая, как хотелось бы, повторите процесс. Как вы понимаете, каждое лезвие по всей длине должно тереться о наждачную бумагу, чтобы в конечном итоге их заточить.
Алюминиевая фольга для заточки ножниц
Как и в случае с наждачной бумагой, заточка алюминиевой фольгой включает многократные надрезы в фольге для удаления зазубрин и заусенцев на бритве. Перед резкой алюминиевую фольгу нужно несколько раз перевернуть и разгладить. Относительно тем же методом можно использовать стальную вату.
Заточка ножниц относительно другого объекта
Для заточки режущей кромки можно использовать стержень отвертки.Открывайте и закрывайте ножницы режущим способом, перемещая ножницы сверху вниз к наконечнику металлического стержня. В качестве альтернативы вы можете использовать другие стеклянные емкости или каменные банки, которые вы не прочь повредить. Откройте ножницы, вращающие стекло, и несколько раз «прорежьте» сбоку, охватывая длину обоих лезвий по стеклу.
Точильный камень для повышения резкости бритвы
Вы можете приобрести точильный камень в местном хозяйственном магазине.




Работа с ними обязательно предусматривает использование воды, за счет чего экономится поверхность камней.


Работать с таким инструментом не очень просто. Они требуют определённых навыков и мастерства;

Удерживая устройство обеими руками, включите двигатель и аккуратно поставьте шлифовальный камень на скошенный край. Крайне важно держать камень под тем же углом, что и скошенный край, при этом сохраняя движение камня. Если вы когда-нибудь остановитесь на одном месте хотя бы на секунду, вы протолкните бритвой полое место.