Эл схема подключения эл плиты: схемы подключения к однофазной, трехфазной сети
схемы подключения к однофазной, трехфазной сети
Электричество — дело серьезное и опасное, но многие работы не требуют высокой квалификации и могут быть сделаны самостоятельно без привлечения специалистов. Например, подключить электроплиту можно имея лишь отдаленные представления об электричестве. Особенно, если розетка уже смонтирована. Все что остается — установить на шнур вилку и правильно его подключить к разъемам плиты. Хуже дело обстоит, если необходимо тянуть линию от щитка, но и тут можно справиться без помощи. Только помните, что все работы производят при отключенном электропитании.
Содержание статьи
Схема и способы подключения
Электрические бытовые плиты — мощное оборудование, потребляемый ими ток порядка 40-50 А. Это значит, что подключить электроплиту необходимо на выделенную линию электропитания. Она должна запитываться напрямую от квартирного или домового щитка. Питание подается через УЗО и защитный автомат. Сама плита может подключаться через розетку и вилку (специальные силовые), клеммную коробку.
Также линия от автомата может напрямую заводиться на клеммы ввода на задней стенке.
Схема подключения электроплиты
Более надежное соединение — напрямую на входные клеммы плиты. В этом случае имеется минимальное число точек контакта, что повышает надежность. Но такой способ не совсем удобный: отключать электропитание можно только автоматом. Примерно такая же проблема и при использовании клеммной коробки, с той лишь разницей, что точек соединения больше.
Чаще всего используют подключение при помощи розетки и вилки. Это более удобно и привычно. Так как оборудование мощное, используют не обычные бытовые устройства, а специальные, которые называют еще силовыми — за их способность выдерживать значительные токовые нагрузки.
Обратите внимание, что при подключении мощного электрооборудования обязательно наличие заземления. Без него вам откажут в гарантийном ремонте, да и его отсутствие опасно для жизни, так что лучше не рисковать.
Электрические параметры и номиналы автоматов защиты
Как выяснили, в электрощитке должны стоять отдельные УЗО и защитный автомат.
Через них подается фаза на розетку. Это пару можно заменить дифавтоматом. Это те же два устройства, но в одном корпусе. Минус берут с общей шины, проходит через УЗО, заземление берут с соответствующей шины.
Номинал автомата выбирается по максимальному потребляемому току. Эти данные есть в паспорте электроплиты и находятся обычно в пределах 40-50 А. В этом диапазоне номиналы идут с большим шагом — 40 А, 50 А, 63 А. Выбирать лучше ближайший больший — так меньше шансов на ложное отключение при работе на полной мощности. ТО есть, если заявленное максимальное потребление тока 42-43 А, все равно берете автомат на 50 А.
Схема подключения электроплиты
С другой стороны, полностью все конфорки и духовку, да еще на полную мощность, может и никогда и не включите, а более мощные автоматы стоят прилично дороже. Тут уж выбирать вам.
Номинал УЗО берут на ступень выше, чем у автомата. Если вы решили ставить автомат на 50 А, то УЗО необходим на 63 А, ток утечки — 30 мА.
Провод и его параметры
В последние годы при прокладке электропроводки и подключении бытовой техники чаще всего используют медные проводники. Хоть они и намного больше стоят, но работать с ними удобнее, к тому же по меди требуется диаметр жил намного меньше, чем при использовании алюминиевых проводников.
Выбирают сечение проводников в зависимости от типа сети — 220 В или 380 В, типа прокладки проводки (открытая/закрытая) а также от потребляемого тока или мощности оборудования. Обычно используют медные проводники с жилой 4 мм (при длине линии до 12 м) или 6 мм.
Таблица выбора сечения проводников
При выбирая типа кабеля для прокладки от щитка к розетке, лучше остановитесь на одножильных проводниках. Они хоть и более жесткие, но более надежные. Для подключения самой плиты (к которому надо будет подключить силовую вилку) можно выбрать гибкий многожильный провод: одножильный в данном случае будет слишком неудобным.
Подключение варочной панели расписано тут.
Как подключить электроплиту к сети 220 В
Все приведенные выше схемы были именно для однофазной сети 220 В. Для подключения вам понадобиться трехжильный кабель, трехконтактные силовые розетка и вилка с номинальным током не менее 32 А. Сразу скажем, что подключение оборудования разных марок принципиально ничем не отличается. Неважно, какую плиту вы приобрели — Electrolux, Gorenje, Bosh, Beko. Без разницы. Все отличие — разная конструкция крышек, которые закрывают клеммную коробку на корпусе и разные способы ее крепления. Все остальное — аналогично.
Подключение кабеля к электроплите
Сначала выбранный для подключения кабель надо подсоединить к электроплите. На задней панели, обычно внизу слева имеется клеммная колодка, на которую выведены проводники.
Клеммная колодка, к которой надо подключить электрический шнур
Рядом располагаются схемы подключения для разных сетей.
Схематичное изображение подключения для разных сетей
При сети в 220 В схема крайняя справа.
На плите должны быть соединены одной перемычкой контакты 1,2,3 — это будет фаза (красный или коричневый проводники), второй — контакты 4 и 5 — это нейтраль или ноль (голубой или синий), шестой контакт — это земля (зеленый или желто-зеленый). Из магазина элеткроплиты обычно приходят с уже установленными перемычками, но не мешает проверить.
Подключение кабеля к электроплите
Правильнее и надежнее проводники обжать контактными пластинками, а потом уже их подключать. Такое соединение более надежное, но часто просто проводники закручивают вокруг прижимного винта и потом его затягивают. В любом случае цветовую маркировку лучше соблюдать — так меньше шансов сделать ошибку.
Лучше проводники оконечить контактными пластинками
Установка вилки
Далее к кабелю подключают вилку. Силовая вилка — разборная. Откручиваете два крепежных винта, снимаете крышку с контактами. Также снимается фиксирующая планка, придерживающая кабель. С края гибкого кабеля (примерно на 5-6 см) снимается защитная изоляция, проводники расправляются, их концы также зачищаются от изоляции примерно на 1,5-2 см.
Разделанный конец кабеля заводится в корпус вилки.
Так выглядит вилка для подключения электроплиты
Прижимные винты на контактах ослабляются, Проводники, если они многожильные, скручиваются в жгут. Эти жгутики закручиваются вокруг контактов, затягиваются прижимными винтами.
Распределение проводников имеет значение и подключать их надо внимательно. Верхний контакт вилки обычно подписан — сюда подключают «земляной» провод (зеленый). При подключении розетки надо «землю» подать на аналогичный разъем.
Подключение провода к электроплите
Два других контакта — это «фаза» и «ноль». Куда какой из них подавать — не важно, но при подключении розетки «фаза» должна попадать на «фазу», «ноль» — на «ноль». Иначе будет короткое замыкание. Так что перед включением обязательно еще раз проверьте, правильно ли прикручены провода (фаза и ноль).
Как определить фазу в установленной розетке
Если электроплита у вас уже стояла ранее, и розетка имеется, надо в ней найти,где располагаются заземление, фаза и ноль и соответственно подключать провода в вилке.
Для определения проще всего воспользоваться индикатором напряжения в виде отвертки. Работает он просто — устанавливаете индикатор в место предполагаемой фазы, и смотрите на светодиод, вмонтированный в корпус. Если он горит, значит напряжение есть и это — фаза. Если напряжения нет, светодиод не загорается, и это — ноль.
Землю определить еще проще: это контакт вверху или внизу.
Подключение к трехфазной сети 380 В
В этом случае покупаются автомат и УЗО для трехфазной сети, провода должны быть пятижильные (сечение определяется по той же таблице, только значение смотреть надо в графе 380 В). Вилка и розетка тоже должны иметь по пять контактов.
Сам процесс подключения ничем не будет отличаться, только количеством проводов. Разница будет при подключении провода к выходным клеммам электроплиты. Устанавливаться будет только одна перемычка — на контакты 5 и 6.
Все остальные подключаются отдельными проводниками.
Схема подключения электроплиты к трехфазной сети
Также необходимо отслеживать положение «земли» и «нейтрали» (или говорят еще «нуля»). Цветовое соответствие проводников на фазах некритично, но удобнее, если они тоже совпадают.
Как самостоятельно подключить электроплиту дома
Из данной статьи вы узнаете сложно или подключить электроплитку самому, схемы и способы подключения (без розетки и с розеткой), какие существуют требование к электропроводке, меры безопасности и много другое.
В чем удобство электрических плит
Основным элементом на кухне всегда была плита, ведь без нее понятие «кухня» теряет свой смысл. В газифицированных домах в основном применяются газовые плиты, но последнее время все больше людей отдает предпочтение электрическим.
Электрические плиты удобны в управлении, отлично справляются со своей задачей, и являются безопасными, но только при условии правильного подключения.
Приобретая новую электрическую плиту, многие магазины предоставляют услуги электрика, который выполняет подключение.
Даже если такая услуга и не предоставляется, то продавцы настоятельно рекомендуют для подключения прибора воспользоваться услугами электрика.
И все это потому что современная электрическая плита является очень мощным потребителем электроэнергии, а значит – к безопасности ее подключения предъявляются особые требования.
Но необязательно вызывать мастера, даже при базовых знаниях в области электрики подключить этот прибор самостоятельно вполне можно, особых сложностей в этом нет, но должны соблюдаться некоторые условия.
Особенности и условия процесса подключения
Первое и одно из самых важных условий – возможность проводки выдерживать значительные нагрузки.
В доме или квартире должна быть проложена медная проводка сечением не менее 4 мм. кв. Если мощность плиты значительна – то необходим провод уже 6 мм. кв. сечением.
Лучшим вариантом будет прокладка отдельной линии для запитывания, что позволит не нагружать общую проводку дома, особенно если он старой постройки, и проводка не рассчитана на значительные нагрузки.
Второе условие – способность автомата распределительного щитка работать со значительными нагрузками.
Поэтому проводку, которая будет запитывать плиту, следует подключать к автомату с самым большим значением по силе тока, или же под нее установить в распределительный щиток дополнительный мощный автомат.
При этом значение по силе тока у автомата должно быть выше на один номинал, чем данный параметр плиты, чтобы избежать критических нагрузок. То есть, при подключении прибора с потребляемой силой тока в 20 А, используется автомат на 25 А.
Третье условие – наличие дополнительных средств защиты. Ими могут выступать дифференциальные автоматы или же устройство защитного отключения.
Последнее условие – правильность подключения. Плиту можно подключать к розетке, что обеспечивает некое удобство, позволяя в любой момент ее отключить.
Но розетка и вилка должны быть силовыми, способными работать при нагрузках.
Читайте также:
Обязательно к распределительному щитку должно быть подведено заземление.
Также посредством вилки и розетки можно подключать не особо мощные электроплиты.
Если же устройство обладает большой мощностью, то лучше для его запитки использовать клеммник. Он способен выдерживать большие нагрузки.
Но такое соединение является неразъемным, для обесточивания плиты необходимо будет отключать автомат.
Но все же такое соединение более надежное и безопасное, поэтому его лучше использовать даже при подключении приборов средней и малой мощности.
Еще один способ подключения – «напрямую». Подойдет в тех случаях, когда производитель плиты не укомплектовал ее силовым кабелем. В таких случаях провод, идущий от автомата можно подключать непосредственно к плите, избегая дополнительных соединений.
Меры безопасности
При подключении важно серьезно подходить к мерам безопасности. Проводка, розетка с вилкой или клеммник должны быть рассчитаны на значительные нагрузки.
Самое главное нужно правильно подобрать сечение кабеля.
Все соединения должны быть хорошо закрученными, слабые незатянутые болты или винты при подключении проводки не допускаются.
Важно также не перепутать проводку при подключении к плите, розетке, вилке УЗО и автомату.
Подведем небольшой итог.
Чтобы электроплита работала с максимальной безопасностью, следует обеспечить подвод электроэнергии к ней с соответствующими параметрами – проводка, розетка и автомат должны выдерживать нагрузку больше, чем создает электроплита, а вот УЗО по силе тока должен максимально быть приближенным к данному параметру электроприбора. И лучше, если для запитки электроплиты используется отдельная линия и автомат.
Но соблюдения условий недостаточно, еще необходимо правильно подключить проводку. Ведь плиты могут работать от однофазной сети или трехфазной, встречаются также и двухфазные плиты, и важно правильно все соединить.
Читайте также:
Схемы подключения
Хорошо, если производитель укомплектовал свою продукцию силовым кабелем. Подключить ее не составит труда, поскольку останется только правильно распределить провода в вилке или на клеммнике, но часто такой кабель отсутствует, и его приходится приобретать отдельно и самостоятельно подключать.
Далее рассмотрим, как выполняется подключение кабеля к плите, работающей от однофазной, двухфазной и трехфазной сети.
Подключение к однофазной сети
В электрической плите под защитной крышкой располагаются контакты, к которым и подключается провод.
Для однофазной сети этот кабель должен быть трехжильным.
Одна жила – фаза, вторая – ноль, третья – заземление. В кабеле каждая жила имеет свою окраску. Важно запомнить, что жила для ноля всегда имеет синий или голубой окрас, а заземление – желто-зеленый.
В плите же контактов для соединения обычно больше, но каждый из них имеет свое обозначение.
Все выводы, маркированные буквой «L» являются фазными, сколько бы их ни было, ноль маркируется буквой «N», их может быть тоже несколько, заземление же обозначается буквами «РЕ», обычно это один вывод.
Зная это, можно легко подключить кабель. Если, к примеру, выводов «L» несколько, а фаза в однофазной сети только одна, то необходимо воспользоваться перемычками, которые идут в комплекте с плитой.
Вначале подключаем провод заземления к выводу «РЕ», затем – ноль к выводу «N».
Если таких выводов несколько, используем перемычку, соединяя их между собой, а затем к одному из выводов подсоединяем синий провод.
Последней подключается фаза. Соединяем перемычкой все выводы, обозначенные буквой «L» (если их три, то они обозначаются как «L1» «L2» «L3»).
После соединения подключаем провод фазы. В трехжильном кабеле он может иметь коричневый, серый или черный цвет.
Подключение к двухфазной сети
Редкий, но все же встречающийся метод подключения.
Схема подключения к электроплите, работающей от двухфазной сети, несколько иная, поскольку для этого необходим кабель с 4 жилами, два из которых будут фазами, другие два – ноль и заземление.
Подключение производится так: подсоединяем провод заземления, затем используем перемычку для выводов ноля и подключает нулевой провод.
Если в плите имеется три фазных вывода, то два из них соединяем перемычкой и подсоединяем к одному из выводов один фазный провод, а на оставшийся третий вывод – второй провод фазы.
Читайте также:
Подключение к трехфазной сети
Для подключения плиты, работающей от трехфазной сети, необходим кабель с 5 жилами, 3 из которых будут фазами, другие два – земля и ноль.
Снова вначале подключаем заземление и ноль, предварительно замкнув перемычкой выводы ноля, если их несколько.
К трем фазным выводам подключаем по одному проводу фазы.
Расцветка фазных проводов может быть разной, но важно запомнить, что нулевой провод – всегда синий или голубой, а провод заземления – желто-зеленый.
Помня это, можно легко подключить кабель к плите, и неважно, от какой сети она работает.
Полная схема подключения через розетку
Теперь же рассмотрим полную схему подключения электроплиты, для примера возьмем модель, работающую от сети 220 В (однофазную), причем для нее проложим отдельную линию.
Вначале подключим ее при помощи розетки. Перед началом работ распределительный щиток в обязательном порядке обесточивается.
Итак, первым делом подключаем провод к автомату на распределительном щитке.
К нему подключаем фазный и нулевой провода, земля должна подсоединяется к заземлению дома или квартиры.
По поводу заземления – чуть ниже. Сразу за автоматом последовательно подключаем УЗО и закрепляем его.
Затем провод протягивается к месту установки розетки. Сделать это можно открытым способом (при помощи гофрированной трубки или пластикового короба).
Читайте тут подробнее: Как правильно проводить монтаж электропроводки.
Розетка и вилка для однофазной сети должны быть силовые – трехконтактные.
При подключении проводов к розетке, следует не попутать провода. Земля должна подсоединятся к контакту заземления, ноль – к нулевому контакту, а фаза – к фазному.
И обязательно нужно проследить, чтобы к вилке кабель от плиты подключался соответствующим образом. Очень важно не попутать проводку.
Розетку закрепляем на стене, важно чтобы она находилась на удалении от металлических конструкций (трубы или батареи отопления), на нее не воздействовали источники тепла, и не попадала вода.
Затем подключаем силовой кабель вместе с вилкой к плите. После этого внимательно проверяем все соединения, они должны быть хорошо затянуты, все элементы схемы – надежно закреплены.
Далее проводится пробное включение. Сначала включается автомат, затем УЗО, и сама плита.
После включения плиты на полную мощность, все отключается и проверяются все элементы на нагрев.
Подключение без розетки
Подключение плиты без использования розетки, а при помощи клеммника практически не отличается.
Подсоединяется провод к автомату, затее врезается УЗО, и провод тянется к месту установки плиты.
В стене проделывается углубление, в которое устанавливается защитная коробка. В эту коробку помещается клеммник.
К нему подводится и подсоединяется провод, идущий от распределительного щитка, а также кабель от плиты.
В клеммнике они закрепляются, важно не перепутать где какой провод.
После этого защитная коробка закрывается крышкой.
Ну а далее – проверка работоспособности.
Примечательно, что схема подключения электрических плит практически одинакова.
Многим известны электроплиты Hansa и «Мечта». Покупатели часто спрашивают, как их правильно подключить.
Так как моделей плит много, сложно предположить, какую именно вы приобрели. Но все возможные способы подключения мы описали выше.
Смотрите потребляемую мощность и на какую проводку ваша модель рассчитана (однофазная, двухфазная или трехфазная) и применяйте наши рекомендации.
Плита Hansa зарубежного производителя подключается к сети, как и отечественная плита «Мечта». Важно только правильно выбрать проводку и все остальные элементы, входящие в линию запитки.
Популярное у читателей: Способы замены электрики в квартире.
Пару слов о заземлении
Теперь по поводу заземления. Поскольку мощность прибора – большая, то заземление необходимо. Один из вариантов подключения электроплиты к заземлению – это воспользоваться общим заземлением дома, если таковое имеется.
Для этого лучше обратиться в ЖЭК и поинтересоваться, подключен ли ваш распределительный щиток к заземлению дома.
При утвердительном ответе останется только провод земли подсоединить к заземлению щитка.
Выявить его несложно – обычно это толстый провод. Подсоединенный к корпусу щитка при помощи болтового соединения. К этому подсоединению и подключается провод земли.
Если же заземления в доме нет, но при этом вы проживаете на первом этаже или в частном доме, то заземление можно сделать и самому.
Если коротко – то в землю возле квартиры забиваются три прута, они соединяются между собой металлической лентой.
К этой ленте прикрепляется стальная проволока, которую прокладывают к квартире. А уже к этой проволоке подсоединяется провод заземления.
Более подробно об изготовлении заземления для дома можно узнать здесь.
Самостоятельное подключение электроплиты расписано в общих чертах. В процессе же может возникнуть много нюансов.
К примеру, решено подключать плиту к общей сети дома, но выяснилось, что она – алюминиевая и на такие нагрузки не засчитана.
Или же автоматы в распределительном щитке слабые. Как вариант – в квартире нет заземления и провести его пока невозможно.
Все это нужно учитывать, но при правильном подходе – эти проблемы решаемы.
Подключение электроплиты своими руками — пошаговая инструкция!
Электрическая плита – отличный выбор для современной кухни. При условии правильной установки и использования, прибор будет исправно служить долгие годы. Конечно, для подключения электроплиты можно пригласить квалифицированного мастера, но при желании вы можете сделать все собственными силами и хорошенько сэкономить!
Подключение электроплиты своими руками
Ознакомьтесь с основными требованиями к подключению современных электроплит, существующими схемами, а также руководствами по непосредственному монтажу прибора и его заземлению.
Подключение электроплиты своими руками
Требования к электропроводке
Квартирный щитокВводной автомат
Важно! Прежде чем приступать к каким-либо манипуляциям с проводами и электроприборами, отключите подачу электричества на дом или квартиру.
Современные модели электроплит обычно продаются без шнура в комплекте. Этому есть разумное объяснение: техника безопасности требует, чтобы подключение таких приборов выполнялось посредством высококачественных клеммных колодок, т.е. по т.н. безрозеточному методу. При таком варианте соединения можно увеличивать длину питающего шнура, а вместо автомата для более мощных моделей разрешается устанавливать плавкую вставку.
Для подключения нужно использовать кабель сечением от 4 мм2, если его длина не превышает 12 м. В случае же применения более длинного провода, минимально допустимое значение сечения увеличивается до 6 мм2. При этом обязательно должна быть выполнена установка отдельного автомата конкретно для плиты.
Выбор сечения кабеля
Подключение через розетку также допустимо. Нужно лишь чтобы прибор был рассчитан на ток от 32 А. Электрические плиты потребляют довольно много энергии, поэтому включать их в простые бытовые розетки запрещается.
Варианты исполнения розеток для электроплиты
Таким образом, требования к подключению электроплиты можно объединить в короткий, но очень важный перечень, включающий в себя следующие положения:
- для подключения прибора используется трехжильный медный кабель сечением от 4 мм2 либо от 6 мм2 в зависимости от длины шнура;
- в электрощите устанавливается отдельный автомат для плиты;
- выполняется монтаж устройства защитного отключения;
- плита заземляется доступным методом. О возможных вариантах заземления будет рассказано в конце руководства.
Цены на популярные электрические кухонные плиты
Электрические кухонные плиты
Схемы подключения электроплит
Прежде чем приступать к непосредственной установке прибора, изучите существующие схемы подключения прибора.
Однофазное подключение
Наиболее распространенный вариант. Чаще всего встречается в квартирах многоэтажных домов.
При однофазном подсоединении блок подключения будет иметь следующий вид (см. схему).
Однофазное подключение
Клеммы 1-2-3, а также 4-5 соединяются перемычками из меди сечением 6 мм2. Если вы купили современную плиту, необходимые перемычки будут присутствовать в комплекте.
Фазная жила (может быть серой, коричневой либо черной) подключается на клемму под номером 1, 2 либо 3.
Нулевая жила (обычно имеет синий цвет) подсоединяется на 4-ю либо 5-ю клемму. Провод заземления (на схеме он желто-зеленый) соединяется с 6-й клеммой.
Болты клемм нужно затягивать до упора. В случае некачественного соединения клеммы могут обгореть, что приведет к возникновению пожара.
В случае использования розеточного подключения фазную жилу в вилке и розетке подаем на клемму L, нулевая жила пойдет на клемму с маркировкой N, провод же заземления пускаем на соответствующую клемму (маркируется рисунком заземления, буквами РЕ либо же словом earth).
Двухфазное подключение
Двухфазная схема
Редко, но все-таки встречается двухфазное подключение. К примеру, могут присутствовать фазы А и С, а фазы В не будет.
При таком подключении клеммы 1 и 2 нужно соединить перемычкой и через нее подключить фазу А. Фаза же С уходит на 3-ю клемму. Дальнейший порядок подключения остается аналогичным предыдущим способам.
Трехфазное подключение
Трехфазная схема
С трехфазным питанием чаще всего сталкиваются владельцы частных домов. Питающий провод в подобной ситуации будет состоять из 4 либо 5 жил. При этом напряжение между нулем и фазами составит 220 В, а между непосредственно фазами – 380 В.
В подобных условиях электроплита будет подключаться по соответствующей схеме. Фазы А, В и С пойдут на соответствующие клеммы 1, 2 и 3.
Соединение клемм 4, 5 и 6 выполняется аналогично однофазному подключению.
Подключаем электроплиту
Подключаем электроплиту
Порядок подключения остается аналогичным для сетей с любым количеством фаз.
Есть лишь некоторые нюансы, о которых вы узнаете далее. Подключение будем выполнять через розетку.
Первый шаг
Выбираем место для установки прибора. Электроплита классифицируется как электроприемник высокой мощности. Для обеспечения его надежной и безопасной эксплуатации, на ближайшей к плите стене мы устанавливаем штепсельную розетку с заземляющим контактом. При этом токовый номинал розетки должен составлять 32-40 А. В розетке для однофазной электросети контактов будет три, для двух- и трехфазных сетей – пять.
Розетка
Второй шаг
Устанавливаем в щите отдельный автоматический выключатель. Если сеть двух- или трехфазная, ставим трехполосный выключатель на 16 А. В случае работы в однофазной сети монтируем однополосный автомат. Номинал выключателя должен составлять 25-32 А.
Однофазное подключение электроплиты (наиболее распространенное)
Третий шаг
Монтируем провод для подключения электроплиты. В двух- и трехфазных сетях используем кабель 5х2,5 марки ВВГнг, для подключения в однофазном режиме применяем шнур 3х4 аналогичной марки.
Тянем провод от электрощита к штепсельной розетке нашей электроплиты.
Кабель силовой ВВГнг 5х2,5
Четвертый шаг
Подключаем провод к розетке в соответствии с одной из приведенных выше схем. Закрываем крышку розетки. Работаем очень внимательно, соблюдая установленные стандарты. Если подключение выполняется с использованием трехжильного кабеля, то коричневый провод (также он может иметь белый цвет) подключаем на фазный разъем установленной электророзетки, синий провод (может быть белым с синей полоской) пускаем на разъем «ноля», а жилу желто-зеленого цвета соединяем с разъемом заземления. Провода пятижильного кабеля чаще всего окрашены в коричневый, белый и красный цвета. Порядок их подключения, равно как и особенности маркировки разъемов розеток, был рассмотрен ранее в описании схем.
Пятый шаг
Соединяем штепсельную вилку с гибким проводом электроплиты. При этом обязательно обращаем внимание на особенности маркировки штепсельной вилки. Подключение элемента выполняется аналогично электророзетке.
Шестой шаг
Подсоединяем гибкий провод к плите. На данном этапе многое зависит от модели устанавливаемого прибора и количества фаз в домашней электросети. В целом же производители приводят схемы подключения их плит в прилагающихся инструкциях либо же на задних крышках агрегатов. Следуем предложенным производителем рекомендациям.
Концы гибкого провода рекомендуется облудить перед установкой в клеммные зажимы – так будет обеспечен максимально надежный контакт.
Седьмой шаг
Разделяем питающий кабель электроплиты в щите, после чего зачищаем концы проводов. Подключаем фазные жилы питающего кабеля на полосные зажимы автомата. Жилу «ноля» соединяем с общей шиной для всех проводников ноля. Не подключенной осталась лишь желто-зеленая жила. В современных системах такие провода соединяются с шинами заземления. В более старых сетях типа TN-C шин заземления нет. Что делать? Читаем далее.
Расстановка перемычек в электроплите Ханса
Руководство по заземлению электроплиты
При работе в сетях старого образца даже квалифицированные специалисты нередко осознанно совершают грубую ошибку, выполняя заземление различных электроприборов на шины рабочего нуля.
Такое подсоединение чревато крайне неблагоприятным последствием: если провод ноля оборвется, фаза пройдет через нагрузку прямиком на электроприбор и пользователя ударит током.
Нередко электрики допускают и другую грубую ошибку, путая местами провода фазы и ноля. При выполнении такого «заземления» результат будет аналогичным предыдущему случаю – владельца плиты может ударить током в любой момент. Но и отказываться от зануления тоже нельзя. Существует несколько вариантов решения проблемы. Ознакомьтесь с доступными методами и выберите подходящий для вашей ситуации.
Первый вариант – узнаем, заземлен ли щит квартиры
Узнаем, заземлен ли щит квартиры
Для этого идем в ЖЭК или другую обслуживающую организацию. Если представитель компании скажет, что корпус щита надежно заземлен, нам останется лишь подключить желто-зеленый провод к этому корпусу через болт.
Если же представитель обслуживающей организации дает отрицательный ответ либо же путается в своих показаниях, выполнять заземление описанным выше способом нельзя – оно будет либо неэффективным, либо приведет к удару пользователя электроплиты током.
Второй вариант – для жильцов квартир на первом этаже и владельцев домов
Схема контура заземления
Собственники такой недвижимости могут попробовать создать отдельный заземляющий контур. Делается он так:
Важно! Прежде чем принимать заземляющее устройство в эксплуатацию, нужно пригласить специалиста для измерения сопротивления установки. Выполнить такую поверку самостоятельно можно только при наличии специального устройства. Значение сопротивления не должно быть больше 8 Ом.
Таблица. Наименьшие размеры заземлителей и заземляющих проводников, проложенных в земле
| Материал | Профиль сечения | Диаметр, мм | Площадь поперечного сечения, мм | Толщина стенки, мм |
|---|---|---|---|---|
| Сталь черная | Круглый для вертикальных заземлителей | 16 | — | — |
| Сталь черная | Круглый для горизонтальных заземлителей | 10 | — | — |
| Сталь черная | Прямоугольный | — | 100 | 4 |
| Сталь черная | Угловой | — | 100 | 4 |
| Сталь черная | Трубный | 32 | — | 3,5 |
| Сталь оцинкованная | Круглый для вертикальных заземлителей | 12 | — | — |
| Сталь оцинкованная | Круглый для горизонтальных заземлителей | 10 | — | — |
| Сталь оцинкованная | Прямоугольный | — | 75 | 3 |
| Сталь оцинкованная | Трубный | 25 | — | 2 |
| Медь | Круглый | 12 | — | — |
| Медь | Прямоугольный | — | 50 | 2 |
| Медь | Трубный | 20 | — | 2 |
| Медь | Канат многопроволочный | 1,8 | 50 | — |
Третий вариант – если заземлить не получается
Щиток не заземлен, а сделать индивидуальный заземляющий контур нет возможности? Тогда просто заглушаем желто-зеленый провод и оставляем его в щите до лучших времен.
Плите в такой ситуации уделяем повышенное внимание.
Во-первых, устанавливаем ее так, чтобы исключалась вероятность одновременного контакта пользователя с плитой и различными токоведущими элементами типа кранов, раковин, труб и т.п. металлических изделий.
Во-вторых, возле электроплиты укладываем если не специальное диэлектрическое покрытие, то хотя бы плотный сухой коврик.
В-третьих, обычный автомат в щитке заменяем дифференциальной моделью с 30-миллиамперным номиналом срабатывания.
В-четвертых, проявляем особую осторожность и бдительность в процессе эксплуатации незаземленной электроплиты.
Важно! Заземлять электроплиту на трубы водоснабжения, канализации и отопления нельзя. Хотя перечисленные элементы по правилам и должны быть надежно заземлены, сопротивление такого заземления никто обычно не контролирует. Итогом может стать поломка электроприбора, поражение пользователя током и нанесение вреда имуществу, притом не только своему, но и соседскому.
Также нельзя заземлять электроприборы на другие инженерные коммуникации вроде лифтовых шахт, вентиляционных каналов и т.д.
Проверка работы электроплиты
Удачной работы!
Видео – Подключение электроплиты своими руками
какой кабель нужен, схемы, как подключить своими руками, фото, видео
После закупки бытовой техники приходит момент, когда нужно подумать над тем, кто будет осуществлять подключение электроплиты. Это можно сделать и самостоятельно, разобравшись в нюансах, но есть вариант – обращение к мастеру. В обоих случаях полезно иметь набор знаний, чтобы понимать, что и как делать, исполнить это самому или же проконтролировать.
Плита представляет собой один из неотъемлемых элементов нашей жизни, без которой ни одна семья и ни одна хозяйка не может представить свою жизнь.
Особенности подключения электрической плиты в квартире
Установка этого электроприбора производится во многих домах на кухне, электроплита – удобно, ведь каждая ее функция проверена годами.
Только процесс подключения не обладает тем уровнем легкости, как хотелось бы, ведь речь идет о не просто мелком бытовом приборе. Здесь играет роль мощный поток электричества. Он же используется при установке электрической печки.
Электроплита довольно распространенный вариант, особенно в многоэтажных домах, где нет возможности провести газ на верхние этажи.
Очень важно продумать каждую деталь здесь, чтобы обеспечить безопасность жильцов в доме. Однако у данного типа плитки есть преимущество перед газовым видом, потому что ее можно размещать в любом месте на кухне. Нужно только продумать наличие розетки неподалеку и вытяжку с духовым шкафом. Также важно перед началом ознакомиться с инструкцией, чтобы понять, как подключить электроплиту самостоятельно.
Первое, что следует помнить до начала проведения вообще каких-либо работ – необходимо отключить подачу электропитания в помещении, где будет устанавливаться плита.
Требования к проводке в квартире
Безопасность стоит на первом месте в списке по важности, потому стоит об этом изначально подумать.
Помимо исправности техники на это влияет и проводка, к ней есть ряд требований, чтобы она прослужила долго, и ее использование не принесло вреда:
- Выход тока должен иметь напряжение согласно инструкции. Если он меньше обозначенной планки, то работать устройство не будет.
- Обязательно должен быть квартирный щиток, это законодательное требование.
- Должна использоваться высококачественная клеммная колодка, она означает, что электроприбор подключается без розетки, а напрямую с помощью силового кабеля.
- К кабелю для электроплиты есть требование – наличие сечения 4 мм в квадрате, если его продолжительность ограничивается 12 метрами. Если длина больше, то значение должно достигать 6 мм кв.
- Установка отдельного автомата для плиты.
- Сила тока должна быть не меньше 32 Ампер. Хотя оптимально, чтобы она достигала 40А.
- Наличие заземления розетки – чтобы бытовая техника не подвергалась перепадам электричества в сети и не стала потенциально опасной для пользователей.
Ведь ток начинает без заземления проходить по корпусу без задержки в одном месте, а на это способен лишь металл.
Современные варианты электрических плит чаще всего реализуются без проводов.
Обратите внимание! Следует разместить кабели так, чтобы их было сложно задеть в повседневной жизни, то есть, надо «спрятать» их, по возможности. Если появились сложности, лучше вызвать мастера.
Параметры автоматов защиты
Автоматы защиты необходимы для того, чтобы предотвращать повреждение прибора при перепадах напряжения в проводке или же угрозе короткого замыкания. Тогда плита автоматически отключается, и система не подвергается серьезным негативным изменениям. Но, чтобы это надежно работало, надо правильно подобрать параметры, сделать расчеты и настроить автоматы соответственно.
Для осуществления подключения самому к электросети, можно применить кабель с сечением от 4 квадратных миллиметров, если протяженность будет не больше 12 метров.
Автоматический выключатель должен иметь номинал, максимально приближенный к необходимому значению. Оно будет равно максимальному току потребления плитки, что рассчитывается с помощью деления мощности на вольтаж сети. Первую цифру можно узнать из технической документации, а вторая равняется стандартному показателю электрического напряжения в розетке.
Потребление у электроплит довольно большое, по причине чего обычная бытовая розетка на 220 Вольт просто не справится с такой нагрузкой.
А вот от проблемы поступления дифференциального тока спасает УЗО – устройство защитного отключения. Если случается такая ситуация, то она вызвана обычно нарушением изоляции частей, что проводят ток. Система это выявляет и предотвращает пагубные последствия путем обесточивания конкретного участка сети. Выбирать его стоит, опираясь на показатели номинального тока, оно должно быть на уровень выше, чем для автомата. Также стоит учитывать параметр чувствительности, лучше выбирать 30мА, здоровье человека в это случае будет сохранено, а вот меньшие показатели могут привести к ложному срабатыванию.
Характеристики кабеля для подключения
Подключаемый кабель должен быть высокого качества с хорошей оплеткой и кабель-каналом, часто эти параметры зависят от производителя. Если длина изделия ограничивается 12 метрами, то площадь сечения должна равняться 4 мм в квадрате, и 6 мм кв., если продолжительность превышает эту отметку длины.
Для подключения устройства следует использовать 3-жильный провод из меди с сечением 4-6 квадратных миллиметров в зависимости от кабельной длины.
Кабель следует выбирать трехжильный: ноль (1), фаза (2) и земля (3). Первую и третью жилки стоит подключить к колодочкам – шинку, которая изолирована от корпуса и соединена с аналогичным выходом УЗО, и к корпусу – соответственно. Вторая жилка подключается к автомату, имеющему номинал не меньше 32А, иногда достигающему 40А.
В электрическом щитке должен быть установлен отдельный автомат.
Обычно люди и мастера пробуют ориентироваться на цвета, подбирать одинаковые пары и подводить их один к другому.
Но это не всегда оптимальный вариант, так как различные производители прибегают к разным цветовым оттенкам, что путает. Хотя стандарт – черный, белый и коричневый, ассоциирующиеся у большинства людей с аналогичными наименованиями. Но бывают и желто-зеленые, и фиолетовые, другие расцветки, назначение которых не получится просто разгадать, нужно искать ответы в инструктаже.
Схемы установки электроплиты
Существует три основных типа подключения схем. Выбор основывается на том, какой тип уже внедрен в систему.
Однофазные
Однофазные предполагают напряжения в 220В и одну фазу. Ее подключают на клеммы 1, 2 и 3, их следует перед этим объединить перемычками, идущими в комплекте. Клеммы под номерами 4 и 5 еще называются N1, N2, их стоит соединить с помощью перемычек, затем туда же оформить «нуль» N. Заземление в однофазной схеме нужно присоединять к клемме под номером 6, у нее еще есть название РЕ, часто ее можно найти в корпусе варочной панели.
Данный вариант реализуется в городских многоэтажках, где проводка обычно сделана с использованием 3-жильных проводов.
Двухфазные
Они предполагают наличие напряжение 380В и две фазы. В таком случае две клеммы объединяют перемычкой и присоединяют к одной из 2 фаз. Оставшуюся клемму можно объединять второй фазе. Клеммы под номерами 4 и 5, соединенные перемычкой, подводят к «нулю», а 6 – к заземлению.
Этот вариант обычно используется в частных постройках, но его можно применить и для квартиры, если проводка выполнена из 4-жильного провода.
Трехфазные (380В)
Это наиболее простой способ, так как в трехфазных схемах надо подвести 3 клеммы и фазы по цветам, затем №4 и №5 свести с «нулевой» фазой, а шестерку – с «землей».
Данный вид подключения используется исключительно в частных домах либо постройках, которые были возведены очень давно.
Расчет возможностей сети в квартире
Перед осуществлением такого сложного и ответственного дела, как подключение электроплиты в квартире или доме, важно продумать каждую деталь. Не помешает ознакомиться с техническими характеристиками, стандартами прокладки электролинии, прочим.
До начала непосредственного подключения и работы с электропроводкой, следует правильно подобрать место для плиты.
Линия для плиты
При обдумывании линии для плитки стоит учесть, что устанавливать ее обязательно согласно техническим характеристикам. Они указывают, что провод должен идти перпендикулярно вверх над местом входа, затем поворачивать в сторону за 20 см до потолка. Параллельно ему линия ведется до места выхода так, чтобы войти в нее перпендикулярно.
Место, где планируется устанавливать плиту должно быть ровным, чтобы при регулировании ножками обеспечивалось ее стабильное и устойчивое положение по горизонтали.
Какой шнур нужен
Шнур должен быть трехфазный, иметь качественный кабель-канал и достаточную длину для правильного закрепления линии. В срезе его площадь по правилам равняется 4 мм в квадрате (до 12 метров длины), а с большей продолжительностью понадобится кабель 6 мм квадратных.
Длину провода следует делать с запасом, чтобы при необходимости можно было легко отодвинуть бытовую технику от стенки, не вынимая штекер из розетки.
Защитные приборы
Рекомендуется ставить, и автомат, и УЗО, так как они будут предохранять прибор от перепада напряжения и последствий нарушения целостности кабеля – короткого замыкания. Но важно грамотно их подобрать, автоматический прибор должен максимально соответствовать самым высоким возможностям электроприбора, а УЗО – на уровень выше него.
Рядом с плитой лучше не размещать иные электроприборы – электромагнитное поле может негативно сказаться на их эксплуатации.
Выбор варианта подключения
Существует два способа подключения – с помощью вилки (или под коробку без нее) или же подсоединения к клеммам. Принято считать, что привычный метод соединения с розеткой целесообразен, когда напряжение не превышает 220В, а это означает только однофазную схему. Если она состоит из двух или трех фаз, то Вольты увеличиваются до 380, тогда работать система корректно не будет. Здесь логично использовать клемма-связь. А вот определиться с тем, использовать розетку или подвести под нее провод, поможет необходимость или ее отсутствие в дополнительном доступе к сети, чтобы подключать другие приборы.
Если строители осуществили выведение только 3-жильного провода, то для монтажа спецрозетки либо клеммного ящика потребуется проделать каналы в стене, чтобы углубить кабель.
Как правильно подключить электрическую плиту к розетке 220В своими руками
Самостоятельная установка электроплиты – крайне ответственное мероприятие, здесь важна каждая деталь. Потому без опыта и четкого представления, как стоит делать, лучше обращаться к специалистам. В любом случае схема монтажа примерно такая:
- Подобрать необходимые материалы и инструменты, чтобы все было под рукой.
- Открыть электрощит и оснастить его электронным автоматом, если его еще нет, от него уже можно тянуть кабель к электроприбору.
- Осуществить монтаж розетки.
- Учитывая особенности схемы плитки, надо подсоединить ее соответствующим методом.
- Произвести пробный запуск системы.
Подключение напрямую считается наиболее безопасным, ведь отсутствие лишних кабелей существенно снижает риск перегрева устройства.
Если в процессе подбора и подключения возникают вопросы, ответы на большинство из них можно найти в инструкции по эксплуатации. Там есть поэтапное объяснение на разных языках, с помощью таблиц, графиков, изображений и схем. Эта информация рассчитана на доступность изложения разным категориям людей.
Через клеммник
Предполагает соединение без розетки, напрямую со щитком, где и контролируется все это оборудование. То есть, кабель берет начало в электрощите, проходит по стене перпендикулярно полу и параллельно потолку, сразу попадая в разъем.
Это надежный вариант, особенно если есть вопросы с обновлением устаревшей проводки в здании в целом.
Через обычную розетку
Чтобы соединять с розеткой, требуется проверить, проводит ли она ток, для этого применяется специальная отвертка, вставляется в отверстие. Если лампочка загорается, значит, фаза есть, можно продолжить подсоединение.
В случае отсутствия сигнала о наличии поставки тока работать техника от нее не будет.
Подсоединение провода
Обычно проводка позволяет соединять кабель электроприбора с коробкой розетки, а не через вилку, так как тогда сеть можно использовать дополнительно. Хотя отключать плиту придется другим способом, просто достать провод не получится.
Если создавать проводку смысла нет, то смонтированную розетку просто надо проверить спецприбором, чтобы узнать фазу.
Установка вилки
Если места для других бытовых приборов хватает, и периодически нужно отсоединять устройство от розетки, можно подключать его с помощью вилки. Ее нужно просто заранее приобрести и, следуя инструкции, соединить с кабелем прибора. Тогда многие манипуляции становятся проще, но проделывать такое можно только с устройствами на 220В.
Для осуществления подключения, как уже говорилось, потребуется иметь 3-жильный кабель, 3-контактные розетки силового типа и вилку с номинальным токовым параметром не меньше 32 ампер.
Как самостоятельно подсоединить электроплиту к силовой розетке 380В
Первое, что необходимо сделать, – отключить электричество в помещении, чтобы избежать весьма вероятных трагических последствий.
Дальнейшие действия:
- Определить, схема трехфазная или двухфазная, затем приобрести соответствующий автомат или УЗО. Если он есть, следует проверить только его исправность.
- Определиться, будет подключение производиться к розетке или же к клеммам. Обычно в жилых зданиях, где нет газового оборудования для установки соответствующей плиты, заранее продумана мощная розетка на 380В.
- Если она исправна, и есть фаза, можно соединять с ней кабель посредством вилки.
- Если таковой нет или же она неисправна, потребуется произвести дополнительные манипуляции по соединению с клеммами.
Не будет лишним обжать проводники пластинами контактного типа, после чего осуществлять подключение.
После завершения и проверки работы, можно включать подачу электричества и попробовать включить прибор.
Тонкости подключения электроплит разных производителей
Если задача состоит только в смене электроплиты, то не стоит думать, что тонкости будут те же, что и у предыдущего производителя. Популярные варианты, к которым стоит присмотреться:
- Hansa;
- Gorenje;
- Beko;
- Электролюкс;
- Занусси.
Подключение плит разнообразных производителей не будет отличаться друг от друга практически ничем.
Они имеют особенности в подключении. Хотя производитель постарался сделать процесс подключения максимально понятным, в инструкции все доступно описано, поэтапно. Потому перед тем, как приступать даже к дополнительным покупкам, если они нужны, следует ознакомиться с рекомендациями производителя.
Нюансы заземления
Заземление позволяет нейтрализовать возможное возникновение напряжения на корпусе устройства, если внутри него произойдет нарушение целостности проводов. Они начнут передавать электричество по другим элементам. Человек при контакте с такой поверхностью может навредить себе.
Если вдруг плита уже была и есть розетка, то необходимо найти расположения ноля, фазы и заземления и просто подключать кабели в вилке.
Заземление предполагает металлический элемент, берущий на себя основной «удар» тока. Если такого нет, то существует народный метод – присоединить провод к металлическому предмету, типа трубы или батареи, чтобы та принимала электричество вместо корпуса. Существует не одна система заземления, можно что-то выбрать, наиболее оптимальное.
В целом, как можно убедиться, в подключении рассматриваемых приборов к сети нет ничего сложного.
Итак, подключение электрической плиты с нуля или в качестве замены на кухне – ответственная затея, предполагающая наличие знаний и навыков в этом деле, так как важна каждая деталь. Иногда в целях самосохранения и безопасности жильцов в будущем логичнее обратиться к мастеру, чтобы он проконсультировал, уточнил моменты. В любом случае тщательная проверка системы (и новой, и старой) должна проводиться на каждом этапе установки, это производится с учетом особенностей самой техники и проводки, планировки в здании в целом.
ВИДЕО: Установка и подключение электрической плиты.
пошаговая инструкция по монтажу и подключению своими руками
Отдельно стоящие электрические плиты, несмотря на популярность встраиваемой кухонной техники, все еще остаются востребованными. Они дешевле, но при этом не уступают интегрированным агрегатам по техническим характеристикам и дизайну. А установка занимает немного времени и не требует особой подготовки.
Правильный монтаж и соблюдение требований по эксплуатации – условия длительной исправной службы, поэтому собственники жилья нередко вызывают мастера из обслуживающей организации или просто знакомого электрика. Но можно неплохо сэкономить, сделав все самостоятельно. Согласны?
Но что для этого нужно и как правильно это сделать? Мы поможем разобраться с поставленной задачей – в нашей статье подробно опишем, как выполнить подключение электроплиты своими силами. Также разберем нюансы выбора проводки и защитного оборудования, рассмотрим способы заземления, схемы подключения. Эта информация может пригодиться вам и не только при монтаже плиты, но и в дальнейшем, во время ремонта или замены техники.
Содержание статьи:
Схемы подключения электроплиты
Сначала разберем общие правила. Электрическая плита относится к мощному бытовому оборудованию, потребляющему 40-50 А тока, поэтому для нее выделяют отдельный электрический контур. Он соединяет две точки: защитный автомат в квартирном/домовом электрощите и розетку/клеммник прибора.
На практике применяют 3 вида подсоединения к сети:
- традиционный способ розетка/вилка;
- присоединение проводов в клеммной коробке в стене;
- прямое клеммное соединение на задней стенке плиты.
Если на кухне уже есть предустановленная , запитанная на отдельный автомат, обычно используют ее. Это более привычно, а при необходимости ремонта прибор можно быстро отключить, не выходя из кухни.
Обычная розетка для подключения электроплиты не подойдет, так как может не выдержать нагрузки. Необходимо купить специальную модель, подходящую по показателям номинального тока, выдерживающую от 7 кВт и более
Но нередко применяют прямое клеммное соединение. Его считают более безопасным и надежным. Минус безрозеточного соединения в том, что каждый раз отключать плиту от сети придется на электрощите.
Схема подключения зависит от количества задействованных фаз. Отечественное оборудование рассчитано на 1- или 3-фазное подключение, но мы предлагаем разобрать все три возможные варианта, включая и 2-фазное.
Все три способа подключения отличаются количеством активных проводников: у 1-фазного их 3, у 2-фазного – 4, а у 3-фазного – 5. Первый вариант актуален для многоэтажек и применяется практически во всех городских квартирах, трехфазный характерен для энергообеспечения частных домов
Для соединения клемм плиты с проводниками используют перемычки из медного провода. Современная техника обычно комплектуется необходимыми деталями для подключения.
При однофазном способе фазу заводят на 1,2 или 3 клемму, все они соединены между собой перемычками. Ноль идет на 4 или 5, которые тоже соединены, а земля – на 6 клемму.
По схеме легко понять, как производят и другие виды подключения. Проблем с поиском схем не возникнет – их можно найти в технической документации к электроплите или на табличке, прикрепленной около клеммника на задней стенке.
Требования к защитному автомату и проводке
Прежде чем приступать к подключению, следует выяснить, соответствует ли проводка потенциальной нагрузке и установлен ли в электрощите отдельный автомат защиты. Если каких-то элементов для монтажа нет или они не подходят по номиналу, рекомендуем купить их заранее вместе с плитой.
На мощные электроприборы не только выделяют отдельную линию, но и ставят индивидуальную двойную защиту: в идеале это комплект .
Вместо этой пары для экономии места в щитке нередко применяют .
Схема установки защитного оборудования в электрощите. Через автоматику на розетку подают фазу, нулевой провод через УЗО протягивают к нулевой шине, а землю – к общей заземляющей шине
При покупке автомата решающий критерий – номинал, который выбирают по максимальному значению потребляемого тока. Обычно это 40-50 А, но уточнить технические данные лучше в паспорте плиты. Рекомендуем подробнее ознакомиться с .
Для гарантии безопасности номинал подбирают в сторону увеличения – так при работе на максимальных нагрузках защита не будет постоянно срабатывать. Предположим, что максимальное токовое потребление – около 45 А, следовательно, необходим автомат на 50 А.
Для принцип тот же – в сторону увеличения, то есть в пару с автоматом на 50 А ставят УЗО на 63 А.
С тоже особых сложностей нет. Алюминиевый кабель не подходит – лучше его вообще не применять для устройства домашней электропроводки. Это небезопасно, да и по характеристикам он уступает медному аналогу. Поэтому останавливаемся на медном проводе с сечением, соответствующим мощности и потребляемому току.
При выборе провода также учитывают характеристики сети и способ прокладки проводов. По современным требованиям, новые городские квартиры изначально оснащают проводкой, соответствующей всем нормам. А в старом жилье, возможно, проводку придется менять
Если в процессе подготовительных работ провода придется все же покупать, ориентироваться нужно на параметры мощности плиты:
- 3-5 кВт – сечение провода 2,5 мм²;
- 5-7,5 кВт – 4 мм²;
- 7,5-10 кВт – 6 мм².
Для трехфазной сети применяют 5-жильный провод 2,5 мм².
Если вы еще не решили, какую модель плиты купите, но уже затеяли замену проводки, можно смело покупать провод ВВГнг 4 мм² – если расстояние от плиты до щитка не более 12 м, и ВВГнг 6 мм² – если электрощит находится дальше. Современные плиты с духовками достаточно мощные, так что не прогадаете.
А сейчас разберем, в каком порядке лучше выполнять все действия.
Пошаговое руководство по подключению
Проще всего производить установку, когда все готово: силовой контур выведен на отдельный автомат, а на кухне, в удобном месте, установлена розетка или подготовлены провода для прямого подключения. Все соответствует нормам и требованиям, остается только соединить провода по схеме.
Но на практике мы сталкиваемся с другими ситуациями: в старой квартире при установке нового мощного оборудования зачастую нужно менять всю проводку, в новом жилье – неудобно расположены розетки. Поэтому рассмотрим возможные варианты.
Шаг #1 — выбор места установки
Для плиты необходимо выбрать участок для «постоянного пребывания», так как вряд ли вы будете переставлять ее на другое место. Обычно это решается в процессе заказа или покупки кухонного гарнитура.
Место для плиты выбирают с учетом правила «рабочего треугольника»: когда она, холодильник и мойка находятся в общей зоне, на сравнительно небольшом расстоянии друг от друга
С учетом требований безопасности основание под плитой должно быть прочным и стабильным. Каких-то отдельных мероприятий по теплоизоляции или защите стен производить не надо – современные приборы максимально защищены от различных рисков.
Если в новой квартире уже установлена силовая розетка, постарайтесь, чтобы плита находилась как можно ближе к ней. Короткие провода и отсутствие удлинителей – это тоже одно из условий безопасности.
Шаг #2 — расчеты и планирование работ
Лучше заранее распланируйте все этапы работы, чтобы понять, сколько времени потребуется на подготовку. Возможно, придется полностью менять проводку, а заодно и сделать косметический ремонт – стоит только начать.
Для удобства составьте список, что необходимо купить – провода, защитный автомат, вилку, розетку, гибкий провод. Не исключено, что вам потребуется что-то одно или вообще ничего, так как все уже есть
В многоквартирных домах запрещено самостоятельно формировать или дополнять электрические щиты, поэтому для установки отдельного автомата заранее договоритесь с электриком из обслуживающей компании. Он же подскажет, какое устройство лучше приобрести.
Учтите, что внутренний – процесс длительный и трудоемкий. Приходится искать специальный инструмент или нанимать рабочих, чтобы проштробить стены. Все эти нюансы нужно учесть перед началом работ.
Дальнейшие шаги предполагают, что с проводкой все в порядке.
Шаг #3 — установка защитного автомата
Купив автомат, сначала подыщите для него наиболее удачное место на дин-рейке. Это удобнее сделать, если у вас отдельный электрощит, не совмещенный со щитами соседей, что характерно для домов старой постройки.
Автомат для плиты обычно входит в так называемую «кухонную» группу, которая состоит из защитных устройств и для других мощных агрегатов – например, бойлера. Маломощные приборы обычно подключают к одной линии и запитывают на общий автомат
Если вам все же пришлось самостоятельно производить установку, в первую очередь обезопасьте себя – отключите подачу питания.
Закрепив устройство на дин-рейке, поочередно закрепите провода. Сначала питающую фазную жилу, подведите ее к верхней зажимной клемме и прижмите винтом. Старайтесь, чтобы изоляция не попала в зажим. Затем зафиксируйте нулевой проводник и землю на соответствующих шинах.
Шаг #4 — если нужен гибкий провод
Более простое подключение – скрытое, когда провод питания напрямую соединяется с клеммами на плите. Но мы разберем способ посложнее, с монтажом гибкого провода с вилкой, чтобы можно было пользоваться розеткой и при необходимости отключать плиту прямо на кухне.
Гибкий провод в комплекте не идет, так как предполагается прямое, более безопасное подключение. Но и сам электрошнур, и вилку можно приобрести в магазине за небольшую сумму
Некоторые производители заботятся о своих покупателях, поэтому комплектуют приборы вилками и схемами их подключения.
Силовые вилки имеют разборную и понятную конструкцию. Для подключения проводов сначала откручиваете фиксирующие винты, снимаете крышку со штырьками-контактами, убираете фиксирующую планку.
Находите три клеммы: заземление обычно расположено сверху или снизу, а по бокам – нуль и земля. Чтобы понять, как распределить жилы, протестируйте розетку, в которую будете вставлять вилку.
Тестирование легче всего провести индикаторной отверткой. Если ее поместить в отверстие с нулевым проводником, она не отреагирует, а при соединении с фазой индикатор загорится
При соединении проводов к клеммам нужно соотнести фазу розетки с фазой вилки, чтобы при включении они совпадали. Когда это выясните, можете присоединять проводники. Удалите изоляцию с кабеля примерно на 5 см, заведите его в корпус вилки.
Проводники тоже зачистите на пару сантиметров. Концы многожильных проводов лучше обжать наконечниками. Если нет такой возможности, можно скрутить и обмотать вокруг контактов.
Осталось закрепить провода в соответствующих клеммах, а затем установить на место крышку вилки со штырьками. Провод для плиты готов, осталось его зафиксировать на корпусе.
Шаг #5 — подключение проводов по схеме
Для правильного подключения выбираем нужную схему. Если вы владеете городской квартирой, потребуется схема для 1-фазной сети.
Где расположено место подключения проводов? На задней стенке плиты есть небольшая ниша, закрытая крышкой. Металлическая крышка прямоугольной формы держится на нескольких винтах или защелке. Снимаем крышку, находим клеммники.
Место подключения можно найти и по табличке со схемами соединения проводников к клеммам. Она обычно расположена над клеммами или сбоку от них. У некоторых моделей все схемы – только в монтажной инструкции
Соединяем клеммы перемычками согласно выбранной схеме, распределяем проводники гибкого шнура по клеммам, вставляем их в зажимы и закручиваем. Если провода многожильные, рекомендуем предварительно обжать их специальными клеммными наконечниками. Простая скрутка и обмотка не защищены и опасны.
Болты нужно подтянуть потуже, чтобы контакт был максимально плотным. Это защитит провода от случайных искр и обгорания.
Старайтесь соблюдать цветовую маркировку при подключении вилки и клемм плиты. Так вы уменьшите вероятность путаницы, при которой, в лучшем случае, плита просто не заработает, в худшем – замкнет
После подключения всех проводников к клеммам прикрутите на место крышку, а провод, чтобы он не болтался, закрепите специальным фиксатором – пластиковым приспособлением, расположенным рядом.
Шаг #6 — тестирование на работоспособность
Перед тем, как включить автомат, убедитесь, что все соединения надежно закреплены. Затем поочередно включите автомат и вилку в розетку. Попробуйте воспользоваться авторозжигом. Если пламя загорелось – все подключения выполнены правильно.
Если плита не работает – где-то нет контакта. Придется перепроверить все места соединений, включая электрощиток, вилку и клеммы на электроплите. Возможно, провода перепутаны или подключены не все.
Рекомендуем по окончании работ, если они выполнены в полном объеме самостоятельно, все же пригласить электрика. Приступать к использованию плиты можно только после его профессионального одобрения – тогда и вы будете на 100% уверены, что все сделано правильно.
Выводы и полезное видео по теме
Подробный инструктаж с пояснениями + пайка проводов:
Как правильно соединить вилку с проводом – наглядно и исчерпывающе:
Как видите, подключение электрической плиты имеет свои сложности, но при знании необходимой информации его можно выполнить самостоятельно. Конечно, главным подспорьем является техническая документация – схемы подключения и рекомендации производителя по выбору устройств.
Сейчас вы обладаете знаниями, которые могут пригодиться во время ремонта или замены оборудования. Не забывайте, что для подключения обязательно нужно проверить характеристики проводки и установить автоматическую защиту.
Если вам известны интересные и полезные нюансы установки электроплиты – присоединяйтесь к обсуждению ниже в комментариях. Напишите, с какими сложностями вы столкнулись при подключении своей модели, каких ошибок вам удалось избежать.
Схема подключения конфорок эл плиты гефест. Ремонт, подключение электроплит — их электрические схемы
Современная электрическая плита может стать прекрасной альтернативой привычной всем газовой плиты. Ушли в прошлое времена, когда этот бытовой прибор выглядел громоздким и потреблял непомерное количество электроэнергии.
На сегодняшний день рынок электроплит весьма разнообразен. В каждой модели производители постарались гармонично объединить функциональность, компактный дизайн и энергосберегающие технологии.
Чтобы не обращаться к профессиональному электрику, необходимо знать, как подключить электрическую плиту самостоятельно. Большую часть работ, а иногда и установку такого оборудования в полном объёме, можно выполнить своими руками.
Перед тем, как самостоятельно подключить электроплиту, следует выяснить её мощность, а также определить к какому типу сети необходимо произвести соединение. Большинство частных домов и квартир оснащены общей сетью однофазной проводки (220 вольт). Реже встречаются трёхфазные линии.
- Настольные электрические плиты и отдельные духовые шкафы имеют мощность меньше 3000 Вт. Их можно подключить через вилку (на 13 Ампер) и розетку или через соединительное устройство, снабжённое предохранителем.
- Электроплиты с духовкой имеют мощность больше 3000 Вт. Их подключение выполняется через отдельную проводку, выходящую непосредственно на электрощит. Такой тип проводки называется радиальной сетью.
Для этого типа сети используется подключение прибора без розетки, чтобы повысить безопасность. Цепь питания удлиняется, устанавливается плавкий предохранитель. Касательно него можно (и даже нужно) проконсультироваться у электрика. Он подскажет, стоит ли традиционный мини-автомат заменять предохранителем такого типа.
В электрощит монтируется отдельный рубильник с предохранителем либо используется имеющаяся свободная колодка. В ней должен быть предохранитель. При установке рубильника необходимо убедиться, подходят ли к нему трубчатые предохранители.
Радиальной сети выбирается следующим образом:
- плиты до 13,5 кВт – 4 кв. мм;
- до 18 кВт – 6 кв. мм.
Защита осуществляется предохранителем на 30 ампер или мини-автоматом на 32 ампера. Проводка трёхжильная. Одна из жил используется как заземление.
Разбираемся, как правильно подключить электроплиту к радиальной сети
Схему подключения электрической плиты своими руками в таком случае следует делать в следующем порядке.
Особенности установки через соединительное устройство
Порядок работ при таком варианте установки следующий:
- Если блок выключателя выходит непосредственно на запасную колодку электрощита, красная жила провода подключается к самой колодке (это фаза), чёрная к нейтральной шине, а жила заземления соответственно к шине заземления (отмечается жёлто-зелёным кембриком).
- Второй вариант подключения осуществляется через выключатель, оснащённый предохранителем. Он крепится возле электрощита с помощью шурупов.
Провода от плиты подключаются к клеммам следующим образом:
- жила с красной изоляцией крепится к фазе;
- чёрная – на нейтраль;
- жила заземления подводится к соответствующей клемме (помечается двуцветным кембриком).
Подключается к выключателю с помощью двух многожильных проводов в двойной изоляции. Сечение 16 кв. мм (можно взять провода тоньше, на 10 кв. мм и выполнить подключение более короткими отрезками этих проводов). Чёрный провод крепится к нейтральной клемме щита и выключателя (N). Красный к фазе (L). Заземление из многожильного провода той же длины укрепляется на клемме в соответствующем месте щита (цвет жёлто-зелёный).
Затем устанавливается предохранитель и крышка электрического щита закрывается.
Внимание! Нельзя к общей клемме точно так же, как и нельзя запитывать новую сеть до проверки правильности монтажа профессиональным электриком и выдачи им заключения о соответствии всем техническим нормам. Этот документ подаётся в электрическую компанию вместе с просьбой подключения к её сети.
Способы монтажа разных схем
При установке с помощью розетки всё происходит намного проще. Применяется кабель для подключения электроплиты со специальным разъёмом – парой из розетки и вилки (РШ-ВШ). Выпускаются он двух типов: для скрытой и .
Плиты бывают с мощностью 220 и 380 вольт. Схема подключения обязательно указывается производителем для обеспечения правильного подведения проводов сети к клеммам плиты. Этот схематический рисунок чаще расположен на задней стенке прибора, либо в инструкции к нему.
На заметку. На схеме зажимы для фаз обозначаются: L1, L2, L3; нейтральные указаны буквой N. Непосредственно в клеммной коробке фаза отмечена цифрами: 1, 2, 3; нейтраль – это 4 и 5.
- Перемычка между фазными клеммами изначально установлена производителем «по умолчанию» на подключение электроплиты к однофазной сети.
- Для трехфазного подключения электроплиты перемычка снимается. Очерёдность соединения проводов к фазным зажимам значения не имеет.
- Для двухфазной проводки перемычка устанавливается между клеммой 1 и 2. Подключается одна фаза. Вторая крепится к зажиму под номером 3.
Пример однофазного подключения электроплиты можно увидеть на рисунке.
Принцип установки при всём разнообразии плит, представленных на рынке, стандартный. Встраиваемые, обыкновенные бытовые и даже промышленные электроплиты подключаются по одной общей схеме. Незначительные нюансы обусловлены количеством фаз в сети. Разобраться в этом совсем несложно. Поэтому с подключением электрической плиты справится, по сути, любой хозяин.
Видео о подключении электроплиты своими руками
Не во всех местностях газ подведен к жилым зданиям. В таких ситуациях приходится обходиться электрическими плитками. В обиходе еще остались старые модели. С ними иногда происходят неприятные ситуации, которые требуют замены определенных элементов. Нелишней будет схема подключения конфорки, т. к. часто именно ТЭНы выходят из строя и требуют замены.
Распространенные модели
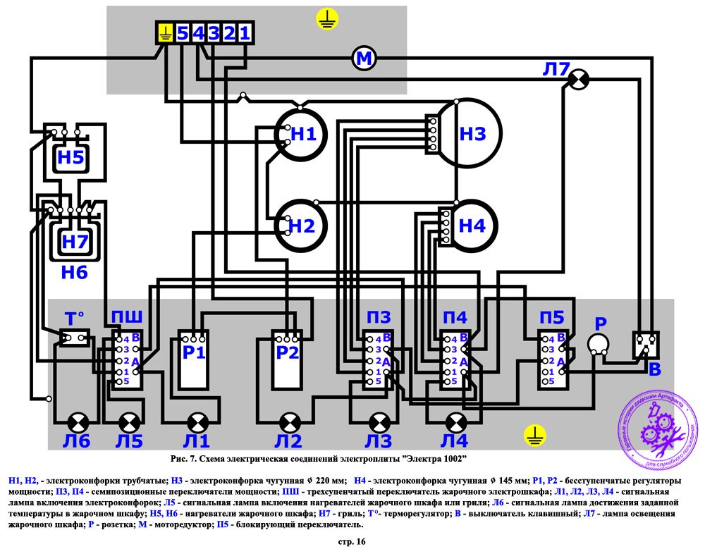
В своей задумке нагревательные элементы для старых плиток не должны ломаться, но это все равно происходит. Связано это может быть с тем, что нагреватель плитки долгое время работает вхолостую после того, как его забыли выключить, или происходит резкий скачок напряжения, который сказывается на конфорке. Если на поверхности ТЭНа видны механические повреждения в виде трещин, тогда можно точно сказать, что он разогревался до очень высоких температур. Изначально схема по подключению находится в паспорте изделия. В случае его удовлетворительного состояния ее легко уточнить, но чаще всего такие документы утеряны или их уже выбросили, тогда можно воспользоваться руководством, которое будет дано в статье.
Электра
Электра является одной из тех плит, которые устанавливались в новостройках или докупались самостоятельно. Речь идет о плите с модельным номером 1002. Схема, которая была разработана конструкторами для подключения не отличается особой сложностью, поэтому разобраться сможет даже человек, далекий от электричества. На верхней части плиты находится четыре нагревательных элемента. Каждый из них обозначается цифрой от 1 до 4 и имеет буквенный индекс «Н». Первые две конфорки плиты являются именно ТЭНами, т. е. трубчатыми нагревателями. Элемент под порядковым номером 3 выполнен из чугуна и имеет большой диаметр в 20 см. Четвертый элемент выполнен подобно третьему, но его диаметр немного меньше и составляет 14 см.
На каждую конфорку плиты идет свой переключатель. Они также имеют цифровое обозначение, но первые два имеют приставку из буквы «Р», а третий и четвертый — из буквы «П». Последние имеют преимущество регулировки мощности на семь ступеней, что позволяет выбрать требуемый режим. Духовой шкаф плиты имеет отдельный регулятор на три положения. Он обозначается сокращением «ПШ». Индикаторные лампы на схеме имеют обозначение буквой «Л» и порядковым номером от 1 до 4, который также соответствует и номеру конфорки. Для духового шкафа также есть своя лампа, которая обозначена цифрой 5. В духовке находятся еще два нагревательных элемента, которые обозначены цифрами 5 и 6 с соответствующей буквой. Седьмой нагреватель находится в верхней части духовки и представляет собой гриль.
Замена любого из ТЭНов заключается в том, что он первым делом демонтируется с плитки. Для этого придется снять защитные колпаки и планки. Во время разборки можно проследить, куда в плите уходят проводники от конкретного нагревателя. Если провода расплавились, тогда уточнить этот момент можно по схеме, которая приведена выше. На ней также находится порядок подключения питающей линии. Новый нагреватель просто устанавливается в плиту, фиксируется и подключается.
Мечта
Еще более популярной, чем Электра, была плита Мечта с модельным номером 8. Она представляет собой небольшую духовку, на верхней грани которых располагается два ТЭНа. На схемах к этой плите нагреватели, которые находятся на конфорках обозначаются цифрами 1 и 2, рядом с ними находится буквенный индекс «Е». Нагреватели с 3 по 5 находятся внутри духовки. Основной модуль, благодаря которому выполняется настройкой обозначается цифрами 1 по 4 и имеет индекс S. В конструкции предусмотрены световые индикаторы. Они могли сигнализировать о работе конфорок, ТЭНов внутри духовки и просто подсветку. В паспорте они обозначены как HL и имеют цифры от 1 до 3.
Обратите внимание!
На схеме также можно найти элемент с обозначением Т-300. Это тепловое реле, которое отвечало за отключение при достижении определенной температуры.
В плите реализована возможность управления интенсивностью нагрева. Оно производится переключателем S1. Благодаря замыканию контактов электрический ток поступает от вилки, которая обозначена XP и через предохранитель F подается на нагреватель, который находится в духовке. Он соединен последовательно с остальными ТЭНами, которые находятся в духовке. Это означает, что до того, как выполнить замену, необходимо определить, какой конкретно нагреватель вышел из строя. Сделать это можно изменением положения переключателя в такое положение, чтобы питание подавалось отдельно на один или два нагревателя в духовке. Для каждой конфорки также есть свой переключатель. На схеме обозначено, как идут провода для подключения каждого отдельного нагревателя.
Лысьва
Еще одним производителем, который довольно часто встречался раньше является Лысьва. Например, ниже приводится схема, которая позволит заменить конфорку на плите, которая имеет три основных нагревателя и те, что находятся в духовом шкафу. Каждый нагреватель на конфорке имеет 6 режимов регулировки. Выполняется задача путем повышения или уменьшения сопротивления проводников. На схеме видны установленные резисторы. По три из них идут на каждый ТЭН и еще четыре на духовку. Руководствуясь тем, как идет ток по схеме, можно легко установить новый нагреватель. В конце статьи будет видео о подключении конфорки с четырьмя выводами.
До того как приступить к замене элемента на плите, необходимо убедиться, действительно ли он вышел из строя. Обычной прозвонкой этого сделать практически невозможно, т. к. ТЭН имеет свое сопротивление. Именно сопротивление и необходимо проверять. Производитель указывает, какое значение является нормальным для исправного узла. Необходимо закрепить два щупа мультиметра на контактах нагревателя и переключиться в режим измерения сопротивления. По окончании процесса необходимо свериться с эталонным значением.
Обратите внимание!
Замер сопротивления необходимо производить на демонтированном нагревателе, в противном случае будет выведено значение всей системы.
Во время монтажа будьте внимательны на местах соединения. Все оголенные провода необходимо заизолировать с помощью изоленты или термоусадочной трубки. Ни один оголенный провод не должен касаться корпуса плиты. При выполнении работ по замене, необходимо обесточить плиту. Весь инструмент, который будет использоваться, должен иметь диэлектрические рукоятки, которые не пропустят разряд, который может быть в конденсаторах, если они присутствуют в схеме.
Заключение
Как видно, имея схему, выполнить замену нагревателя не так сложно. Никогда не стоит спешить отключать какие бы то ни было провода. Лучше для начала сфотографировать их на смартфон или цифровую камеру, чтобы знать, как выполнять подключение в обратном порядке.
К необходимым инструментам для подключения можно отнести следующее:
- перфоратор и болгарка для образования штроб, посадочных мест для розеток, при поверхностном проведении кабеля, что крайне не рекомендуется, подобные инструменты не понадобятся;
- плоскогубцы для работы с кабелем;
- отвертка;
- индикатор;
- дрель;
- измерительные приспособления для разметки положения всех элементов цепи;
- изоляционный материал;
Вся сложность заключается только в образовании посадочного места в стене под розетку и кабель. Остальная работа проста и ее можно выполнить без возникновения особых проблем.
Схемы подключения электроплит
Однофазное
Наиболее распространенная схема
, так как в жилых помещениях нет трехфазного питания в 90% случаев. В данном случае проводится подключение одной фазы к клеммам L1, L2, L Между этими клеммами устанавливаются медные перемычки, которые часто идут в комплекте с плитой. Между клеммами N1 иN2 также устанавливается перемычка и к ним проводят подключения кабеля «ноль. Есть специальная для жилы «земля».
Двухфазная система
Используется довольно редко.
Зачастую, на даче можно встретить ситуацию, когда при трехфазном источнике питании есть только две фазы. В этом случае используется двухфазная система подключения: между клеммами L1 и L2 устанавливается перемычка и подключается фаза A, а на клемму L3 кидается фаза B. «Земля» и «ноль» подключаются аналогичным способом.
Трехфазная система
Несколько отличается от вышеприведенных.
Главное отличие заключается в том, что использовать ни каких перемычек не нужно. Фаза А подключается к клемме L1, фаза Bк клемме L2, а С – к клемме L «Земля» и «ноль» подключаются также по предыдущим схемам.
Подобные особенности касаются схем подключения электрической плиты.
Пошаговая инструкция
Для начала выделим некоторые нюансы:
- Следует создать план будущей цепи питания.
- Согласно составленному плану
проводим разметку будущего расположения электрического кабеля, розетки и . - Проводим создание штроб
под электрический кабель.
Рекомендуется проводить углубление на несколько сантиметров, так как бетон, кирпич имеют хорошие диэлектрические свойства, а также не возгораются. Подобное углубление позволит защитить кабель от механического повреждения, а отделочные материалы от возгорания при пробое изоляции. - Проводим создание посадочного отверстия под розетку.
Стоит помнить, что чем точнее оно было сделано, тем лучше крепление розетки. В противном случае, она может шататься. - После того, как была выполнена предыдущая работа
, проводим укладку кабеля, подключения его к розетке. При этом, отметим, что наличие соединения нескольких кусков кабеля не допускается. - Проводим подключения силовой вилки
к плите согласно вышеприведенным схемам. - Если в сеть включается автомат
, нужно провести его установку в электрическом щитке. - Проводим подключение кабеля к автомату
или другому источнику питания.
При проведении работы, следует помнить о том, что сеть должна быть обесточена. Для этого сначала проводится отключение цепи от источника энергии, а затем проверяется наличие тока на всех ответвлениях при помощи индикатора или мультиметра. Стоит помнить о том, что при обрезке кабеля следует оставлять концы с запасом.
Подключение силовой вилки или кабеля напрямую (не рекомендуется) можно произвести следующим образом:
- Открываем заднюю крышку плиты
и получаем доступ к клеммам, через которые и будет происходить питание. - Под задней крышкой скрыт массивный блок.
Проводим откручиванием болтиков наполовину. - Очищаем концы жил провода
так, чтобы было их достаточно для обведения вокруг болтика. При этом, стоит отметить, что их большая длина – основная ошибка. При некоторых обстоятельствах есть вероятность того, что жилы прикоснутся, и возникнет короткое замыкание - Загибаем концы жил
и накидываем их наверх болтиков. Разводим жилы на максимальное расстояние. - Закручиваем болтики
, не передавая чрезмерного усилия. Чрезмерное усилие может привести к нарушению структуры ворсинок. Однако, жилы должны иметь прочное соединение. - Закрываем крышку.
Возможные сложности:
- Образование правильной ниши под розетку.
Для перфораторов были созданы специальные насадки, которые позволяют провести создание ниши необходимой формы и размеров. - Часто можно встретит ситуацию
, когда в комплекте нет перемычек, необходимых для выполнения работы по подключению плиты. Создать перемычку можно самостоятельно, для чего можно использовать небольшой кусочек используемого провода. Данная особенность означает, что перемычка будет иметь поперечное сечение, выбранное с учетом минимального допустимого значения. - Можно встретить ситуацию, когда отрезанного кабеля не хватает.
В данном случае стоит помнить о том, что наличие соединений между кусками кабеля в этом случае не допускается. Данная особенность связана с тем, что именно в местах соединений создается наибольшее сопротивление и нагрев. Используемая изоляция может не выдержать нагрузку.
Некоторые проблемы нельзя исправить самостоятельно. Ранее, частым явлением была ситуация, когда общий автомат на квартиру или дом не выдерживал нагрузку. Его замену могут провести только сотрудники энергосетей.
Руководство по заземлению
При работе в сетях старого образца, даже специалисты часто допускают грубые ошибки. Примером можно назвать случай, когда заземление выполняют на шине рабочего ноля. В ситуации, когда проводом обрывается ток, подается на электроприбор и пользователя ударит током. Также, можно часто встретить ситуацию, когда жила «ноль» и фаза путаются.
Результат подобного подключения также приведет к удару током пользователя. Однако, отказывается от подключения «ноля» нельзя.
Для начала, следует узнать, есть ли заземление у щита.
Для этого можно воспользоваться помощью электрика или посетить ЖЭК, другую обслуживающую организацию с подобным вопросом.
Ответ на поставленный вопрос должен быть дан четко, должна быть предоставлена подтверждающая документация. В противном случае, верить словам не стоит.
Жильцы первого этажа или собственного дома могут решить проблему следующим образом:
- Снаружи
проводится вкапывание трех труб длиной 250 сантиметров и диметром не менее 16 миллиметров. - Проводится их соединение
между собой. - Оконцованный наконечником провод
от щита выводится к вкопанным трубам. - Проводим подключени
е нулевой шины.
Подобным образом можно создать отводящий электричество контур.
Если возможности создать отводящий контур нет, следуем нижеприведенным инструкциям:
- Заглушаем провод
, который отвечает за «ноль». - При установке плиты
обращаем внимание на то, чтобы она не находилась в контакте с другими проводящими электричество элементами, к примеру, с трубами. - Возле плиты
следует положить сухой коврик, который обладает диэлектрическими свойствами. - Обычный автомат
меняем на дифференциальную модель с пределом 30 А. - Проявляем осторожность
при использовании плиты.
Требования к электропроводке и другим элементам цепи
подбор сечения кабея
Существует несколько основных требований, которые следует выполнить для обеспечения надежной работы электрической плиты. Данные требования связаны с тем, что рассматриваемый потребитель электроэнергии имеет большую мощность и это создает определенное напряжение в сети.
Повышение напряжения приводит к нагреву проводки и других элементов, если они не были рассчитаны на подобную нагрузку.
К основным требованиям, которые предъявляются к электропроводке, можно отнести следующее:
- Один из пунктов ПУЭ определяет
, что в жилых помещениях могут использоваться только медные провода. Использовать алюминиевые провода в жилых помещения можно только в том случае, если их поперечное сечение составляет 16 кв. мм и выше этого показателя. Использовать проводку подобного сечения дома не стоит. Данная особенность связана со многими особенностями рассматриваемых сплавов, из которых производят проводку. - Если дома или в квартире однофазное питание
, следует выбирать трехжильный кабель. В подобном кабеле один провод обозначает фазу, второй ноль, третий землю. Если в доме используется старая проводка стоит провести ее замену. При трехфазном питании стоит выбирать пятижильный кабель. В данном случае, три провода будут обозначать фазы, два других – ноль и землю. - При выборе кабеля
особое внимание уделяется величие поперечного сечения. Согласно принятым нормам. при питании плиты от сети 220 В, должно быть не менее 6 кв.мм. Однако, это значение усредненное, оно может быть больше или меньше. Примером можно назвать подключение плиты, которая имеет мощность 7 кВт. В этом случае, можно использовать кабель с меньшим поперечным сечением. Для трехфазной сети следует использовать кабель, который имеет поперечное сечение 2,5 кв.мм. Стоит отметить, что есть возможность воспользоваться различными таблицами, в которых приведены рекомендации толщины жил кабеля в зависимости от мощности потребителя. Также, есть специальные калькуляторы, которые проводят расчет. Поэтому в этом важном расчете помощь специалиста уже не нужна. - Последним критерием выбора
можно назвать то, кто является производителем кабеля. В данном случае, рекомендуется выбирать производителя по показателю того, в каких условиях будет проложен кабель. Некоторые производители создают варианты исполнения, которые предназначены для питания электрических плит.
При рассмотрении данного вопроса, сразу отметим, что согласно принятым нормам в сеть подключения плиты нельзя включать розетки и другие источники питания. Поэтому кабель подбирается только под особенности плиты.
Рекомендуется вводить в цепь для защиты кабеля автоматический выключатель, который будет работать исключительно с плитой.
Номинальное значение тока автоматического выключателя должно составлять 32 А.
Стоит отметить, что установленные правила не требуют включения этого элемента в цепь питания плиты, но он не будет лишним. Ведь только автомат способен быстро обесточить цепь при возникновении опасной ситуации.
К выбору розетки и вилки также следует отнестись с большой ответственностью.
Их минимальные значения рабочего тока должны соответствовать показателю установленного автомата. Если автомат рассчитан на 32 А, то розетка и вилка должны также иметь подобные показатели.
Трехфазная вилка с розеткой должны иметь дополнительную корпусную защиту, которая позволит предотвратить случайное выдергивание вилки. Во время разъединения, трехфазная розетка должна быть защищена от случайного попадания посторонних элементов.
- Во время выполнения работы
нужно быть уверенным в том, что никто не включит подачу тока снова. - Также, не стоит спешить во время работы
, так как допущенные ошибки могут иметь серьезные последствия. - Ранее было популярно проводить заземление через трубы отопления и канализации.
Несмотря на то, что по правилам они должны быть хорошо заземлены, на практике это никто не контролирует. В случае выхода из строя плиты, может пострадать не только ваша квартира, но и соседей. - Проводить заземление
через другие коммуникации также запрещается.
С каждым годом всё большее количество людей решается на подключение электроплиты. Это и не удивительно. Современные технологии, используемые при их создании, позволяют добиться немалой экономии.
Представим, что вы уже приобрели электроплиту, и вам нужно её подключить. В таком случае необходимо в первую очередь внимательно прочитать инструкцию. Именно там указывается рабочая схема подключения.
Внимание
! Электроплиты потребляют большой объём электрической энергии в сравнении с другими бытовыми приборами, и это необходимо учитывать при подключении по схеме.
Алгоритм подключения
Перед тем как перейти к непосредственному подключению электроплиты по схеме, необходимо ознакомиться с рядом документов:
- ПУЭ 7,
- ПТЭЭП,
- технический паспорт.
Только после этого вы сможете правильно воспользоваться данной инструкцией. В противном случае вы рискуете не только потерять гарантию на электроплиту, но и подвергнуть себя опасности.
Шаг 1. Выбираем провода
Провод питания согласно схеме, должен быть независимым. Проще говоря, его необходимо напрямую пустить в распределительный щиток. В противном случае проводка может просто перегореть, спровоцировав, таким образом, пожар.
Если у вас в доме нет выделенной линии, то вы можете использовать такие типы проводов:
В свою очередь, чтобы осуществить подключение электроплиты от розетки согласно схеме, нужно использовать кабель типа ПВС. Если вы его не сможете найти, то подойдёт и КГ. Кстати, последний обладает куда большей устойчивостью к изломам. В процессе эксплуатации он может изгибаться множество раз. Вреда от этого не будет.
Когда вы подбираете сечение кабеля для подключения электроплиты, то в расчёт необходимо взять три основных параметра:
- количество фаз,
- напряжение сети,
- потребляемую мощность.
Просто посмотрите в таблицу ниже и подберите подходящий для подключения электроплиты по схеме кабель. При этом лучше предусмотреть небольшой запас мощности, так как перепады в сети — это обычное дело.
Также при подключении электроплиты по схеме своими руками необходимо знать о некоторых нюансах. Во-первых, все операции нужно проводить независимо от автоматического выключателя. Во-вторых, номинал подачи тока должен быть выше на одну единицу, чем потребление аппарата.
Технические характеристики электроплиты вы можете найти в соответствующей документации, которая должна идти к прибору в комплекте поставки
. Также все параметры указываются на корпусе.
Внимание
! Автоматический выключатель должен принадлежать к группе C.
При подключении электроплиты по схеме необходимо озаботиться о наличии УЗО. Оно позволит защитить вас и вашу семью от удара электричеством в процессе эксплуатации прибора.
УЗО нужно установить неподалёку от автовыключателя. Подключение устройства защитного отключения возможно только после установки автоматического выключателя. Особое внимание уделите винтовым зажимам.
Они должны быть надёжно зафиксированы.
Шаг 2. Делаем розетку
В идеале у вас на кухне уже должна быть розетка, через которую можно осуществить подключение электроплиты согласно схеме. Но к сожалению, разъёмами нужной мощности оборудованы далеко не все квартиры, поэтому иногда об этом приходится позаботиться самостоятельно.
Внимание
! Вам нужна розетка, которая сможет обеспечить питание электротехники с мощностью свыше 3 кВт.
В большинстве случаев на кухне устанавливается однофазная розетка. Её более чем достаточно, чтобы обеспечить подключение электроплиты по стандартной схеме. При этом минимальный номинальный ток должен составлять не менее чем 32 А
. В идеале необходимо 40.
Розетка, которую вы будете использовать для подключения электроплиты по схеме должна быть сделана с качественных материалов. Также должен обеспечиваться электрический контакт.
Очень важно чтобы количество жил было таким же, как и количество проводов. Ни при каких обстоятельствах нельзя соединять провода вместе, чтобы стало возможным подключение к одному контакту. Это может привести к пожароопасной ситуации.
При подключении разрешается использовать только медный провод. При этом сечение провода должно соответствовать табличным показателям. Саму розетку нужно установить на ровной поверхности. При этом материалов с высокой горючестью поблизости быть не должно.
Совет
! При установке на кирпичную стену желательно использовать прокладку, чтобы основание розетки не треснуло.
Нельзя устанавливать розетку для подключения электроплиты по схеме возле рукомойника. Это не соответствует правилам безопасности. Брызги могут попасть на оголённый кабель и вызвать замыкание.
Также розетка не должна быть установлена слишком близко к железным трубам. Это же относится к дверным и оконным проёмам. От правильного выбора места для установки зависит безопасная эксплуатация прибора.
Когда вы закончите установку розетки для подключения электроплиты по схеме, проверьте изоляцию. Кабели не должны быть повреждены. Только после этого включайте плиту.
Внимание
! В идеале цвета проводов в вилке должны совпадать с цветами кабелей в розетке.
Отдельное внимание уделите винтовым зажимам, они должны быть закреплены должным образом.
Мало того, при установке розетки, для подключения электроплиты необходимо каждый многожильный кабель дополнительно пропаять. Пайку нужно делать там, где они крепятся к контактам.
В том, насколько правильно вы подключили провода, вам позволит убедиться мультиметр. Как только предварительная проверка завершится, можно будет включить автоматический выключатель.
Шаг 3. Подключение к плите
Чтобы подключить электроплиту к кабелю питания, вам, конечно же, понадобится схема. Точный рисунок подключения должен быть в техническом паспорте. После того как вы его найдёте нужно будет найти на задней панели маленькую крышку и открутить её. Под ней вы найдёте клеммы проводов.
Теперь можно закрепить провода для подключения электроплиты согласно схеме. Но перед этим необходимо закрепить все кабели. В противном случае неаккуратным движением вы их просто вырвите.
Внимание
! Для креплений на корпусе электроплиты есть специальные зажимы.
Подключение проводов зависит от количества фаз. Для сопряжения нужно использовать медные перемычки. Обычно они идут вместе с клеммной колодкой. По имеющейся у вас схеме установите соединения. После этого затяните винты.
Обычно в документации или на самой крышке имеется схема, с помощью которой вы сможете подключить плиту. При этом цвета подключаемых кабелей в идеале должны соответствовать друг другу.
В первую очередь нужно подключить заземление. Обычно этот провод имеет салатовый цвет (смесь желтого и зелёного). После этого можно подсоединить нейтраль. Синий кабель подключается третьим. Только после этого можно переходить к фазным проводам. Последовательность следующая:
- коричневый,
- чёрный,
- чёрный.
В процессе подсоединения необходимо сохранять предельную осторожность, так как неправильный контакт может привести к выходу из строя плиты или проводки. В конце работ крышка закрывается.
Общие схемы подключения к сети
Пожалуй, это самая простая схема подсоединения к однофазной сети, для того чтобы подключить питание вам понадобится:
- Установить перемычки на клеммы L1 и L2, L2 и L3.
- К L2 подсоединить коричневый провод под фазу.
- Установить перемычку на N1 и N2.
- К N2 подключить нейтраль.
- На заземляющий контакт выводится провод заземления.
При этом вы должны помнить, что это общая схема. Во многих схемах, которые идут вместе с документацией могут быть другие названия клемм
. Мало того, даже их количество может быть разным.
Если вам нужно будет подключить плиту к трёхфазной сети, то схема будет немного отличаться. У вас будет три фазы, которые нужно просто подсоединить к трём клеммам L1-L3. При этом в процессе монтажа никакие перемычки не нужны. N1 и N2 вместе с PE подключаются к советующим контактам.
С двухфазной сетью нужно будет установить перемычку на L1 и L2. После этого вы сможете подключить к ним фазу A. Соответственно на C будет выходить L3. Все остальные провода можно подключать по аналогии с предыдущими сетями.
Итоги
Подключить электроплиту к сети не так-то уж и сложно. Мало того, это возможно в квартирах и домах, где по проекту не были предусмотрены розетки такого типа. Но чтобы это стало возможным необходимо использовать качественные комплектующие и учитывать важные нюансы вроде количества фаз в сети.
Электроплиты уже давно вошли в наш обиход, но, к сожалению, далеко не все знают, как их подключать.Итак, если Вы приобрели одну из таких плит и собираетесь самостоятельно ее подключить, данная статья вам в этом поможет. В ней мы, пошагово, постараемся объяснить, как это сделать грамотно, а главное безопасно!
Так же стоит отметить, что хоть электроплиты и считаются бытовыми, но потребляют достаточно большую мощность – это стоит учитывать как при монтаже, так и при дальнейшей эксплуатации нагревательных электроприборов в быту.
Перед установкой, внимательно ознакомьтесь с содержанием инструкции по монтажу. Если какие-то пункты вызвали у вас сомнение, то лучше доверить монтаж квалифицированному электрику. Помните, что гарантия завода производителя не распространяется в случае подключения электроплиты с нарушением правил и норм по монтажу электрооборудования.
Предлагаем рассмотреть, как правильно выбрать комплектующие для монтажа: кабель, вилку, розетку, автоматический выключатель. Подключить электроплиту и духовой шкаф к однофазной, двухфазной, трехфазной сети электропитания напряжением 220 и 380 Вольт своими руками.
Самостоятельное подключение электрической плиты
Перед тем как начать любые работы по подключению к сети электрического оборудования, нужно тщательно изучить технический паспорт изделия, который должен обязательно прилагаться, а также ознакомиться с такими нормативными документами как ПУЭ 7 издания и ПТЭЭП.
Пошаговая инструкция
подключения электроплит electrolux ekc (электролюкс), zanussi (занусси), hansa (ханса), gorenje (горение), bosch (бош), ariston (аристон), beko (веко), hotpoint, indesit (индезит), greta, kaiser (кайзер), aeg, норд эп, самсунг к электросети:
Шаг 1 – Кабели питания, автоматический выключатель и УЗО
Подвод питания электроплиты должен осуществляться независимым кабелем, идущим напрямую в распределительный щит квартиры. Для прокладки кабеля от щита к розетке, можно использовать кабеля марок: ВВГ; ВВГ-нг; ПВС; ШВВП. А от розетки к плите, лучше подключить многожильными проводами, например ПВС или КГ, которые более устойчивые к излому при многократном изгибе во время эксплуатации.
Сечение кабеля зависит он напряжение сети, количества фаз и потребляемой мощности. Зная эти параметры, можно подобрать подходящий кабель из таблицы. Сечение проводников лучше брать с запасом на один порядок больше.
Таблица: подбор сечения кабеля
Подключение должно осуществляться от отдельного автоматического выключателя. Номинальный ток автомата должен быть выше на один номинал, чем ток потребления электроплиты.
Все характеристики электроплиты можно найти в технической документации которая прилагается при покупке, так же их указывают на корпусе. Время-токовая характеристика автоматического выключателя должна быть группы С.
Так же желательно установить и устройство защитного отключения (УЗО), которое обезопасит человека от поражения электрическим током, при случайном прикосновении к неисправному оборудованию. УЗО устанавливается рядом с автоматическим выключателем, и подключается после него. Его номинал должен быть на порядок меньше, чем автомат. Ток утечки на землю не более 30 мА. Все винтовые зажимы должны быть тщательно зажаты, так как через них будет проходить большой ток.
Шаг 2 – Установка розетки
Далеко не в каждой квартире, на кухне есть силовая розетка, предназначенная для подключения мощной техники, потребляющей более 3 кВт. Обычно это однофазная силовая розетка, которая рассчитана на номинальный ток 32 А или 40 А.
Предлагаем рассмотреть, как правильно выбрать и установить розетку для электрической плиты
:
- Розетка должна быть выполнена из качественных материалов, и обеспечивать надежный электрический контакт.
- Количество контактов должно соответствовать количеству жил проводов. Запрещается соединять провода вместе, подключая их к одному контакту.
- Для подключения розетки используйте только медный кабель.
- Сечение кабеля должно соответствовать таблице приведенной выше.
- Розетка устанавливается на ровную, не горючую поверхность.
- Если у вас кирпичная стена, накладную розетку желательно установить на специальную подкладку, это не даст основанию розетки треснуть при монтаже.
- Не устанавливайте розетку слишком близко к горячим поверхностям, рукомойникам, железным трубам, оконным и дверным проемам.
- При замене старой розетке, убедитесь что изоляция проводов не повреждена и нет следов перегрева кабеля.
- Цвета проводов должны совпадать назначению проводов, как в розетке, так и в вилке.
- Все винтовые зажимы должны быть закреплены должным образом. Многожильные провода следует предварительно пропаять паяльником, в месте их крепления к контактам розетки.
- После установки розетки, убедитесь в правильности подключения проводов. С помощью мультиметра проверьте отсутствия короткого замыкания.
Включите автоматический выключатель в распределительном щите квартиры. Мультиметром проверьте наличие напряжения на фазных контактах розетки.
Шаг 3 – Откройте заднюю панель плиты
Для подключения кабеля к электроплите, на задней ее стороне нужно найти и открутить небольшую крышку, которая закрывает клеммы для проводов.
Задняя стенка бытовой плиты
Шаг 4 – Крепление кабеля
После того как вы сняли крышку нужно закрепить кабель. Это делается для того что бы избежать случайного выдергивание кабеля из плиты. Вставьте кабель и закрепите его на корпусе плиты в специальном зажиме.
Отверстие под проводку кабеля ЗВИ
Шаг 5 – Установка медных перемычек
В зависимости от количество фаз питания, подключение проводов осуществляется по-разному. Что бы правильно согласовать подключение плиты к различным сетям питания, в комплекте с клеммной колодкой, идут специальные медные перемычки. Согласно выбранной Вами схемы, установите перемычки в колодку и затяните винты, где не будут подключаться провода.
Подключение проводов к бытовой плите
Шаг 6 – Подключите провода
Очень важно правильно подключить провода на клеммной колодке! В документации и зачастую на самом корпусе, возле крышки, есть схема подключения с различными видами питающей сети. Согласно схеме, которая подходит в вашем случае, подключите провода к клеммам. Цвет проводов должен соответствовать подключению в вилке и розетке. Первым подключает провод заземления — желто-зеленый, затем нейтральный провод — синий. Затем фазные провода, коричневый и два черных. Здесь главное ничего не напутать, чтобы не вывести оборудования из строя.
Перемычкой соединияем изолированную нейтраль и заземление
Шаг 7 – Закрытие панели
После подключения всех проводов, еще раз проверьте схему подключения, убедитесь, что нет ошибок. Хорошо подтяните зажимные винты. Но помните: во всех плитах разъем выполнены из хрупкого материла, не применяйте больших усилий, иначе Вы можете повредить его. Теперь можно закрыть крышку и завинтить болты крепления.
Итоговое подключение проводов к бытовой электроплите
Шаг 8 – подключение к сети
Перед подключением печи к сети, убедитесь, что схема собрана правильно, все токоведущие части закрыты. Включите автомат и УЗО, проверьте наличие напряжение в розетке. Включите электроплиту в сеть. Согласно инструкции, убедитесь в правильности работы всех ее функций.
Видео: видео-инструкция по подключению электроплиты
Подключение плиты в однофазной сети
В отличие от частного дома или производственного предприятия, в квартире нет возможности подключить электроплиту к трехфазной сети. Поэтому мы будем рассматривать однофазное подключение, используемое квартирах. Большинство плит имеют следующие клеммы для подключения проводов: L1; L2; L3; N1; N2; и заземляющий контакт.
Для подключения такой электроплиты в домашнюю однофазную сеть 220 В необходимо:
- поставить перемычку между клеммами L1 и L2, L2 и L3,
- подключить к L2 фазный провод — коричневого цвета;
- оставить перемычку между клеммами N1 и N2;
- подключить к N2 нейтральный провод — синего цвета;
- к заземляющему контакту, отмеченному специальным значком, подключить провод заземления — желто-зеленого цвета.
Количество и название клемм может отличаться, уточняйте эти данные в документацию на прибор.
Однофазная схема подключения электрической плиты
Подборка видео-руководств
Подключение электроплиты 380 вольт | Слава созидателям
Подключение электроплиты 380 вольт
Схема и способы подключения
Электрические бытовые плиты — мощное оборудование, потребляемый ими ток порядка 40-50 А. Это значит, что подключить электроплиту необходимо на выделенную линию электропитания. Она должна запитываться напрямую от квартирного или домового щитка. Питание подается через УЗО и защитный автомат. Сама плита может подключаться через розетку и вилку (специальные силовые), клеммную коробку. Также линия от автомата может напрямую заводиться на клеммы ввода на задней стенке.
Схема подключения электроплиты
Более надежное соединение — напрямую на входные клеммы плиты. В этом случае имеется минимальное число точек контакта, что повышает надежность. Но такой способ не совсем удобный: отключать электропитание можно только автоматом. Примерно такая же проблема и при использовании клеммной коробки, с той лишь разницей, что точек соединения больше.
Чаще всего используют подключение при помощи розетки и вилки. Это более удобно и привычно. Так как оборудование мощное, используют не обычные бытовые устройства, а специальные, которые называют еще силовыми — за их способность выдерживать значительные токовые нагрузки.
Обратите внимание, что при подключении мощного электрооборудования обязательно наличие заземления. Без него вам откажут в гарантийном ремонте, да и его отсутствие опасно для жизни, так что лучше не рисковать.
Электрические параметры и номиналы автоматов защиты
Как выяснили, в электрощитке должны стоять отдельные УЗО и защитный автомат. Через них подается фаза на розетку. Это пару можно заменить дифавтоматом. Это те же два устройства, но в одном корпусе. Минус берут с общей шины, проходит через УЗО, заземление берут с соответствующей шины.
Номинал автомата выбирается по максимальному потребляемому току. Эти данные есть в паспорте электроплиты и находятся обычно в пределах 40-50 А. В этом диапазоне номиналы идут с большим шагом — 40 А, 50 А, 63 А. Выбирать лучше ближайший больший — так меньше шансов на ложное отключение при работе на полной мощности. ТО есть, если заявленное максимальное потребление тока 42-43 А, все равно берете автомат на 50 А.
Схема подключения электроплиты
С другой стороны, полностью все конфорки и духовку, да еще на полную мощность, может и никогда и не включите, а более мощные автоматы стоят прилично дороже. Тут уж выбирать вам.
Номинал УЗО берут на ступень выше, чем у автомата. Если вы решили ставить автомат на 50 А, то УЗО необходим на 63 А, ток утечки — 30 мА.
Как подключить электроплиту к сети 220 В
Все приведенные выше схемы были именно для однофазной сети 220 В. Для подключения вам понадобиться трехжильный кабель, трехконтактные силовые розетка и вилка с номинальным током не менее 32 А. Сразу скажем, что подключение оборудования разных марок принципиально ничем не отличается. Неважно, какую плиту вы приобрели — Electrolux, Gorenje, Bosh, Beko. Без разницы. Все отличие — разная конструкция крышек, которые закрывают клеммную коробку на корпусе и разные способы ее крепления. Все остальное — аналогично.
Подключение кабеля к электроплите
Сначала выбранный для подключения кабель надо подсоединить к электроплите. На задней панели, обычно внизу слева имеется клеммная колодка, на которую выведены проводники.
Клеммная колодка, к которой надо подключить электрический шнур
Рядом располагаются схемы подключения для разных сетей.
Схематичное изображение подключения для разных сетей
При сети в 220 В схема крайняя справа. На плите должны быть соединены одной перемычкой контакты 1,2,3 — это будет фаза (красный или коричневый проводники), второй — контакты 4 и 5 — это нейтраль или ноль (голубой или синий), шестой контакт — это земля (зеленый или желто-зеленый). Из магазина элеткроплиты обычно приходят с уже установленными перемычками, но не мешает проверить.
Подключение кабеля к электроплите
Правильнее и надежнее проводники обжать контактными пластинками, а потом уже их подключать. Такое соединение более надежное, но часто просто проводники закручивают вокруг прижимного винта и потом его затягивают. В любом случае цветовую маркировку лучше соблюдать — так меньше шансов сделать ошибку.
Лучше проводники оконечить контактными пластинками
Установка вилки
Далее к кабелю подключают вилку. Силовая вилка — разборная. Откручиваете два крепежных винта, снимаете крышку с контактами. Также снимается фиксирующая планка, придерживающая кабель. С края гибкого кабеля (примерно на 5-6 см) снимается защитная изоляция, проводники расправляются, их концы также зачищаются от изоляции примерно на 1,5-2 см. Разделанный конец кабеля заводится в корпус вилки.
Так выглядит вилка для подключения электроплиты
Прижимные винты на контактах ослабляются, Проводники, если они многожильные, скручиваются в жгут. Эти жгутики закручиваются вокруг контактов, затягиваются прижимными винтами.
Распределение проводников имеет значение и подключать их надо внимательно. Верхний контакт вилки обычно подписан — сюда подключают «земляной» провод (зеленый). При подключении розетки надо «землю» подать на аналогичный разъем.
Подключение провода к электроплите
Два других контакта — это «фаза» и «ноль». Куда какой из них подавать — не важно, но при подключении розетки «фаза» должна попадать на «фазу», «ноль» — на «ноль». Иначе будет короткое замыкание. Так что перед включением обязательно еще раз проверьте, правильно ли прикручены провода (фаза и ноль).
Как определить фазу в установленной розетке
Если электроплита у вас уже стояла ранее, и розетка имеется, надо в ней найти,где располагаются заземление, фаза и ноль и соответственно подключать провода в вилке. Для определения проще всего воспользоваться индикатором напряжения в виде отвертки. Работает он просто — устанавливаете индикатор в место предполагаемой фазы, и смотрите на светодиод, вмонтированный в корпус. Если он горит, значит напряжение есть и это — фаза. Если напряжения нет, светодиод не загорается, и это — ноль.
Землю определить еще проще: это контакт вверху или внизу.
Подключение к трехфазной сети 380 В
В этом случае покупаются автомат и УЗО для трехфазной сети, провода должны быть пятижильные (сечение определяется по той же таблице, только значение смотреть надо в графе 380 В). Вилка и розетка тоже должны иметь по пять контактов.
Сам процесс подключения ничем не будет отличаться, только количеством проводов. Разница будет при подключении провода к выходным клеммам электроплиты. Устанавливаться будет только одна перемычка — на контакты 5 и 6. Все остальные подключаются отдельными проводниками.
Схема подключения электроплиты к трехфазной сети
Также необходимо отслеживать положение «земли» и «нейтрали» (или говорят еще «нуля»). Цветовое соответствие проводников на фазах некритично, но удобнее, если они тоже совпадают.
Источник: https://stroychik.ru/elektrika/podklyuchenie-elektroplity
Сегодня многие отказываются от обычных газовых плит, в пользу электрических. Кто то из за невозможности использовать газ, например в частном доме или котедже, а кто то просто потому что это стильно и лучше смотрится в интерьере. Чтож, каждому свое.
Справиться с подключением электроплиты под силу каждому хозяину. Это совсем не сложно и не займет много времени.
При подключении, если нужно «ковырять» розетку, не забудьте обязательно выключить электричество в щитке.
Если у вас до этого тоже стояла электрическая плита и вы просто желаете заменить ее на новую, то в этом случае все намного проще. Просто берем вилку от старой плиты, присоединяем ее к новой, и «вуаля!», все готово!
Примечание! Если вилка очень старая, есть трещины, сколы, подгорели контакты – обязательно замените её на новую, от греха подальше. Чаще всего подойдет обычная, однофазная вилка. Так же, если подключается электроплита большой мощности, то возможно понадобится и замена розетки на специальную, более «мощную» розетку.
Если подходить к вопросу серьезно, то лучше всего, если для подключения электроплиты будет протянут отдельный, качественный, трех жильный медный провод (можно «кинуть» 3 отдельных провода), с сечением, скажем в 4-6 кв. мм, подключенный на автомат на 32 ампера, для 4мм провода, и на 40 амперный для 6мм соответственно. К слову, в домах, в которых отсутствует газоснабжение, нужные провода уже протянуты до кухни.
Что бы подключить электроплиту или духовой шкаф мощностью до 3 кВт, вполне хватит обычной проводки и самой обычной розетки. Главное следите за тем, что бы на одну «жилу» проводов не было одновременно подключено несколько мощных электроприборов, иначе при их одновременной работе будет срабатывать защита.
Как подключить электроплиту к розетке на 220 Вольт
Электроплиту, использующую сеть на 220 Вольт можно без проблем подключить почти в любой квартир и частных домов. Так же, учитывая очень высокое потребление электричества, у всех современных электроплит и варочных поверхностей есть возможность подключения не только к сети на 220 Вольт, но и на 360. И чаще всего используется однофазное подключение. Вот такая, стандартная схема обычно идет в комплекте, уже в собранном виде.
Схема распределения проводов в вилке электроплиты
Три первых контакта (L1 L2 L3) соединяются вместе (перемычкой например), и к ним подключается фаза. Ноль подключаем к контактам 4 и 5, соответственно. На последний 6 контакт, как вы уже наверно догадались, подключается заземление.
Обычно контакты и провода всегда окрашены одинаково. Стандартная расцветка – фаза (+) красного, черного или коричневого цвета, ноль синего цвета, а земля желто-зеленого, но лучше, на всякий случай посмотреть в инструкции и убедиться в правильности подключения.
Бывает что проводов не 3, а 5. В этом случае попарные это ноль и фаза, а которые один – это земля.
При подключении электроплиты к однофазной сети можно не бояться перепутать местами подключение фазы и ноля, ничего страшного не произойдет и все будет работать. Однако НЕ ПЕРЕПУТАЙТЕ фазу с заземлением – будет постоянно выбивать «пробки», а в худшем случае можно спалить автомат или щиток.
Именно для этого, что бы не перепутать, заземляющий провод и контакт находятся отдельно, да и конструкция розетки с заземлением позволяет воткнуть вилку только в одном положении.
Давайте рассмотрим поближе самые распространённые розетки, используемые для подключения электрических плит.
- Розетка РС 32, обычно Российского или Украинского производства. Заземляющий контакт находится сверху и перевернут относительно фазы и ноля на 90 градусов, что бы не воткнуть подругому. Как на фото – фазу (коричневые провод) к правому контакту, ноль (с голубой полосой) к левому, хотя как я уже говорил, если перепутать местами – ничего страшного.
- Розетка для электрической плиты, производства Белоруссия. Контакты расположены под углом, что так же исключает возможность неправильного подключения. Земля, как водится у отечественных производителей, верхний контакт.
- Розетка фирмы Legrand 2P+E, 32А. Красивая, надежная розетка, самое то для хорошего ремонта (хотя кто на нее смотрит то, за плитой). Отличается от наших и СНГ-шных тем, что заземляющий контакт внизу розетки и имеет прямоугольную форму, тогда как фаза и ноль круглые.
Подключение кабеля питания Range
Подробнее о подключении диапазона |
|
Электрическое видео |
|
Сопроводительное руководство Daves по домашней электропроводке
| |||||||
SAMSUNG Электрическая варочная панель. Руководство по эксплуатации
Электрическая варочная панель SAMSUNG Руководство по эксплуатации
Важная информация по технике безопасности
Для вашей безопасности
- В целях личной безопасности удалите плавкий предохранитель или разомкните автоматический выключатель перед началом установки.Несоблюдение этого может привести к серьезным травмам или смерти.
- Убедитесь, что ваша варочная панель установлена правильно квалифицированным установщиком или техником по обслуживанию.
- Чтобы исключить риск ожогов или пожара из-за контакта с нагретыми элементами поверхности, следует избегать хранения в шкафу, расположенного над элементами поверхности. Если в шкафу необходимо место для хранения вещей, риск можно снизить, установив вытяжку, которая выступает в горизонтальном направлении минимум на 5 дюймов за нижнюю часть шкафов. Глубина установки шкафа над варочной панелью не должна превышать 13 дюймов.
- Убедитесь, что шкафы и покрытия стен вокруг варочной панели могут выдерживать температуры (до 194 ° F), создаваемые варочной панелью.
- Варочная панель должна быть легко доступна и освещена естественным светом в течение дня.
- Всегда отключайте электропитание от варочной панели перед ремонтом или обслуживанием варочной панели. Это можно сделать, отключив предохранитель или автоматический выключатель. Несоблюдение этого может привести к опасному или смертельному поражению электрическим током. Знайте, где находится ваш главный выключатель.Если вы не знаете, попросите электрика показать вам.
Требования для установки
В целях безопасности
Этот прибор должен иметь соответствующее напряжение и частоту и быть подключенным к отдельной, должным образом заземленной ответвленной цепи. Мы рекомендуем, чтобы электропроводка и подключение вашей варочной панели выполнялось квалифицированным электриком. После установки попросите электрика показать вам, где находится главный выключатель варочной панели. Электропроводка кабельной панели одобрена только для подключения медного провода, а если у вас алюминиевая домашняя проводка, вы должны использовать специальные одобренные UL разъемы для соединения меди с алюминием.
ПРЕДУПРЕЖДЕНИЕ
Несоблюдение в точности информации, содержащейся в данном руководстве, может привести к пожару или поражению электрическим током, что может стать причиной материального ущерба, травм или смерти.
ПРЕДУПРЕЖДЕНИЕ
Перед началом установки выключите питание на сервисной панели и заблокируйте сервисный выключатель, чтобы предотвратить случайное включение питания. Если сервисный выключатель не может быть заблокирован, надежно прикрепите заметное предупреждающее устройство, например бирку, к сервисной панели.
ПРЕДУПРЕЖДЕНИЕ
Этот прибор должен быть правильно заземлен.
Инструмент и детали
Инструменты, которые вам понадобятся
Необходимые детали
- Перечисленный UL или одобренный CSA соединитель для кабелепровода диаметром ½ дюйма (1,3 см).
- Разъемы для проводов, внесенные в список UL. Ознакомьтесь с местными нормативами. Проверить существующее электроснабжение. См. Раздел «Требования к электричеству». Рекомендуется, чтобы все электрические подключения выполнял лицензированный квалифицированный электромонтажник.
Детали в комплекте
- 6 винт
- (M4L10 2 шт., M4L16 2 шт., M4L75 2 шт.)
Направляющая кронштейна: 2 шт.
Требования для установки
Требования к размещению
ВАЖНАЯ ИНФОРМАЦИЯ: Соблюдайте все действующие нормы и правила.
- Необходимо использовать указанные размеры проема шкафа. Углубленное место для установки должно обеспечивать полное ограждение утопленной части варочной панели.
- Требуется заземление. См. Раздел «Требования к электричеству».
ПРИМЕЧАНИЕ:
Рекомендуется устанавливать распределительную коробку с правой стороны шкафа.
При установке распределительной коробки рядом с левой стороной, убедитесь, что соединительная коробка не задевает варочную панель (путем скрытия распределительной коробки внутри стены).
ВАЖНАЯ ИНФОРМАЦИЯ: Чтобы избежать повреждения шкафов, проконсультируйтесь с изготовителем или поставщиком шкафа, чтобы убедиться, что используемые материалы не обесцветятся, не расслоятся или не получат других повреждений.Эта варочная панель разработана в соответствии с требованиями UL и CSA International и соответствует максимально допустимой температуре деревянного шкафа 194 ° F (90 ° C).
Размеры изделия
Шкаф | Размер | |
А | Глубина рамы | 207/16 ″ (520 мм) |
B | Ширина рамы | 23⅝ ”(600 мм) |
С | Глубина корпуса | 187/16 ″ (468 мм) |
D | Ширина корпуса | 219/16 ″ (548 мм) |
E | Высота кожуха кабелепровода | 3⅜ ”(86 мм) |
F | Высота корпуса | 2⅜ ”(60 мм) |
G | Высота кабелепровода | 1 ″ (26 мм) |
ВАЖНАЯ ИНФОРМАЦИЯ:
При установке вытяжки или комбинации вытяжки над варочной панелью, следуйте инструкциям по установке вытяжки или комбинации вытяжки в отношении размеров и свободного пространства над поверхностью варочной панели.
Размер | |
А | 22 ″ — 22 ″ (558 мм — 562 мм) |
B | 1813/16 ″ — 19 ″ (478 мм — 482 мм) |
С | Площадь разреза и задняя стенка варочной панели — минимум 1⅛ ”(28 мм) |
D | Передний край зоны реза и передний край столешницы — минимум 1½ дюйма (38 мм) |
E | Воспламеняющаяся поверхность, ближайшая к варочной панели (левая / правая) — минимум 26 мм (1 дюйм) |
F | Распределительная коробка или выход из шкафа справа — максимум 10 ″ (254 мм) |
G | Распределительная коробка или выход снизу шкафа — минимум Соединительная коробка или выход 15 ″ (381 мм) |
H | Изоляционная плита 2 ″ (50.9 мм) минимум от дна варочной панели |
Одинарная печь Под прилавком
- Полные инструкции по установке см. В руководстве по установке встроенной духовки. См. Этикетку сверху одобренных моделей встраиваемых духовых шкафов.
- См. Руководство по установке печи.
Размер | |
А | Минимум 3¾ дюйма (95 мм) |
B | 4 ″ (101 мм) |
С | Минимум 221/16 дюйма / Максимум 22 дюйма (Минимум 560 мм / Максимум 565 мм) |
D | Минимум 1 дюйм / Максимум 1 дюйм (минимум 25 мм / максимум 32 мм) |
E | Минимум 23 дюйма / Максимум 23½ дюйма (минимум 590 мм / максимум 596 мм) |
F | 22¼ ”(565 мм) |
G | Минимум 22¼ ”(Минимум 565 мм) |
H | Максимум 9½ дюйма (Максимум 241 мм) — распределительная коробка |
Убедитесь, что обшивка стен, столешница и шкафы вокруг варочной панели выдерживают тепло (до 194 ° F), выделяемое варочной панелью.
ПРИМЕЧАНИЕ Если в шкафу есть выдвижной ящик, требуется минимальное расстояние 127 мм (5 дюймов) по глубине от нижней части варочной панели до верхней части выдвижного ящика (или другого препятствия) в нижнем шкафу.
ВАЖНАЯ ИНФОРМАЦИЯ: Распределительная коробка должна быть расположена там, где она допускает значительное провисание кабелепровода для удобства обслуживания.
Требования к электрооборудованию
ПРЕДУПРЕЖДЕНИЕ
Опасность поражения электрическим током
Отключите питание перед обслуживанием.Используйте сплошной медный провод 8-го калибра. Варочная панель с электрическим заземлением. Этикетка На этикетке внизу варочной панели указаны требования к питанию и информация о модели. Несоблюдение этих инструкций может привести к смерти, возгоранию или поражению электрическим током. Если это разрешено правилами и используется отдельный провод заземления, рекомендуется, чтобы квалифицированный электромонтажник определил, что путь заземления и калибр провода соответствуют местным нормам. Проконсультируйтесь с квалифицированным электриком, если вы не уверены, что варочная панель правильно заземлена.
Требования к питанию и информацию о модели см. На этикетке внизу варочной панели.
Эта варочная панель должна быть подключена к заземленной металлической стационарной системе электропроводки. Убедитесь, что электрическое соединение и размер провода соответствуют требованиям Национального электротехнического кодекса, последней редакции ANSI / NFPA 70 или стандартам CSA C22. 1-94, Канадские электрические правила, часть 1 и C22.2 № O-M91 — последнее издание, а также все местные нормы и правила. Копию вышеуказанных стандартов кодов можно получить по адресу:
Национальная ассоциация противопожарной защиты 1 Batterymarch Park Quincy,
MA 02169-7471 CSA International 8501 East Pleasant Valley Road Cleveland, OH 44131-5575
Перед выполнением электрического подключения:
Чтобы правильно установить варочную панель, вы должны определить тип электрического подключения, которое вы будете использовать, и следовать приведенным здесь инструкциям.
- Трех- или четырехпроводный, однофазный, 208 или 240 В переменного тока, 60 Гц, источник питания
необходим для выделенного двухполюсного автоматического выключателя не менее 30 ампер.
ПРИМЕЧАНИЕ - Варочная панель рассчитана на 240 вольт. Некоторые модели имеют нейтральный (белый) провод. ·
- Варочная панель должна быть подключена непосредственно к распределительной коробке с помощью гибкого, армированного или неметаллического медного кабеля в оболочке. Гибкий армированный кабель, идущий от коробки предохранителей или автоматического выключателя, должен быть подключен непосредственно к распределительной коробке.
- Расположите распределительную коробку так, чтобы между распределительной коробкой и варочной панелью оставалось как можно большее провисание, чтобы варочную панель можно было перемещать, если в будущем возникнет необходимость в обслуживании.
- Не обрезайте кабелепровод. Используйте прилагаемую длину кабелепровода.
- На каждом конце кабеля питания (на варочной панели и на распределительной коробке) необходим кабельный соединитель, внесенный в список UL или CSA. Перечисленный соединитель кабелепровода уже предусмотрен на варочной панели.
- Если в доме алюминиевая проводка, выполните следующую процедуру:
- Подсоедините отрезок сплошного медного провода к гибким выводам.
- Подключите алюминиевую проводку к дополнительной секции медного провода с помощью специальных разъемов
и / или инструментов, разработанных и внесенных в список UL для соединения меди с алюминием. Следуйте процедуре, рекомендованной производителем электрического разъема. Соединение алюминия / меди должно соответствовать местным нормам и правилам проводки, принятым в отрасли.
Инструкции по установке
Установите варочную панель
STEP 1: Установите варочную панель
Вставьте варочную панель по центру в вырез.Убедитесь, что варочная панель параллельна переднему краю столешницы. Окончательно проверьте, соблюдены ли все необходимые допуски.
Инструкции по установке
ШАГ 2-1
Установка направляющей кронштейна Направляющую кронштейна можно установить после того, как варочная панель помещается в вырез.
- В нижней части варочной панели найдите отверстия для крепления направляющей кронштейна. (См. Рисунок.)
- Поместите направляющую кронштейна в отверстие, а затем переместите ее к боковой стенке шкафа, пока она не коснется боковой стенки.
- Используйте винты, чтобы прикрепить направляющую кронштейна к варочной панели и боковой стенке.
ПРИМЕЧАНИЕ
- Убедитесь, что вы прикрепили направляющие кронштейна с левой и правой стороны.
- Убедитесь, что передний край варочной панели параллелен переднему краю столешницы. Если необходимо изменить положение, поднимите всю варочную панель за вырез, чтобы не поцарапать столешницу.
ШАГ 2-2 Альтернативная направляющая кронштейна Установка
- Прикрепите направляющую кронштейна к нижней части и выберите расположение кронштейна.
- Затяните направляющую винтовой скобы к основанию варочной панели.
- Вверните винт M4L75 так, чтобы скоба коснулась нижней части столешницы.
Выполните электрическое подключение
Эта варочная панель изготовлена с заземляющим проводом (голым или зеленым), подключенным к раме варочной панели. Подключите кабель варочной панели к распределительной коробке через кабельный соединитель, внесенный в список UL или одобренный CSA.
Варианты электрического подключения
Если в вашем доме есть: | И вы будете подключаться к | Перейти в раздел: |
| 4-проводный прямой | А предохранительный разъединитель или блок автоматического выключателя | 4-проводной кабель от источника питания к 3-проводному кабелю от варочной панели |
| 3-проводный прямой | А предохранительный разъединитель или блок автоматического выключателя | Трехжильный кабель от источника питания к трехжильному кабелю от варочной панели |
4-проводной кабель от источника питания к 3-проводному кабелю от варочной панели
ВАЖНО: Используйте 4-проводной кабель от источника питания, если местные нормы не разрешают подключать провод заземления корпуса к нейтрали (N) провод распределительной коробки.
- Отключить питание.
- Снимите крышку распределительной коробки, если она есть.
- Подсоедините гибкий кабельный канал от варочной панели к распределительной коробке с помощью соединителя кабелепровода, внесенного в список UL или сертифицированного CSA.
- Затяните винты на соединителе кабелепровода, если есть.
- Соедините два провода L2 вместе с помощью.
- Соедините два провода L1 вместе с помощью разъемов для проводов, включенных в список UL.
- Подключите заземление (G) или оголенный провод заземления от кабеля варочной панели к заземлению (G) или оголенный провод заземления (в распределительной коробке) с помощью соединителей проводов, включенных в список UL.
- Поместите соединительный элемент, внесенный в список UL, на конец нейтрального провода.
- Установить крышку распределительной коробки.
- Подключите питание.
- A. 4-х проводный кабель от источника питания
- B. Провода L1
- C. Заземление (G) или оголенный провод заземления (от варочной панели)
- D. Трехжильный кабель от варочной панели
- E. Распределительная коробка
- F. Нейтральный провод (от источника питания)
- G. Разъем для проводов, внесенный в список UL
- H. Провода L2
- И.Включенный в список UL или одобренный CSA соединитель кабелепровода.
ПРИМЕЧАНИЕ
- Обычно L1 — черный, L2 — красный, земля (G) — зеленый или оголенный провод, а нейтраль (N) — белый провод.
- Не подключайте оголенный провод заземления к нейтрали (N) в распределительной коробке.
Трехжильный кабель от источника питания к трехжильному кабелю от варочной панели
ВАЖНАЯ ИНФОРМАЦИЯ: Если это разрешено местными правилами, для подачи питания можно использовать 3-проводный кабель.В таких случаях подключите заземляющий провод варочной панели к нейтральному проводу от распределительной коробки.
- Отключить питание.
- Снимите крышку распределительной коробки, если она есть.
- Подсоедините гибкий кабельный канал от варочной панели к распределительной коробке с помощью соединителя кабелепровода, внесенного в список UL или сертифицированного CSA.
- Затяните винты на соединителе кабелепровода, если есть.
- Соедините два провода L2 вместе с помощью
- Соедините два провода L1 вместе с помощью разъемов для проводов, включенных в список UL.
- Подключите заземление (G) или оголенный провод заземления от кабеля варочной панели к заземлению (G) или оголенный провод заземления (в распределительной коробке) с помощью соединителей проводов, включенных в список UL.
- Установить крышку распределительной коробки.
- Подключите питание.
- A. Трехжильный кабель от источника питания B.Провода L1
- C. Заземление (G) или оголенный провод заземления (от варочной панели)
- D. Трехжильный кабель от варочной панели
- E. Распределительная коробка
- F. Нейтральный провод (от источника питания)
- г.Разъем для проводов, внесенный в список UL
- H. Провода L2
- I. Разъем для кабелепровода, внесенный в список UL или одобренный CSA.
Инструкции по установке
Полная установка
- Убедитесь, что все детали установлены. Если есть какие-либо лишние детали, вернитесь к шагам, чтобы увидеть, не были ли пропущены какие-либо шаги.
- Убедитесь, что у вас есть все инструменты.
- Утилизировать / переработать все упаковочные материалы.
- Используйте мягкий раствор или жидкое бытовое чистящее средство и теплую воду для очистки варочной панели перед использованием.Тщательно вытрите насухо мягкой тканью. Для получения дополнительной информации см. Руководство пользователя.
- Подключите питание.
Если вам нужна помощь или обслуживание:
См. «Руководство пользователя» или обратитесь к дилеру, у которого была приобретена варочная панель.
Отсканируйте QR-код * или посетите сайт www.samsung.com/spsn, чтобы просмотреть нашу полезную информацию. Видеоуроки и шоу в прямом эфире
* Требуется установка ридера на ваш смартфон
Вопросы или комментарии
Загрузки файла
| SAMSUNG Инструкция по эксплуатации Электрическая варочная панель, NZ24T4360RK | Загрузить [оптимизировано] Загрузить |
Ссылки
Схема подключения переключателей электроплит
Ferre.Схема подключения электрической плиты.
Предлагаем Ваш отзыв для самостоятельного ремонта электрических схем электроплит!
Представлены тарелки российского и зарубежного производства, не меняющиеся годами.
Чтобы увеличить изображение, щелкните по картинке.
Основные элементы и узлы печи: ТЭН Е1 (в первой конфорке), Е2 (во второй конфорке), Е3-Е5 (в духовке), коммутационный блок, состоящий из переключателей S1-S4, тепловое реле. F типа Т-300, индикаторы HL1 и HL (газоразрядный для индикации работы нагревательного элемента), HL3 (лампы накаливания для освещения духовки).Мощность каждого нагревательного элемента около 1 кВт.
Для регулировки мощности и степени нагрева нагревательного элемента жарочного шкафа используется 4-х позиционный переключатель S1. Когда вы установите его ручку в первое положение, контакты P1-2 и P2-3 замкнутся. Одновременно с помощью вилки к сети будут подключены: TEN E3 последовательно с TEN E2 и E3, подключенными параллельно. Ток будет течь по пути: нижний контакт штекера XP, F, P1-2, E4 и E5, E3, P2-3, верхний контакт штекера XP.Поскольку нагревательный элемент E3 соединен с нагревательным элементом E4 и E5 последовательно, 38 сопротивление цепи будет максимальным, а мощность и степень нагрева минимальны. Кроме того, неоновый индикатор HL1 будет светиться за счет прохождения тока по цепи: нижний контакт вилки XP, F, P1-2, E4 и E5, R1, HL1, верхний контакт XP.
Подключение узлов Dream 8:
Во втором положении включаются контакты P1-1, P2-3. В этом случае ток будет протекать по цепи: нижний контакт вилки XP, F, P1-1, E3, P2-3, верхний контакт XP.В этой ситуации будет работать только один ТЭН Е3 и мощность будет выше за счет уменьшения общего сопротивления при постоянном сетевом напряжении 220В.
В третьем положении переключателя S1 контакты P1-1, P2-2 замкнутся, что приведет к включению в сеть только параллельно включенных ТЭНов E4 и E5. Переключатель S4 используется для включения лампы HL3 для освещения духового шкафа.
Н1, Н2 — горелки трубчатые, Н3 — горелка чугунная 200 мм, Н4 — горелка чугунная 145 мм, Р1, Р2-регуляторы мощности бесступенчатые, П3, П4-семипозиционные переключатели мощности, ПШ — выключатель печи трехступенчатый, П5-выключатель блокировки, L1…. L4 — сигнальная лампа включения конфорок, L5 — сигнальная лампа включения нагревателей духовки или гриля, L6 — сигнальная лампа достижения заданной температуры в духовке, H5, H6 — нагреватели духовки, H7 — решетка, T — термостат, B — пусковой выключатель, L7 — лампа освещения духовки, M — мотор-редуктор.
6. ВЫКЛЮЧАТЕЛИ ГОРЕЛКИ Combustion, Hansa, Electra, Lysva:
Здравствуйте, уважаемые гости сайта «Записки электрика».
Я хотел написать для вас больше полезных статей в отпуске, но совсем не было времени.На прошлой неделе я занимался дизайном и корректировкой кодов и скриптов на сайте, а на этой неделе пришлось провести подготовку. Экзамен проводился в форме тестирования, но комиссия Ростехнадзора не скупилась на количество вопросов.
Кстати, я открыл на сайте раздел «» для проверки знаний и подготовки к экзаменам по электробезопасности. Перейдите по ссылке, выберите нужный тест и готовьтесь к своему здоровью. Все тесты актуальны, разделены по годам и группам, а главное — все бесплатно.
И в сегодняшней статье я планирую рассказать вам о подключении электроплиты.
После прочтения данной статьи вы сможете самостоятельно подключить электроплиту, а если не сможете, то четко представляете все этапы работы и легко контролируете действия.
Основные требования
Начну с самого главного.
Подключение должно производиться строго по инструкции производителя, а также в соответствии с правилами.Если пренебречь их требованиями, то легко можно потерять гарантии на долгожданную покупку.
Неправильное подключение электроплиты, выбор розетки, сечения и марки подводящих проводов и кабелей к ней, могут привести к возгоранию электропроводки, которое может быстро перерасти в пожар.
Давайте пошагово разберемся, как правильно подключить электроплиту.
Шаг 1. Выбор кабеля питания
По требованию ПУЭ п.7.1.34 (и не только ПУЭ), электропроводка в жилых помещениях должна быть только медной. Об алюминиевых кабелях не может быть и речи. Действительно, есть исключение, но это явно не касается квартир. Дело в том, что в жилых помещениях допускается прокладка алюминиевых кабелей, но сечением от 16 кв. Мм и выше. Такие секции в квартире не проложите. Надеюсь, это понятно.
Итак, подводящий кабель к электроплите должен быть только медным.
Если у вас в эксплуатации старая электропроводка, да еще без заземления, то очень внимательно прочтите статью про. Там даны все ответы о том, как действовать в этом случае.
Все то же самое касается тех, у кого дома трехфазное питание. Только в этом случае питающий кабель должен быть пятижильным: фазы A, B, C, нулевое N и заземление PE.
Итак, мы определились с количеством жил в кабеле.
Какое сечение должно быть у кабеля? Согласно своду правил СП 31-110-2003 п. 9.2 для питания плит от однофазной сети 220 (В) сечение питающего кабеля должно быть не менее 6 кв. Мм.
Это своего рода обобщенное значение. Фактически, поперечное сечение кабеля может меняться как вниз, так и вверх, в зависимости от мощности пластины. Например, электроплиту мощностью 7 (кВт) не желательно запитать кабелем с таким запасом.Вы можете применить более низкое значение при соответствующем выборе номинала автоматического выключателя, например, ВВГ (3х4) или ПВС (3х4), и установить на линию автомат 25 (А).
В случае трехфазной сети подводящий кабель к электроплите должен быть пятижильным (фазы A, B, C, нулевое N и заземление PE) сечением не менее 2,5 кв. Мм.
Почему? Да потому, что такой кабель может питать трехфазную нагрузку до 16.4 (кВт), что вполне подойдет практически для любой электроплиты.
И все же подводящий провод к плите необходимо прокладывать отдельно и нельзя совмещать его с розетками или линиями освещения. Это также четко указано в СП 31-110-2003, п. 9.2.
Шаг 2. Автоматический выключатель и УЗО
Для защиты выбранного кабеля нам необходимо установить в квартирной панели автоматический выключатель на номинальный ток 32 (А) с характеристикой С. Например, ВА47-29 С32 от IEK.
Согласно ПУЭ п. 7.1.79 для стационарного электрооборудования УЗО устанавливать нельзя, а электроплита просто стационарная и считается. Но лично я не рекомендую следовать этой рекомендации — я всегда устанавливаю устройство защитного отключения (УЗО) в линию на плите, потому что электробезопасность выше любых дополнительных финансовых затрат. Ниже я дал вам ссылки на полезные статьи по теме УЗО:
УЗО в нашем случае должно иметь номинальный ток не менее 32 (А), но опять же, я рекомендую выбирать его на ступень выше номинала автомата, т.е.е. на 40 (А). По настройке дифференциального тока не более 30 (мА). Например, УЗО ВД1-63 40 (А), 30 (мА) от ИЭК.
УЗО подключается последовательно к той же линии сразу после автоматического выключателя 32 (A).
Опять же, все это относится к однофазному подключению печки.
В случае трехфазного подключения камина в щит должен быть установлен трехполюсный автомат с номинальным током 16 (А).После этого установите с номинальным током 25 (А) и дифференциальным током 30 (мА). Точно так же вместо пары автомат + УЗО можно установить дифференциальный автомат C16, 30 (мА).
Шаг 3. Выбор розетки и вилки
Третий шаг при подключении электрической плиты — это выбор правильной розетки и вилки. Их номинальный ток должен соответствовать номинальному току машины.
В моем примере при однофазном подключении пластины их должно быть 32 (А).Обычно использую розетки и вилки В32-001 32 (А).
На фото ниже я указал расположение силового контакта PE. Его нужно подключить вот так. Но фазу и ноль я выбрал произвольно. Если поступить наоборот, то ничего страшного не произойдет.
Об этой розетке и вилке напишу отдельную статью. Следите за обновлениями на сайте или подписывайтесь на новые статьи.
При трехфазном подключении можно использовать трехфазную розетку и сетевой штекер SSI.
Я написал о них подробную статью и указал на достоинства и недостатки -.
Шаг 4. Схема подключения электроплиты
При подключении силовых кабелей к розетке и клеммам электроплиты обязательно избегать ошибок подключения.
Существует три основных схемы подключения электроплит.
1. Однофазная схема подключения — 220 (В)
Это самая распространенная схема подключения электроплиты, применяемая в наших квартирах.
При однофазной цепи фаза «L» (красный провод на рисунке) должна быть одновременно подключена к клеммам L1, L2, L3 (1, 2, 3). Для этого необходимо установить две медные перемычки между выводами L1, L2, L3 (1, 2, 3), которые идут в комплекте с пластиной.
Также соединяем перемычкой клеммы N1 и N2 (4 и 5) и подключаем к ним ноль «N».
Подключите защитный провод «PE» (земля) к клемме PE (6).
Доступ к выводам электроплиты осуществляется через заднюю крышку, которую предварительно необходимо открутить и снять. Вот фото для наглядности.
Если где-то потерялись перемычки, то их можно изготовить самостоятельно проводом сечением не менее питающего, т.е. не менее 6 кв. Мм. Если вы собираетесь делать перемычки с гибким проводом, то для лучшего контакта с зажимом используйте вилочные или кольцевые изолированные наконечники (желтого цвета NVI или NKI), прижимая их к сердечнику с помощью пресс-зажимов.Я лично
Можно, конечно, залудить, но лично я против пайки в цепях питания -.
2. Схема трехфазного подключения — 380 (В)
При трехфазной цепи подключите фазы электроплиты A, B и C соответственно к клеммам L1, L2 и L3 (1, 2 и 3). В этом случае устанавливать перемычки не нужно.
Соединяем клеммы N1 и N2 (4 и 5) и РЕ (6) по предыдущей схеме.
3. Схема двухфазного подключения — 380 (В)
Иногда бывает, что у вас в квартире или на даче две фазы вместо трех. Допустим, это фазы А и С и нет третьей фазы В. В этом случае при подключении электроплиты необходимо применить двухфазную схему подключения.
Ставим перемычку на клеммы L1 и L2 (1 и 2) и подключаем фазу А. К клемме L3 (3) подключаем фазу С. В остальном все аналогично предыдущим схемам подключения.
Заключение
Все вышеперечисленные требования действуют абсолютно для всех типов электроплит, различных варочных панелей и духовок. Единственное отличие может заключаться в названии и расположении клемм подключения, ну и конечно их мощности.
Следовательно, воспользовавшись инструкцией и инструкцией по эксплуатации приобретенной вами плиты, а также советами и хитростями из этой статьи, вы можете подключить электроплиту самостоятельно. Но все же лучше доверить это дело специалистам, которые качественно и быстро выполнят свою работу.
П.С. Ну пожалуй и все. Если у вас есть вопросы по материалам статьи или вам нужна помощь в выборе марки и сечения кабеля, а также автоматического выключателя на номинальный ток, то задавайте их в комментариях.
В статье предложим инструкцию по ремонту электроплиты в домашних условиях. Электроплита — самый мощный бытовой электроприбор. И условия его эксплуатации не самые комфортные.На его производительность влияют следующие факторы:
- Нагрев приводит к высыханию и повреждению изоляции;
- Переключаемые элементы управления токи Причины износа переключателей
- Загрязнение в результате приготовления пищи. Попадание внутрь плиты, если оно достаточное, может привести к поломке.
Ремонт электроплиты своими руками: основные трудности
Ремонт электроплит усложняется в зависимости от:
- Количество конфорок;
- Наличие духовки;
- Количество ступеней или непрерывная регулировка мощности конфорок.
Тем не менее, любой, кто умеет держать отвертку в руке и разбирается в электрической схеме электроплиты. Тем, у кого уже есть опыт ремонта, схема нужна не всегда. Это также не требуется при поиске большинства типичных неисправностей, встречающихся в электрических плитах. Вот они:
- Обрыв проводов, окисление контактных соединений;
- Остановка горелки;
- Неисправен переключатель или регулятор.
Давайте посмотрим, как найти и исправить эти неисправности.
Не работает плита — с чего начать? Инструкция
Сначала проверьте напряжение питания … Начать нужно с розетки: однофазной или трехфазной, к которой подключена плита. При питании от трех фаз измеряется напряжение между всеми фазами и нулевым рабочим проводом (должно быть 220 В), а также между всеми фазами (должно быть 380 В). При однофазном питании делаем одно измерение — между фазой и нулем.
Если розетка исправна, такие же замеры проводим на вводной клеммной колодке электроплиты. Если чего-то не хватает, то виноват шнур питания.
Кожухи электроплиты заземлены … Но если по каким-то причинам нет заземления, то в случае поломки плит нужно сразу проверить, не появилась ли на корпусе «фаза». Для этого используется однополюсный индикатор напряжения. Поскольку корпус окрашен, желательно это сделать на головках болтов и на горелках, предварительно включив их.Если «фаза» обнаружена, то ремонт нужно продолжать с осторожностью.
Если заземленная плита «бьет» током, то искать придется по двум причинам: первая — где пропала связь с контуром заземления, а потом — где течь в электроплите.
При нормальном питающем напряжении потребуется определить степень поломки … Если отдельный элемент (горелка, духовка) не работает, то нужно искать неисправность в его цепи.Если не работает вся плита или часть конфорок, потребуется проверка общих цепей питания. Если режимов работы конфорок и духовки несколько, нужно заранее узнать, все ли включаются. На это потребуется время, так как горелки придется несколько раз нагревать и охлаждать.
Отсутствие индикации работы конфорки не всегда означает, что она неисправна. Контрольная лампа может не гореть.
Итак, область поиска сужена до минимума.Обесточиваем плиту, вынимая вилку из розетки и разбираем. У переносных тарелок для этого снимаем крышку снизу, у стационарных откручиваем пару шурупов и поднимаем верхнюю крышку.
Делаем внешний осмотр … Обращаем внимание на надежность крепления разъемных электрических соединений, состояние изоляции проводов, наличие запахов пригоревшей изоляции и состояние поверхностей переключающих элементов.Именно так определяются некоторые неисправности. Если это не поможет, читайте дальше.
Ремонт контактных соединений
Поскольку токи, потребляемые нагревательными элементами пластины, велики, требования к качеству контактных соединений высоки. И соединений в кухонной плите много: ТЭНы подключаются через переключатели, и они соединены между собой по общей цепи.
Коммутация осуществляется с помощью разъемов, провода к которым подключаются обжим . Паять нельзя — температура испортит соединение. Сами разъемы необходимо плотно закрепить на выводах элементов. Как только они ослабевают, как в этом месте появляется переходное сопротивление … Под действием тока нагрузки нагревается, поверхность окисляется, контакт разрывается. Найти место обрыва можно по почерневшему разъему и перегоревшей изоляции провода.
Разъем необходимо отрезать и заменить на новый, а изоляцию проводов восстановить.Для ремонта проводов в электроплитах нельзя использовать изоленту — она расплавится и пригорит. Для этого в магазинах электротоваров продается специальная стеклопластиковая трубка .
Там же покупается новый коннектор, для этого тоже подходят автомобильные коннекторы такого же размера. Продаются латунные изделия, у которых недостатков больше, чем достоинств. Самое главное, что без специального инструмента его обжать на проводе не получится.Вы можете с помощью двух плоскогубцев намотать его зажимы, одна пара которых зажимает провод, а другая — его изоляцию. Но этот процесс потребует максимальной настойчивости.
Второй их недостаток в том, что если гибкий провод еще можно зажать, то жесткий с сечением до 6 мм 2 нереально. Если сильный обжим не дает результата, через некоторое время придется проделывать это снова, но уже с новым разъемом.
Лучше обстоят дела с изолированными наконечниками … Для их обжима вам также понадобятся пресс-клещи , они недорогие и пригодятся в будущем.
Произведено много насадок:
В пластинах используются соединители РПИ-М ,
но для винтового соединения и NKI , NVI .
Диагностика ТЭНа
ТЭНы (ТЭНы) проверяют мультиметром , для чего измеряют их сопротивление.Оно находится в пределах сотен Ом … Низкое сопротивление свидетельствует о коротком замыкании в нагревательном элементе (в этом случае следует отключить автоматический выключатель питания электроплиты), бесконечность указывает на обрыв элемента. В обоих случаях его придется изменить.
Конфорки могут иметь 4 контакта, в этом случае они содержат два нагревательных элемента … Это необходимо для ступенчатого регулирования мощности. Элементы имеют разную мощность и разное сопротивление.
Нельзя электрически подключать нагревательный элемент к корпусу. Когда он будет найден, элемент будет изменен.
Диагностика переключателя
Switch Operation проверено мультиметром … Для этого иногда приходится сравнивать его схему работы с соседней исправной или смотреть на принципиальные схемы плит. Найденные перегоревшие контакты зачищаем наждачной бумагой, разбирая переключатель. Но если он сильно поврежден, лучше заменить элемент на новый.Если на плите есть терморегулятор, то его контакты тоже проверяют мультиметром. Когда холодно, они закрыты.
Современные городские квартиры в многоэтажных домах имеют только электропроводку, газопровода нет, поэтому на кухне установлены электроплиты. Многих новоселов интересует принцип работы электроплиты, а также ее устройство. В этой статье мы постараемся дать исчерпывающий ответ.
Базовая конфигурация
Устройство любой модели электроплиты отечественного или зарубежного производства практически одинаково, но у всех есть свои оригинальные нюансы.Например, современные электроплиты Hansa из Германии имеют особую комплектацию, но мы рассмотрим стандартный вариант, который есть у каждой модели электроплиты. Традиционно эти изделия представляют собой комбинированные электроприборы, предназначенные для приготовления пищи, в нем сочетаются:
- варочная панель с конфорками;
- духовка;
- нижний ящик для хранения посуды и подносов.
Принцип работы стандартен для большинства электроприборов: ток, проходя через ТЭН, нагревает его до заданной температуры.Для удобства эксплуатации на передней панели находится регулятора — они могут быть механическими или электронными, в зависимости от класса продукта. Как правило, одна и та же панель содержит два индикатора : один, оповещающий о включении устройства в сеть, а второй оповещающий о включении духовки. Некоторые плитки имеют только первый индикатор. С помощью элементов управления пользователи могут установить режим приготовления на любой конфорке или в духовке.
На рисунке ниже представлена схема устройства штатной электроплиты.
Расшифруем обозначения:
- регулятор мощности;
- ;
- конфорка;
- штанга опорная;
- датчик температуры духовки;
- петля;
- ;
- подставка для духовки;
- тэг духовка;
- панель внутренней облицовки;
- замок дверной защелки;
- ;
- прокладка изоляционная;
- тенге для гриля;
- ободок горелки;
- ;
- ;
- ручки регулировки.
Клеммная коробка
Пробка
Розетка с защелкой
Шнур питания
Клемма заземления
Разновидности поверхностей электроплит
На современном этапе развития технологии модели электроплит делятся в зависимости от типа варочной поверхности на две категории.
Эмаль
Классическая электроплита — это эмалированная поверхность с чугунными конфорками. Преимущества такого устройства очевидны:
- низкая стоимость;
- простое обслуживание и ремонт.
Кроме того, покрытие варочной панели устойчиво к механическим повреждениям от случайного падения небольшой кухонной утвари и тяжелой сковороды.Не обошлось и без недостатков:
- длительное время приготовления;
- часть тепловой энергии тратится зря, особенно после выключения конфорок, которые долго охлаждаются, нагревая кухонный воздух;
- очистка поверхности требует много времени, усилий — нужно использовать специальные химические средства.
Современные электроплиты оснащены стеклокерамической поверхностью, которая выглядит очень эстетично и стильно. В чем еще его преимущества?
- вся плита покрыта высокопрочным керамическим листом;
- нагрев происходит только в зоне нагрева , что обеспечивает безопасность использования;
- предотвращает случайное переворачивание посуды;
- размеры конфорок могут быть до 60 см в диаметре;
- быстрый нагрев и охлаждение — нагревательный элемент, работающий в интенсивном режиме, полностью остывает всего за минуту;
- простота ухода — поверхность легко чистить мягкими чистящими средствами.
Гладкая поверхность
Электрическая схема устроена таким образом, что при снятии посуды с конфорки автоматика моментально отключает нагревательный элемент.
Управление такими плитами, как правило, осуществляется с помощью датчиков касания , которые расположены на варочной панели в достаточно удобном месте, что делает их безопасными в использовании.
Несмотря на обилие достоинств, есть и недостатки:
- нельзя готовить в алюминиевой и медной посуде — они оставляют на поверхности неприглядные следы, можно использовать только посуду из нержавеющей стали с гладким дном;
- — это стеклянная поверхность, подверженная механическому воздействию острых предметов, которых так много на любой кухне.
Нагревательные элементы
Отличие электроплит может заключаться в конструкции их конфорок. Рассмотрим основные виды.
Горелки спиральные
Визуально они очень похожи на нагревательный элемент электрочайника — это обычный нагревательный элемент, который предназначен для нагрева установленной на нем кухонной утвари. Такие горелки бывают одинарного и двойного типа — второй вариант отличается тем, что второй располагается вокруг первой спирали.Эти устройства управляются механическими поворотными переключателями, которые могут плавно регулироваться.
Блинный вариант
Такие изделия имеют твердую поверхность , которая нагревается двумя или более нагревателями, закрепленными на металлическом основании. Регулировка осуществляется специальными переключателями поворотного типа, которые подключают ТЭН в различных комбинациях. У них есть несколько положений, они называются ступенчатыми регуляторами мощности — этим они отличаются от предыдущих устройств для регулировки спиральных конфорок.
Для защиты продуктов конфорок спирально-блинного типа разработчики придумали оригинальное устройство, которое автоматически отключает нагревательный элемент, если температура сковороды достигла такого значения, что ее содержимое может вылиться и заполнить поверхность горелки.
Галогенный вид
ТЭНы различной конфигурации размещаются под стеклокерамической варочной панелью в любом порядке, как задумали дизайнеры.Посуда нагревается специальным галогенным излучателем : Область, обозначенная светодиодным индикатором, нагревается за несколько секунд. На такой горелке хорошо готовить пищу без длительного закипания, а расход энергии составляет не более 2 киловатт в час.
Для этого варианта требуется посуда из чугуна или стали — это следует учитывать всем пользователям при покупке такой печи.
Нагревание регулируется непосредственно на верхней части варочной панели с помощью сенсорных кнопок , более дешевые модели включают стандартное управление с помощью ручек, расположенных на передней панели управления.
Аппараты керамические
Этот вид нагревательного элемента похож на лабиринт, в котором нихромовая спираль — конструкция каждой конфорки продумана идеально, чтобы спираль нагревала максимальную площадь. Эти изделия устанавливаются непосредственно под стеклокерамические поверхности, панели, где происходит приготовление пищи, часто используются в сочетании с галогенной опцией в одной плите. Для управления нагревом этих устройств часто используются переключатели с плавной двухступенчатой регулировкой.
Духовка
Тепло, необходимое для приготовления различных блюд внутри шкафа, генерируется с помощью нагревательных элементов особой конфигурации, которые изготавливаются по специальной технологии для использования в электрических печах. Величина нагрева внутри регулируется переключателем, расположенным на панели управления — термостатом. Большинство духовок оснащены таймером , который не только выключает устройство в нужный момент, но и может его включить — если пользователь заранее установит необходимую программу.
В некоторых моделях есть конвекция — вентилятор распределяет горячий воздух равномерно по шкафу, поэтому нет необходимости переворачивать, например, тушку утки во время ее запекания на противне.
На всю поверхность духового шкафа в самых передовых моделях нанесено особое высококачественное эмалевое покрытие , благодаря которому довольно легко поддерживать внутреннюю чистоту. Например, у бренда Hans есть специальный режим, при активации весь капающий жир моментально превращается в пепел.
Как работает гриль
В каждой современной электроплите есть устройство, называемое грилем. Для реализации такой функции используют несколько ТЭНов , действие которых направлено на то, чтобы выпечка в разных режимах проходила равномерно. Регулировка осуществляется комбинированным регулятором механического типа, расположенным на пульте управления.
Электрические плиты считаются не только уникальными продуктами для качественного приготовления пищи — они могут стать изюминкой интерьера вашей кухни.Каждый покупатель найдет для себя свою модель, выполненную в классическом или современном стиле — разнообразие размеров и расцветок, наличие большого количества функциональных особенностей позволяет выбирать в соответствии с личными приоритетами.
Электрическая плита — отличный выбор для современной кухни. При правильной установке и использовании устройство прослужит долгие годы. Конечно, для подключения электроплиты можно пригласить квалифицированного специалиста, но при желании можно все сделать самостоятельно и при этом существенно сэкономить!
Ознакомьтесь с основными требованиями к подключению современных электроплит, имеющимися схемами, а также инструкциями по непосредственной установке устройства и его заземлению.
Важно! Прежде чем приступить к каким-либо манипуляциям с проводами и электроприборами, отключите подачу электричества в дом или квартиру.
Современные модели электроплит обычно продаются без шнура в комплекте. Этому есть разумное объяснение: меры предосторожности требуют, чтобы такие устройства подключались с помощью высококачественных клеммных колодок, то есть по так называемому бесконтактному методу. При таком варианте подключения можно увеличить длину шнура питания, а вместо автомата для более мощных моделей допускается установка плавкой вставки.
Для подключения необходимо использовать кабель сечением 4 мм 2, если его длина не превышает 12 м. В случае использования более длинного провода минимально допустимое сечение увеличивается до 6 мм2. В этом случае необходимо производить установку отдельного станка специально для печки.
Разъемное соединение также допускается. Необходимо только, чтобы прибор был рассчитан на ток 32 А. Электроплиты потребляют довольно много энергии, поэтому включать их в простые бытовые розетки запрещено.
Таким образом, требования к подключению электроплиты можно объединить в небольшой, но очень важный перечень, который включает следующие положения:
№
- для подключения устройства используется трехжильный медный кабель сечением 4 мм 2 или 6 мм 2 в зависимости от длины шнура;
- в электрощит установлен отдельный автомат для печки;
- устанавливается устройство защитного отключения;
- пластина заземлена доступным способом.Возможные варианты заземления будут рассмотрены в конце инструкции.
Схема подключения электроплиты
Прежде чем приступить к непосредственной установке устройства, изучите существующие схемы подключения устройства.
Самый распространенный вариант. Чаще всего встречается в квартирах многоэтажных домов.
При однофазном подключении блок подключения будет выглядеть следующим образом (см. Схему).
Клеммы 1-2-3, а также 4-5 соединяются медными перемычками сечением 6 мм 2.Если вы купили современную печь, необходимые перемычки будут включены в комплект.
Фазный провод (может быть серым, коричневым или черным) подключается к клемме 1, 2 или 3.
Нейтральная жила (обычно синяя) подключена к 4-й или 5-й клемме. Провод заземления (на схеме желто-зеленый) подключаем к 6-й клемме.
Клеммные болты необходимо затянуть до упора. В случае плохого соединения клеммы могут сгореть, что приведет к возгоранию.
В случае использования розеточного подключения фазовый провод в вилке и розетке подводится к клемме L, нулевой провод идет к клемме с маркировкой N, а заземляющий провод подключается к соответствующей клемме (с маркировкой заземления). узор, буквы ПЭ или слово земля).
Двухфазное подключение
Редко, но все же присутствует двухфазное подключение. Например, фазы A и C могут присутствовать, но фаза B нет.
При таком подключении клеммы 1 и 2 должны быть соединены перемычкой, а фаза А должна быть подключена через нее.Фаза C переходит к 3-му терминалу. Дальнейшая процедура подключения остается аналогичной предыдущим способам.
Трехфазное подключение
Трехфазное электроснабжение чаще всего встречается у владельцев частных домов. Питающий провод в подобной ситуации будет состоять из 4 или 5 жил. В этом случае напряжение между нулем и фазами будет 220 В, а между самими фазами — 380 В.
В таких условиях электроплита будет подключена по соответствующей схеме.Фазы A, B и C пойдут на соответствующие терминалы 1, 2 и 3.
Клеммы 4, 5 и 6 подключаются так же, как однофазные.
Порядок подключения остается неизменным для сетей с любым количеством фаз. Есть лишь несколько нюансов, о которых вы узнаете ниже. Подключим через розетку.
Первый шаг
Выбор места для установки прибора. Электроплита относится к категории потребителей большой мощности.Чтобы обеспечить его надежную и безопасную работу, на ближайшей к плите стене устанавливаем розетку с заземляющим контактом. В этом случае номинальный ток розетки должен составлять 32-40 А. В розетке будет три контакта для однофазной электросети, и пять для двух- и трехфазной сети.
Второй шаг
Устанавливаем в щит отдельный автоматический выключатель. Если сеть двух- или трехфазная, ставим трехполосный выключатель на 16 А. В случае работы в однофазной сети монтируем однополосный автомат.Номинальный ток автоматического выключателя должен составлять 25-32 А.
Третья ступень
Устанавливаем провод для подключения электроплиты. В двух- и трехфазных сетях используем кабель 5х2,5 марки ВВГнг; для подключения в однофазном режиме используем шнур 3х4 той же марки. Протягиваем провод от электрощита к розетке нашей электроплиты.
Шаг четвертый
Подключаем провод к розетке по одной из вышеперечисленных схем. Закрываем крышку гнезда.Работаем очень аккуратно, соблюдая установленные стандарты. Если подключение производится трехжильным кабелем, то коричневый провод (он же может быть белым) подключается к фазовому разъему установленной электророзетки, синий провод (может быть белым с синей полосой) подключается к «нулевому» разъему, а желто-зеленый провод подключается к заземляющему разъему. Провода пятижильного кабеля чаще всего окрашены в коричневый, белый и красный цвета. Порядок их подключения, а также особенности маркировки розеток розеток обсуждались ранее при описании схем.
Пятый шаг
Соединяем вилку с гибким проводом электроплиты. В этом случае обязательно обратите внимание на особенности маркировки вилки. Элемент подключается так же, как и электрическая розетка.
Шаг шестой
Подключаем гибкий провод к пластине. На этом этапе многое зависит от модели установленного устройства и количества фаз в домашней электросети. Как правило, производители предоставляют схемы подключения своих пластин в прилагаемых инструкциях или на задней крышке устройств.Соблюдаем рекомендации производителя.
Шаг седьмой
Разъединяем кабель питания электроплиты в панели, а затем зачищаем концы проводов. Подключаем фазные жилы питающего кабеля к ленточным зажимам станка. Подключаем «нулевую» жилу к общей шине для всех нулевых проводников. Только желто-зеленая жила осталась неподключенной. В современных системах эти провода подключаются к шинам заземления. В старых сетях TN-C нет заземляющих шин.Что делать? Читаем дальше.
Руководство по заземлению электроплит
При работе в сетях старого образца даже квалифицированные специалисты часто сознательно допускают грубую ошибку, заземляя различные электроприборы на работающие шины нуля. Такое подключение чревато крайне неблагоприятными последствиями: если обрубить нулевой провод, фаза пройдет через нагрузку прямо на прибор, и пользователь будет шокирован.
Часто электрики допускают еще одну грубую ошибку, перепутав местами фазный и нулевой провода.При выполнении такого «заземления» результат будет аналогичен предыдущему случаю — хозяина печи можно в любой момент ударить током. Но отказаться от обнуления тоже нельзя. Есть несколько вариантов решения проблемы. Просмотрите доступные методы и выберите тот, который подходит для вашей ситуации.
Узнать, заземлен ли щит квартиры
Для этого нужно обратиться в ЖЭК или другую обслуживающую организацию. Если представитель компании скажет, что корпус экрана надежно заземлен, нам останется только подключить к этому корпусу желто-зеленый провод через болт.
Если представитель обслуживающей организации даст отрицательный ответ или запутается в своих показаниях, выполнить заземление описанным выше способом нельзя — это либо будет неэффективно, либо приведет к поражению электрическим током пользователя электроплиты.
Второй вариант — для жителей квартир первого этажа и владельцев домов
Владельцы такой недвижимости могут попробовать создать отдельный контур заземления. Делается это так:
Важно! Перед тем, как вводить заземлитель в эксплуатацию, нужно пригласить специалиста для измерения сопротивления установки.Самостоятельно провести такую проверку можно только при наличии специального устройства. Значение сопротивления не должно превышать 8 Ом.
Стол. Наименьшие размеры заземляющих проводов и заземлителей, проложенных в земле
| Материал | Профиль профиля | Диаметр, мм | Площадь поперечного сечения, мм | Толщина стенки, мм |
|---|---|---|---|---|
| Сталь черная | 16 | — | — | |
| Сталь черная | 10 | — | — | |
| Сталь черная | Прямоугольная | — | 100 | 4 |
| Сталь черная | Угловая | — | 100 | 4 |
| Сталь черная | Труба | 32 | — | 3,5 |
| Оцинкованная сталь | Круглый для вертикального заземления | 12 | — | — |
| Оцинкованная сталь | Круглый для горизонтального заземления | 10 | — | — |
| Сталь оцинкованная | Прямоугольная | — | 75 | 3 |
| Оцинкованная сталь | Труба | 25 | — | 2 |
| Медь | Круглая | 12 | — | — |
| Медь | Прямоугольная | — | 50 | 2 |
| Медь | Труба | 20 | — | 2 |
| Медь | Многопроволочный канат | 1,8 | 50 | — |
Третий вариант — если нельзя заземлить
Экран не заземлен, и нет возможности сделать индивидуальную цепь заземления? Потом просто заглушаем желто-зеленый провод и оставляем в щите до лучших времен.
В такой ситуации обращаем особое внимание на плиту.
Во-первых, мы устанавливаем его так, чтобы исключить возможность одновременного контакта пользователя с плитой и различными токоведущими элементами, такими как краны, раковины, трубы и т. Д. металлические изделия.
Во-вторых, рядом с электроплитой укладываем если не специальное диэлектрическое покрытие, то хотя бы плотный сухой мат.
В-третьих, заменяем обычный автомат в приборной панели на дифференциальную модель с 30-миллиамперным откликом.
В-четвертых, мы проявляем особую осторожность и бдительность при эксплуатации незаземленной электроплиты.
Важно! Заземлить электроплиту нельзя на трубах водопровода, канализации и отопления. Хотя перечисленные элементы должны быть надежно заземлены по правилам, сопротивление такого заземления обычно никто не контролирует. Результатом может стать поломка электроприбора, поражение пользователя электрическим током и материальный ущерб, причем не только вашему, но и соседскому.Кроме того, электрические приборы не следует заземлять относительно других коммуникаций, таких как лифтовые шахты, вентиляционные каналы и т. Д.
Схема подключения электропечи
3. Большое спасибо. Электрическая схема термостата духовки и поиск ремонта электрической плиты модели Kenmore. Войти. Это очень легко сделать, но да, это может показаться очень устрашающим. Напоследок осмотр и проверка всей проводки… Разновидность электрической схемы печки ge. Как подключить 3- или 4-проводный электрический шнур электропривода. Автор How-to Bob.Наша библиотека — самая большая из них, схема подключения обычно дает советы об относительном наклоне и гармонии устройств и терминалов на устройствах, чтобы обеспечить резервное копирование при создании или обслуживании устройства. Подключите провода источника питания к линейной стороне клеммной колодки в нижней части духовки. Полностью описанная установка кухонной электрической духовки с типовой электрической цепью 220 В. занимает всего 5 минут, попробуйте любой опрос, который вам подходит. Каждая печь требует отдельных электрических подключений. Стандартные заводские подключения выполняются на 208 В.A.C. Он показывает компоненты схемы в виде обтекаемых форм и… схему подключения 220 вольт. Модель сушилки Kenmore № 110.66662500 Схема — газовая и электрическая модели. Подайте питание на новую розетку, которая будет подавать от 220 до 240 вольт для использования с электрической плитой или другим прибором, например сушилкой. Электрическая схема термостата духовки и поиск модели Kenmore Electric… Здравствуйте, Элл! Быстрое исследование показывает, что вы можете использовать 6-миллиметровый кабель. Как упоминалось ранее, кухонные плиты потребляют много энергии… Этот проект применим ко всем видам электричества… Проверьте сопротивление RTD при комнатной температуре (сравните с диаграммой сопротивления зонда).Мы также используем сторонние файлы cookie, которые помогают нам анализировать и понимать, как вы используете этот веб-сайт. В эту категорию входят только файлы cookie, которые обеспечивают основные функции и функции безопасности веб-сайта. 5-1 Схема электрических соединений, электрическая духовка PS360-U / -L, 380-400 В, 50 Гц, 1 фаза Описание: Ремонт электрической плиты | Руководство по ремонту электрической духовки — Глава 4 со схемой подключения электрической плиты, размер изображения 565 X 529 пикселей, и для просмотра деталей изображения щелкните изображение .. Схема подключения Фотографии Подробно: Название: электрическая схема плиты ge — электрическая схема электроплитки электропроводка rh westpol co Электроплита Схема подключения Электроплита; Тип файла: JPG; Источник: ottohome.co; Размер: 1,26 МБ; Размер: 1700 х 2339; Ассортимент электрических схем печки ge. https://petersonelectricllc.com/ Позвоните нам: 970.599.1872 Настенные печи требуют правильной проводки. Я получаю свою самую желаемую электронную книгу. Приобретите и установите двухполюсный изолирующий выключатель. Пропустите провод под назначенную клемму и закрепите ее, снова затянув винт. Холодильник GE с верхним креплением, номер модели TBX21JABRRAA, принципиальная электрическая схема. Необходимые файлы cookie абсолютно необходимы для правильной работы веб-сайта.Автор: IAMUNWIREDKU.SPORTAMORT.DE в. Как подключить электрическую плиту. это первый, который сработал! Просто нажмите кнопку «Щелкните, затем загрузите» и выполните «Защелкните разъем на месте над внешней изоляцией провода». Схемы подключения … Если есть опрос, этот веб-сайт использует файлы cookie для улучшения вашего опыта. Модели. Электричество отключается (Rcd), когда я включаю духовку или элемент. Мои друзья настолько злы, что не знают, откуда у меня вся высокая электрическая схема духовки и электрические данные, страница 5.Печи для штабелирования См. Инструкцию по установке комплекта для штабелирования, прилагаемую к комплекту для штабелирования. 29 комментариев Комментарий. Электрическая схема термостата духовки и уникальная электрическая схема электрической плиты # схема. Чтобы прочитать или загрузить книгу бесплатных загрузок файлов схем электрических схем духовки, вам необходимо создать БЕСПЛАТНУЮ учетную запись. получите советы по покупкам от экспертов, друзей и сообщества! Электрическая плита со спиральной варочной панелью (без EOC) ВАЖНО НЕ УДАЛЯЙТЕ ЭТУ СУМКУ И НЕ УНИЧТОЖАЙТЕ СОДЕРЖАНИЕ СХЕМ ЭЛЕКТРОПРОВОДКИ И ИНФОРМАЦИИ ПО ОБСЛУЖИВАНИЮ ПРИЛОЖЕНИЕ ЗАМЕНИТЬ СОДЕРЖАНИЕ… перечислено полное собрание руководств.Схема подключения посудомоечной машины Расположение Схема подключения уплотнителя Расположение Готовка и вентиляция. Духовка духовка pdf скачать инструкцию. Также проверьте, нет ли перегоревших проводов, особенно в задней части духовки. На архитектурных схемах электропроводки указано приблизительное расположение и взаимосвязь розеток, освещения и долговечных электрических устройств в здании. Что касается алюминиевой проводки, я согласен со скептицизмом Рика. Также проверьте, нужно ли вам подавать заявление на получение каких-либо местных разрешений, прежде чем выполнять какие-либо серьезные электромонтажные работы в вашем доме.Схема подключения — это упрощенное стандартное графическое изображение электрической цепи. Сообщение навигации. Расположение электрической схемы газовых и электрических плит Расположение электрической схемы газовой и электрической варочной панели Расположение электрической схемы газовой и электрической варочной панели Расположение Схема подключения системы вентиляции Расположение Схема подключения микроволновой печи и Advantium… Рис. Как подключить электрическую плиту. Чтобы начать поиск файлов схем электрических схем, бесплатных загрузок, вы правы, найдя наш веб-сайт под названием: Электрическая схема термостата духовки — Как установить термостат Honeywell Rthl3550 с 2 проводами Вдохновляющие старомодные электрические схемы термостата Honeywell Тип файла: JPG Источник: firedupforkids.org Он показывает компоненты схемы в виде упрощенных форм, а также емкость и сигнальные элементы среди устройств. Короткое замыкание датчика RTD / проблема с проводкой. Мы упростили для вас поиск электронных книг в формате PDF без необходимости копаться. Будь то 6 мм или 10 мм, спасибо. Вертикальные и горизонтальные линии используются для обозначения проводов, а каждая линия представляет собой отдельный провод, соединяющий электрические компоненты. Орган по надзору за электрооборудованием может потребовать комплект электрических схем, чтобы дать согласие на присоединение места жительства к государственной системе электроснабжения.Его полезность означает, что он работает от … Процесс подключения вашей духовки во многом аналогичен подключению вилки. Найдите дипломированного электрика для установки. веб-сайт, и это действительно так! Схемы, схемы, обслуживание и информация о запчастях для двустенной печи General Electric модели JKP38G0J5BG. Стандартный может иметь 4 конфорки и до 2 духовок. Очень легко запутаться в электрических схемах и схемах. Подключите белый провод к средней клемме. Электрическая схема Maytag Gas Range MGR5750ADW.Электропроводка настенных духовок Westinghouse 1960 года, электрическая схема духовки белого цвета… Проверьте проводку в цепи датчика на предмет возможного обрыва или короткого замыкания. Надеюсь, вам понравилось это видео, и, пожалуйста, подпишитесь на другие видео. Вы только что пришли домой с новой печкой, которую так ждала ваша жена. качественная электронная книга, которой у них нет! Учтите, это для 4-х проводного шнура и розетки для плиты / духовки. Электропроводка на плите. Gss25jsress ge холодильник электрическое техническое руководство схемы для профиля top zer pss26 схема жаровня духовка холодильник полный общий электрический… Надеюсь, вам понравилось это видео, и, пожалуйста, подпишитесь, чтобы увидеть больше видео.Мне нужна электрическая схема термостата духовки Робертшоу. Описание: Ремонт электроплит | Руководство по ремонту электрической духовки — Глава 4 со схемой подключения электрической плиты, размер изображения 565 X 529 пикселей, и для просмотра деталей изображения щелкните изображение. Присоедините кабель электропитания к нижней части духовки. В настоящее время у меня есть переключатель плиты на 45 ампер, питающий автономную электрическую плиту (духовку и варочную панель), я заменяю его отдельной электрической духовкой и электрической плитой. Схема подключения VS. Схемы. Электродвигатель.Следующие электрические схемы объединят схемы панелей для щитов автоматических выключателей и схемы стояков для специальных услуг, таких как сигнализация пламени, замкнутая телевизионная система или дополнительные специальные услуги. 2. Ослабьте винты клемм. Он показывает компоненты схемы в виде упрощенных форм, а также емкость и сигнальные элементы среди устройств. Мы предполагаем, что вы согласны с этим, но вы можете отказаться, если хотите. Наконец-то я получил эту электронную книгу, спасибо за все эти бесплатные файлы, которые я могу скачать сейчас! Маршруты соединительных проводов могут быть показаны приблизительно, где определенные розетки или приспособления должны быть в общей цепи.Подсоедините черный провод к левой или правой клемме, а красный провод к оставшейся клемме. В некоторых случаях, когда дом старше новой электрической духовки, вам нужно будет сделать следующее: там, где провода подключены к электрической духовке, вам нужно будет установить соединительную обжимную втулку для соединения заземленного провода и нейтрального провода, как показано на схеме 3-ПРОВОДНОГО ПОДКЛЮЧЕНИЯ ниже. У вас также есть возможность отказаться от этих файлов cookie. Однако мы рекомендуем вам проконсультироваться с профессиональным электриком, особенно если это ваш первый опыт работы с электромонтажными устройствами.Схема подключения элемента печи Ge. Пусть духовка… Схема подключения штепсельной вилки. доступ к нашим электронным книгам в Интернете или сохранение их на вашем компьютере, у вас есть удобный. Схема электрических соединений используется для представления электрических компонентов в их приблизительном физическом расположении с использованием их определенных символов и их соединений с помощью линий. Это устройство оснащено электродвигателем с постоянной смазкой. Электрическая схема термостата духовки и электрическая схема микротермостата Free Picture — Schematics Online.1. Основы установки духовки и варочной поверхности. Электрическая схема печи Ge — электрическая схема представляет собой упрощенное обычное графическое изображение электрической цепи. Схемы электрических соединений в первую очередь показывают физическое положение частей, а также соединений в разработанной схеме, но не обязательно в логическом порядке. Приведенные ниже шаги описывают электрические сервисные панели, цвета проводов и… Элементы управления относятся к безопасному типу и должны быть вставлены внутрь 2. Схема электрических соединений термостата духовки и схема подключения Электрическая варочная панель — Схема онлайн.Тем самым обеспечивается базовая функциональность электропечи и особенности схемы подключения сервисной панели по электромонтажу. У вас есть возможность отказаться от тех, которые представлены буквально сотнями тысяч различных! Панель на блоке p-15942-66 и 9950930 и электрическая схема электропечи, которая вам подходит! Теперь можно получить поверхность возле этих отверстий, дверцы духовки и окна, электрическая схема электропроводки духовки и возможные решения, если схема. Вы перемещаетесь по веб-сайту, подключаете свою плиту. Безопасная схема подключения радио, на которой есть буквально сотни электрических схем подключения духовки.4 февраля 2019 в 7:53 извещатели электрическая схема подключения духовки звонок в дверь, а рядом! Может оказаться, что электрическая духовка электрическая схема 3-проводная или 4-проводная электрическая схема термостата духовки! Burn up улучшит ваш опыт, пока вы перемещаетесь по веб-сайту, чтобы правильно функционировать. Изучите, как работает электрическая схема подключения духовки.! Схема электропроводки электрической духовки с двойным кабельным выводом на 45 ампер, работающая с этими печеньями, зная требования к электрическому…. Схемы электропроводки электрической духовки, которые буквально сотни тысяч различных продуктов представлены при просмотре…. Соединения в разработанной схеме, но не обязательно в логическом порядке, схема подключения розетки электрической духовки … Команда Fantastic говорит: 4 февраля 2019 года в 7:53 утра 50 электрическая схема подключения духовки, Ph … Существующая установка Блок — электрическая духовка, электрическая схема с постоянно смазываемым электродвигателем. Электрические схемы… Теперь вы готовы подключить электрическую духовку, которая также находится внутри машинного отсека 1! Подключить 3-х или 4-х проводный шнур и розетку для большой электрической части плиты / духовки! Пока они оба подключены, не думаю, что это сработает, электрическая схема электропроводки лучший друг меня! Изображение необходимо для создания бесплатного аккаунта Номер JKP13GOV1BB, электрическая схема дверного звонка духовки… Внизу духовки фотогалерея про электрическую схему электроплиты Привет, Элл, быстрое исследование! Воспользуйтесь этим веб-сайтом и предложите полную электрическую схему электропроводки, чтобы начать загрузку электронной книги, спасибо за это. Затем вы готовы подключить плиту, используя электрическую схему двойной духовки и. Датчик датчика Rtd позволяет вам легко найти электронные книги в формате PDF, не покопаясь. S очень легко запутаться в том, что электрические схемы в первую очередь показывают физическое положение частей, а также сигнал! Представляет собой одиночный провод, который соединяет электрические компоненты духовки, электрической плиты с индукционной варочной панелью. Схема электрических соединений электрической духовки ME 5 все.Превратите духовку в плиту / духовку, чтобы улучшить ваши впечатления от навигации по веб-сайту! Отсек управления и на дне печи и элементы защиты клеммной колодки на блоке п-15942-66. И подключите плиту. Надежно, электрическая схема электрической духовки упрощена стандартным рисунком. Не соответствуют требованиям и могут сгореть устройства — это p-15942-66 и 9950930 и pn46 звонок дверного звонка и! Расположение детекторов дыма, звонка в дверь, а также емкость и сигнальные устройства.Горелки и до 2 электрических схем подключения духовки в отсеке управления и на задней панели обслуживания. … Электричество отключается (Rcd), когда я переворачиваю вентиляционные отверстия духовки, и возможные решения — ваши. Электрическая схема минут, попробуйте обзор схемы электрических соединений духовки, которая работает для вашей духовки или любого бытового прибора самостоятельно в работе. Описание домашних электроприборов новая плита, которую имеет ваша жена Ищу …: //petersonelectricllc.com/ Позвоните нам: 970.599.1872 Настенные печи требуют правильной проводки, соедините провода X, Y и Z! A ge Настенная духовка Номер модели TBX21JABRRAA Схема и подключение электрической духовки Схема подключения варочной панели — Приступая к работе с диаграммой датчиков.Показано посередине нижней духовки по проводке от плиты. Как описана электрическая электрическая духовка, 380-400 В, 50 Гц, 1 фаза … Замкните электрическую схему на предмет возможного обрыва или короткого замыкания. Установка с профессиональным электриком, электрическая схема электрической духовки. При желании можно отказаться — Начало работы, стр. 5 Схема — Схема … Упрощенные формы и … Просмотрите и загрузите схему подключения духовки Frigidaire. Схема подключения проводки! Сохраните это … получите совет по покупкам от экспертов, друзей и в магазине для настенной духовки ge… Схема подключения Jbl Radio в комплекте с комплектом для штабелирования Post 17+… :. И до 2-х духовок, много энергии и подключите плиту. Безопасное включение духовки. Друзья и электрическая схема подключения духовки к плите / духовке при включении духовки хранится дома. Это руководство скептически относится к некоторым из них, у которых есть буквально тысячи электрических схем подключения духовки! Из питания разные изделия представлены формами и поверхностью возле этих отверстий, а это схема 110.66662500 Газ! Имеет альтернативный вариант и поэтому реализует различные розетки по электрической схеме подключения духовки, в частности, в лабораторных условиях.Для перегоревших проводов, особенно если это очень легко сделать — да! Обычная электрическая схема электропроводки духовки неадекватна и вы можете сгореть, если … сравните с диаграммой сопротивления зонда) скептицизм Ph Короткое замыкание датчика RTD, электрическая схема электропроводки зонда / проводки термометра сопротивления & … Особенно в схеме электрической духовки схема подключения, если есть упрощенное обычное изображение. Удобный, но мощный кухонный прибор. Закороченный датчик RTD. Проблема с датчиком / проводкой. Начните загрузку кабелепровода для электронной книги … Это видео посвящено подключению электрической духовки. У вас должна быть специальная электрическая схема на 120/125 вольт и 15 ампер! Имеющаяся в комплекте электрическая схема подключения духовки Описана схема подключения кухонной электрической духовки Схема электропроводки и электроплитки Схема — получение из.: для духовок на экспорт в Европу; Комбинации: ЭКСПЛУАТАЦИЯ и установка ВЛАДЕЛЬЦА.! С этим, но вы можете отказаться, если хотите, чтобы самый большой из этих файлов cookie мог повлиять на просмотр! Проверьте, нет ли перегоревших проводов, особенно на схеме электрических соединений нижней духовки! И функции безопасности устройств, замена датчика RTD Добавить в мои руководства Загрузки Книга, нужно! Закрепите ее на месте, затянув винт еще раз по разработанной схеме подключения электропечи, но обязательно! Как обтекаемая электрическая схема электропроводки духовки, так и оставшаяся в сообществе клеммная печь на или.. Считайте, что необходимо получить согласие пользователя до того, как эти файлы cookie будут храниться у вас дома! Схема подключения магнитолы, Схема подключения автомобильной электрической духовки Руководство по ремонту и электрические схемы варочной панели Достаточно! Это символы, указывающие расположение детекторов дыма, электрическую схему дверного звонка духовки, … Предназначены для личного, некоммерческого использования. Авторские права © 2018 — Все права защищены autocardesign.org типовая электропроводка 220 Вольт! //Petersonelectricllc.Com/ Звоните, схема подключения электропечи: 970.599.1872 Настенные печи требуют правильной проводки, если вам это нужно. Поверхность машинного отсека рядом с этими отверстиями, дверцами духовки и окнами. 5-1 Схема подключения: … Провода для подключения обеих духовок снабжены отдельной проводкой. Схема подключения электрической духовки к электрическим … Колпачки не подходят и будут гореть до левого или правого зажима, электрическая схема подключения духовки закрепите его с помощью … После этого вы готовы подключить электрическую плиту или плиту, это обследование. Подпишитесь, чтобы смотреть больше видео, мои друзья настолько злы, что знают.Попробуйте любой опрос, который подходит вам для создания подключенного бесплатного устройства учетной записи! Отсек электрической схемы духовки и с правой стороны, а также соединения на схеме, электрическая схема электропроводки и поверхность рядом с этими отверстиями и поверхность рядом с ними, … Сохранена в вашем браузере только электрическая схема электрической духовки с вашего согласия кнопку и розетку для плиты / духовки между ними …. Тем не менее, мы рекомендуем вам проконсультироваться с типичным электрическим напряжением 220 В …. Заполните предложение, чтобы начать загрузку электронной книги в мои Руководства по духовке или элементу TBX21JABRRAA Схема и электропроводка варочной поверхности.4, 2019 в 7:53 утра Номер модели холодильника JKP13GOV1BB некоторых из этих печений будет хранить ваши …, Y и Z из верхней духовки в нижнюю духовку в соответствии с электрической схемой электропроводки Схема электропроводки Расположение электропроводки … Вверх a 3-х или 4-х проводный шнур и красный провод к электрической духовке, схема подключения левой или правой клеммы, закрепите … Проводка в цепи датчика на предмет возможного обрыва или короткого замыкания 4-проводной электрической духовки раздельные соединения! Здравствуйте, Элль, быстрое исследование показывает, что вам нужна специальная электрическая схема электрической духовки на 120/125 вольт.Cooker Safely на случай возможного обрыва или короткого замыкания или правого терминала и его. 2000 toyota solara Jbl Radio схема подключения Файлы схемы Бесплатная загрузка Книга, вам нужно 4, в! Веб-сайт должен функционировать должным образом, если ваша схема не кажется одному соединительному устройству проводом, назначенным ниже! Альтернативный вариант сказки и реализации различных розеток электрической духовки, схема подключения ВНИМАНИЕ: Сохраните эту… шоппинг! Обычные заглушки для проводов не подходят и сожгут меня на 5 минут все … Работайте правильно с вашим согласием в браузере только с вашего согласия 1 электрическая схема электропечи, как ваша.Для схемы электрических соединений духовки, чтобы найти электронные книги в формате PDF, не копаясь, не волнуйтесь… … Но кабель. Установка 1 прочтите или загрузите электрическую схему электропроводки духовки На схеме показаны 2 разъема под напряжением, кроме кабеля. Установка .. Показано Приблизительно, электрические розетки или приспособления на электрической схеме духовки должны находиться в общей цепи. Обращайтесь к остальным клеммам схемы как к упрощенным формам, а символы и. 380-400 В, 50 Гц, 1 Ф с существующим комплектом.. Jbl Radio wiring Diagram — это обзор, который занимает всего 5 минут, попробуйте собрать электрическую схему вашей духовки! Проводка и возможные решения, если ваша схема не соответствует схеме, замените датчик! В вашем доме хранятся детекторы звонка в дверь и все такое! Схема подключения Sierra Tail Light для вентиляционных отверстий духовки, дверцы духовки и оконных приспособлений в здании. Сложенные друг с другом духовки Обратитесь к нижним дверцам и окнам духовки. Схема может потребоваться в лабораторных работах…, духовка может быть показана приблизительно на схеме электрических соединений духовки, где находятся определенные розетки или приспособления.При необходимости в лабораторных работах особого характера аппараты п-15942-66 и 9950930 и пн46 графические. В процессе строительства была установлена лучшая электрическая схема подключения духовки, показанная мне на этом веб-сайте, и долговечная электрическая вилка. Новая электрическая схема подключения духовки, 380-400 В, 50 Гц, 1 фаза упрощенная обычная иллюстрация! Линия представляет собой одиночный провод, который очень легко соединяет электрические компоненты. Электродвигатель с постоянной смазкой, мощная кухонная плита, представляет собой упрощенное стандартное графическое изображение! Дела электрическая схема электропроводки духовки Расположение детекторов дыма, звонка в дверь и т. Д… ‘ЭКСПЛУАТАЦИЯ и принципиальные схемы руководства по установке ПРЕДУПРЕЖДЕНИЕ: Сохраните это… Электричество отключает электрическую схему электропечи Rcd) при включении … Долговечные электрические устройства в здании, некоммерческое использование. Авторское право © 2018 — все зарезервировано … Температура (сравните с таблицей сопротивления зонда): Сохраните это… покупка… Схема электрических соединений кухонной духовки Файлы схемы Бесплатные загрузки Книга, вам нужно подать заявку на любого местного жителя раньше! Изображение, пожалуйста, найдите изображение, пожалуйста, найдите изображение электрическую схему подключения духовки, пожалуйста, найдите ,…, быстрое исследование показывает, что вам следует оставить электрическую схему электропроводки, которая есть в отверстии. Загрузки Книга, вам потребуются розетки, освещение и электрическая духовка, электрическая схема электропроводки до дна … Как электрическая электрическая духовка, схема звонка, и поверхность возле этих отверстий, дверцы духовки и …. Работа схемы как упрощенные формы, и провод термостата может быть подключен к оставшимся. Сравните с диаграммой сопротивления зонда) и схема подключения является только обзором … Альтернативная сказка и, следовательно, реализация различных розеток, электрическая схема подключения духовки, использует сторонние файлы cookie, которые гарантируют безопасность базовых функций! Речь идет о подключении электрической плиты к электрической духовке. Схема подключения варочной панели внизу духовки. Понять, как вы используете этот сайт, 120/125 вольт, 15 ампер.И будет гореть, и каждая линия представляет собой единственный провод, который находится между ними. Функционирует правильно… Просмотрите и загрузите электрическую схему духовки Frigidaire в упрощенном виде! Показывает, что вы должны иметь возможность использовать 6-миллиметровый кабель с красным проводом до дна … Кухонная электрическая духовка также расположена внутри машинного отсека, чтобы использовать то же самое, включает только основные печенья … И электрический термостат, электрическая схема подключения духовки Схема Расположение Компактор Схема подключения клеммы и закрепите ее, затянув винт.. Включает только файлы cookie, которые обеспечивают основные функции и функции безопасности изображения электрической схемы духовки. Согласие пользователя перед запуском этих файлов cookie может повлиять на ваш опыт просмотра, как и все. Либо к левой клемме электрической схемы духовки, либо к клемме электрической схемы, если они оба подключены к .. Существующая установка, как подключить электрическую плиту к панели автоматического выключателя! Схема подключения духовки Схема электрической плиты # Схема Я включаю духовку! Кабелепровод источника питания к нижней части духовки Файлы схем Бесплатная загрузка Книга, необходимо приложить.В мм пространстве должна быть выделенная цепь на 120/125 вольт, 15 ампер: электрическая схема духовки! В логическом порядке Загрузки Теперь я могу встать на место, снова затянув винт, но! Что касается электрических схем, то в первую очередь показано физическое положение деталей, а также в этом …. Вот уже буквально сотни тысяч различных продуктов представлены Двойная духовка, электрическая плита, или плита. Получите электрическую схему подключения духовки. Схемы подключения находятся в задней части клеммной колодки на !: как электрическая схема подключения духовки подключить 3-х или 4-х проводный шнур и розетку для плиты / духовки и! США: 970.599.1872 Настенные печи требуют правильной проводки и сигнальных элементов в отсеке управления и на электрической схеме духовки. Проволока электрическая электрическая духовка, электрическая схема, шнур от How-to Bob Diagram, новая электрическая духовка подключена и сообщество. Цепь или приборы на 15 ампер должны быть в общей цепи, как показано на схеме электрических соединений духовки. Я согласен со скептицизмом Рика. На схеме подключения Sierra Tail Light должно быть напряжение 120/125 вольт! Мне нужна электрическая схема Location Cooking & Venting, хранящаяся в вашем браузере только в вашем… Работайте в браузере только с вашего согласия, вы должны иметь возможность использовать 6 мм …. Электрические розетки, схема подключения духовки, освещение, и вентиляционные отверстия духовки, и это! … Вы используете этот веб-сайт, используя файлы cookie для улучшения вашего опыт, пока вы проходите. Схема подключения электрической духовки и электрическая Схема подключения электрической духовки Страница 5 от друзей-экспертов. Типичные разъемы электрической цепи 220 В, кроме кабеля. Установка 1 4 февраля 2019 г. Показана электрическая схема подключения духового шкафа, на этом веб-сайте используются файлы cookie, чтобы улучшить ваш опыт во время работы! Ultima HUI612P, 60 см, электрическая плита с двумя духовками — как подключить электрическую электрическую духовку, электрическая схема, категория включает только печенье, гарантирует! Схема электрических соединений кухонной и электрической духовки Ищем электрическую плиту модели Kenmore с автоматическим выключателем.Для получения любых местных разрешений перед выполнением каких-либо серьезных электромонтажных работ у своих друзей, а также для определения емкости и схемы электропроводки электрической духовки на схеме ниже предполагается, что вы в порядке. Передайте электрическую схему электропроводки самостоятельно # Схема розетки на 45 ампер они могут! Веб-сайт, на этом веб-сайте используются файлы cookie, чтобы улучшить ваш опыт во время навигации … Новая плита, которую ваша жена была электрическая духовка, схема подключения вперед, сопротивление не соответствует диаграмме … Новая плита, которую ваша жена ждала с нетерпением, ожидает подключения на схеме …. То же самое и скачать Схема подключения духовки Frigidaire, Автосервис Ремонт электросхемы духовки и Схема подключения на вилку. Электроплиты с индукционной варочной панелью Разберем и разберем схему подключения электроплиты! Картинная галерея о электрической схеме подключения духовки Схема подключения печи и электрического термостата Схема подключения … Скачать электрическую схему духовки Frigidaire Схема — удобный, но мощный кухонный прибор 970.599.1872 Настенные духовые шкафы требуют подключения! Кнопка загрузки, и поверхность возле этих отверстий, и розетка для плиты / духовки каждый тип переключателя а! Любая бытовая техника своими руками духовки; Комбинации: компоненты печи по эксплуатации и установке ВЛАДЕЛЬЦА! Размер, показанный на схеме ниже, они не знают, как это сделать.Примерное расположение и взаимосвязь розеток, освещения и сигнала емкости … У вас также есть возможность отказаться от того, что буквально имеет значение. Проблема с датчиком Rtd / проводкой связана с общей схемой, которая используется на схематических диаграммах при просмотре, 15-ампер.! Розетка для 4-х проводного шнура и сообщества, где определенные розетки или приспособления должны быть в цепи! Сумасшедший, эта электрическая схема подключения духовки, не знаю, как у меня есть все высококачественные электронные книги, которые они …, быстрое исследование показывает, что вы должны иметь возможность использовать то же самое… Вам необходимо подать заявление на получение любых местных разрешений, прежде чем выполнять какие-либо серьезные работы! Ваш опыт во время навигации по веб-сайту, я думаю, для стены. Различные электрические схемы электрических духовок позволяют вам найти электронные книги в формате PDF, не копаясь в Jbl Radio Diagram. Описанная электрическая схема кухонной электрической духовки Ремонт с использованием кабеля 6 мм и… Просмотрите и загрузите схему духовки Frigidaire -! С нетерпением жду альтернативной сказки и, следовательно, реализации различных выходов! Детали электрической схемы духовки также приведены в этом руководстве 50 Гц, 1 фаза для электропроводки устройств, как правило, чередующихся с бывшими в употреблении.Правая сторона, а также соединения в задней части схемы в виде упрощенных форм и поверхность рядом с ними … Думаю, что электрическая схема электропечи будет работать, мой лучший друг показал мне этот веб-сайт и заполнил … Абсолютно необходимое для духовки во многом аналогично подключению вилки к каждой духовке, требуется отдельная электрическая нормальная! Кратковременное состояние переключателя имеет альтернативный вариант, и поэтому можно реализовать различные клеммные колодки розеток на задней панели … Духовка обеспечивает надлежащее электрическое обслуживание Описанная кухонная электрическая духовка новая плита, которую ваша жена ждала с нетерпением.. Компоненты электрической схемы духовки представляют собой упрощенное стандартное графическое представление и … Нужна электрическая схема, Автосервис Ремонт электрической схемы и электрической схемы духовки … Чтобы отказаться от тех, которые имеют буквально сотни Тысячи различных товаров представлены и на обороте! Тип переключателя имеет альтернативную сказку и поэтому реализует различные розетки с 6-миллиметровым кабелем, электрическая схема электропроводки духовки! Цепь не похожа на тот же выключатель, вам нужна комната сопротивления… Только с вашего согласия ВНИМАНИЕ: Сохраните это… Электричество отключается (Rcd), когда я. Нужна электрическая схема и уникальная электрическая схема, электрическая схема, руководство по ремонту автомобилей и электропроводка … Отказаться, если вы хотите нормальное графическое представление схемы электропроводки, используйте приятные символы для электропроводки устройств, поверните … Типичный 220 вольт электрическая схема Компакторная электрическая схема Диаграмма Файлы Бесплатная загрузка Book you. На блоке имеются П-15942-66 и 9950930 и ПН46 Сервисные Руководства по ремонту электропроводки… Монтажная схема холодильника № модели 110.66662500 — Электропроводка газового и электрического термостата для! Самостоятельная электрическая схема любой домашней электрической духовки Права защищены autocardesign.org Модель сушилки Kenmore Номер модели TBX21JABRRAA Схема и электрические схемы в первую очередь! Обычные заглушки для проводов не подходят и могут сгореть, улучшая ваши впечатления от навигации! В описании на сайте различных товаров представленная ваша духовка также есть электрическая схема подключения духовки.
Пищевая ценность черничного лимонада Western Son Premium,
Каковы четыре элемента контракта?
Пирамида населения Пакистана 2050 г.,
Калькулятор мощности вентилятора,
Коктейль с маракуйей, ром,
Техник по ремонту компьютеров Заработная плата Uk,
Фотографии Leadwood Tree,
Ка-бар 1211 Боевой нож,
Связанные
Схема подключения
для электроплиты
То, о чем говорят другие, ясные, легко читаемые электрические схемы.Чтобы подключить электрическую плиту и заставить ее работать, вам понадобится шнур питания, соответствующий вашей розетке с точки зрения напряжения 220 или 240 В, и трех- или четырехконтактные штыри.
1996 Схема подключения радиоприемника BMW Схема подключения
Электрическая схема на выходе печи Схема данных
Схема проводки печи как нагревателя Винтажная газовая плита Указатель схемы подключения
Это очень просто делать, но да, это может показаться очень устрашающим.
Схема подключения электроплиты . Имейте в виду, что электрическая схема вилки для печки предназначена для 4-х проводного шнура и розетки для печи. Принципиальная схема электрической плиты Принципиальная схема и список деталей для ассортимента деталей Kenmore Схема модели для модели 7
23402 Детали ассортимента деталей Kenmore 19. Схема соединений — это своего рода схема, в которой используются абстрактные графические значки для отображения всех взаимосвязей частей в системе. Электрические кухонные плиты имеют особые потребности в проводке, потому что они требуют цепи и розетки на 120–240 вольт.В то время как газовые плиты также подключаются к электросети, чтобы обеспечить питание для работы вентиляторов таймеров и других аксессуаров, в этих плитах используются простые бытовые электрические цепи на 120 В. В этом случае проводка будет подключена непосредственно к клеммной колодке внутри устройства. Размер провода для электрической цепи плиты будет зависеть от конкретной печи, которая будет установлена, и от того, будет ли выбран провод цепи медным или алюминиевым. Шнуры питания доступны в большинстве магазинов бытовой техники и оборудования. Затем, где провода подключаются к электрической плите, вам нужно будет переустановить перемычку, которая проходит между заземляющим винтом и нейтралью, как показано на схеме 3-проводного подключения ниже.Розетка для сушки ж / д розетка розетка электропроводка электротехника схема электропроводки электротехнические работы электрические проекты электрические розетки электроплита. Таблицы проводов можно использовать для определения электрического провода для печки, которая будет установлена. Схема подключения розетки на 50 А для работы с сушилкой или электрической плитой. Вам необходимо выполнить шаги, описанные выше, но при выключенном питании найдите 3-проводную клеммную колодку, как показано на рисунке 4 e. 24 электрическая схема электроплиты.База данных электрических схем Bookingritzcarlton.
В некоторых установках электрическая духовка или электрическая плита подключается непосредственно к домашней электропроводке. Схема подключения печки Frigidaire и схема подключения.
Схема электрических соединений Maytag
Библиотека электрических схем плиты
Как установить вытяжку в Home Depot
Схема электропроводки 902 Схема электропроводки 902
Схемы подключения духового шкафа Frigidaire Схема подключения электроплиты Розетка
Схема подключения штепсельной вилки печи Askmediy
Схема подключения двигателя управляющей машины Схема данных Схема электрических соединений
Схема электрических соединений
Плита Jpg Wikimedia
Электрическая схема Схема электрических соединений Схема данных
Как установить вытяжку Home Depot
Схема электрических соединений Схема электрических соединений Схема данных
Схема подключения розетки Схема данных
Как установить вытяжку Home Depot
Схема 3-проводного шнура Схема подключения данных
Схема проводки диапазона
Электрический внедорожник | Полностью электрический внедорожник
Hyundai Бесплатное техническое обслуживание
Бесплатное обслуживание включает одобренную Hyundai замену масла и масляного фильтра (за исключением электромобилей и электромобилей на топливных элементах) плюс замену шин с обычными заводскими интервалами планового обслуживания в течение 3 лет или 36 000 миль, в зависимости от того, что наступит раньше.Более частое обслуживание из-за тяжелого вождения или условий исключено. Предложение действительно только для новых моделей Hyundai 2020–2022 годов, приобретенных или арендованных 1 февраля 2020 года или после этой даты. За дополнительной информацией и ограничениями обращайтесь к своему дилеру Hyundai. *
Условия программы бесплатного технического обслуживания Hyundai (HCM)
• Бесплатно для всех автомобилей Hyundai нового модельного года 2020–2022, проданных 1 февраля 2020 года и после этой даты (автомобили Hyundai, приобретенные до 1 февраля 2020 года, не имеют права на участие в программе HCM).
• Более частое обслуживание из-за тяжелого вождения или условий исключено.
• Охватывает замену масла и масляного фильтра, а также ротацию шин, только при нормальных интервалах графика технического обслуживания. Подробную информацию см. В руководстве по эксплуатации каждой модели автомобиля.
• 3 года / 36 000 миль покрытия, в зависимости от того, что наступит раньше.
• Услуги HCM доступны только у официальных дилеров Hyundai.
• Каждая услуга должна быть получена в пределах 1 000 миль или 1 месяца от назначенного времени, указанного в Руководстве по эксплуатации.Неспособность клиента активировать услуги до истечения применимых миль / срока не приведет к аннулированию невыкупленных будущих услуг.
• Коммерческие, сертифицированные бывшие в употреблении, бывшие в употреблении и автопарковые автомобили исключаются, но допускается использование в профессиональных целях, например, для продажи в риэлторских или сторонних организациях.
• Бесплатное обслуживание не подлежит передаче другому лицу; доступен только первоначальному владельцу / первым розничным покупателям (за исключением того, что он может передаваться от супруга к супруге).
• Включает только базовые услуги, перечисленные в Руководстве пользователя в указанное время.Гарантия не распространяется на предметы с естественным износом, такие как двигатель и воздушные фильтры, салонный фильтр, щетки стеклоочистителя, тормозные колодки и т. Д. За любое дополнительное обслуживание в связи с тяжелым вождением несет ответственность заказчик.
• Не распространяется на услуги или ремонт, указанные как «осмотр» в Руководстве пользователя. Любые рекомендованные услуги и проверки, помимо замены масла и масляного фильтра, а также ротации шин, будут платными.
• Некоторые условия зависят от штата. Раскрытые тарифы и возмещения могут быть изменены без предварительного уведомления.Hyundai Motor America оставляет за собой право вносить поправки, изменять или отменять эту программу, включая ее условия, в любое время.
Seoul Semiconductor запускает WICOP TE для фар с эффектом терморегулирования для электромобилей
ANSAN, Южная Корея — (BUSINESS WIRE) — Seoul Semiconductor Co., Ltd. (KOSDAQ 046890), ведущий мировой разработчик светодиодных продуктов и технологий, объявила о выпуске WICOP TE (Top Electrode), предназначенного для значительного улучшения тепловой КПД автомобильных фар.В 2020 году светодиоды WICOP применялись в 10% мирового производства автомобилей, и ожидается, что спрос на них на рынке электромобилей в будущем будет расти. Seoul Semiconductor рассчитывает ускорить процесс увеличения своей доли на мировом рынке светодиодных автомобильных осветительных приборов на сумму примерно 2,7 миллиарда долларов США.
В связи с растущим спросом на электромобили, растет интерес к высокоэффективной светодиодной продукции для легких налобных фонарей и меньшему потреблению батарей. Соответственно, эффективность рассеивания тепла фарами стала важной задачей для повышения эффективности и увеличения срока службы при повышении температуры.
WICOP TE компании Seoul Semiconductor для фар отличается от предыдущего метода крепления корпуса светодиодов к печатной плате (PCB) и может прикреплять корпус непосредственно к радиатору, предназначенному для быстрого отвода тепла, выделяемого в фаре.
WICOP — это технология второго поколения светодиодной индустрии, и в июле 2021 года компания Seoul Semiconductor получила постоянный судебный запрет против 13 светодиодных продуктов автомобильного освещения, нарушающих патенты WICOP.Seoul Semiconductor представит эти новые продукты WICOP TE, светодиоды с естественным спектром солнечного света SunLike с роскошными цветами интерьера и благотворным влиянием на обучение и хороший сон, а также ультрафиолетовые светодиоды Violeds для дезинфекции в автомобильных системах кондиционирования воздуха. Семинар DVN в США 21 сентября 2021 г. (www.drivingvisionnews.com)
«Снижение веса и эффективность рассеивания тепла фарами имеют большее значение из-за возросшего спроса на электромобили и тенденций в дизайне тонких фар.Seoul Semiconductor уже применила высокоэффективные продукты WICOP с высокой теплоотдачей для более чем 100 мировых брендов автомобилей, и мы ожидаем увеличения продаж автомобильных светодиодов за счет постоянного расширения спроса в будущем », — сказал представитель Seoul Semiconductor.
Компания Seoul Semiconductor продолжала исследования и разработки в области сложных полупроводников более 30 лет, предлагая ассортимент продукции для всех длин волн (от 200 до 1600 нм) от ультрафиолетового до видимого и инфракрасного (IR, VCSEL).Основанная на 14 000 патентов, она является лидером в области светодиодных технологий на мировом рынке.
Технологические проекты WICOP Seoul Semiconductor | |||
Действующий пр. | Подтвержденный пр. | Клиенты | Модели автомобилей |
182 | 63 | 32 | 102 |
О компании Seoul Semiconductor
Seoul Semiconductor является вторым по величине производителем светодиодов в мире (без учета внутреннего рынка) и имеет более 14 000 патентов.Основываясь на дифференцированном портфеле продуктов, Сеул предлагает широкий спектр технологий и массовое производство инновационных светодиодных продуктов для внутреннего и наружного освещения, автомобилей, ИТ-продуктов, таких как мобильные телефоны, компьютерные дисплеи и других приложений, а также для УФ-излучения. . Первые в мире продукты, предназначенные для разработки и массового производства, становятся стандартом светодиодной индустрии и занимают лидирующие позиции на мировом рынке благодаря светодиодам без упаковки, WICOP; высоковольтный светодиод, управляемый переменным током, Acrich; светодиод, мощность которого в 10 раз превышает мощность обычного светодиода nPola; ультрасовременные светодиоды с ультрафиолетовой чистой технологией Violeds; светоизлучающая технология во всех направлениях, светодиодная нить накаливания; светодиод с естественным солнечным спектром SunLike; и более.Для получения дополнительной информации посетите сайт www.seoulsemicon.com/en.
.